|
|
|
|
Parker派克流体连接件Parker fluid connectors
Parker派克硬管接头Parker Tube Fittings Products
Parker Ermeto DIN tube to tube high pressure hydraulic tube fittings
Parker派克EO DIN 标准管与管连接高压液压管接头
Parker DIN标准接头
EO DIN 标准管与管连接高压液压管接头的主要功能是可以连接不同数量的硬管。EO DIN标准管接头的广泛范围包括采用新一代无六价铬镀锌表面处理方式的碳钢和不锈钢材质可选。The main function of Ermeto DIN tube to tube high pressure hydraulic tube fittings is to connect different numbers of tubes. This broad range of fittings is available in steel with Cr-(VI)-free surfaces and in stainless steel.
Parker派克EO DIN 标准管与管连接高压液压管接头 
EO DIN标准管与管连接高压液压管接头的主要功能是可以连接不同数量的硬管。EO DIN标准管接头的广泛范围,包括从G, GR, W, T, TR, K, SV, 到 WSV,都可选择采用新一代无六价铬镀锌表面处理方式的碳钢和不锈钢材质。这些管接头可以选择带渐进式卡套 (EO-PSR 或 DPR) 或者弹性密封卡套 (EO-2),具体选择取决于应用。
适用市场:
- 汽车行业
- 安防系统
- 能源行业
- 环境控制
- 工业领域
- 基础建设
- 机床
- 物料搬运
- 行走机械
- 石油和天然气
- 电力行业
- 过程控制
- 交通运输
- 水处理
应用领域:
适用于一般的液压系统领域。
特征/优势:
- 优良的耐腐蚀性能:一般而言,新一代无六价铬镀锌表面处理方式针对依照德国工业标准DIN50021/ISO9227盐雾试验,提供产品超过五百个小时而不产生白锈的耐腐蚀性能。这种特质大大地延长了管接头的使用寿命
- 不锈钢材质表面:相比碳钢而言,针对腐蚀性介质和环境影响,不锈钢管接头有着优良的耐腐蚀性能,同时有着更好的高温耐腐蚀性能。这些产品特征大大地扩展了管接头的应用范围。
- 耐压性能:因为EO DIN 标准管与管连接高压液压管接头有着压力等级高达800 bar的重型 (S系列) 和压力等级高达500 bar的轻型 (L系列)可选,所以这种接头可以被应用于广泛的应用领域。
性能特点:
连接 1 管道外径:04 至 42 mm
连接 2 管道外径:04 至 42 mm
连接 3 管道外径:04 至 42 mm
连接 4 管道外径:04 至 42 mm
连接 1 尺寸:EO 24° 锥
连接 2 尺寸:EO 24° 锥
连接 3 尺寸:na, EO 24° 锥
连接 4 尺寸:na, EO 24° 锥
形状:直通接头,弯通接头,三通接头,四通接头,直通变径接头,三通变径接头,直通隔板接头,弯通隔板接头
可选配件:na,预装EO-PSR卡套及螺母,预装EO-2功能螺母,预装EO-DPR卡套及螺母
产品序列:特轻系列,轻系列,重系列
管道外径:6-42 mm
MAX.运行压力:10-80 MPa,100-800 bar,1450-11603 psi
MAX.运行温度:+250 Steel, +400 Stainless Steel °C,+482 Steel, +752 Stainless Steel °F
MIN.运行温度:-40 (Steel); -60 (Stainless Steel) °C,-40 Steel, -76 Stainless Steel °F
应用:Agriculture Equipment, Automotive Process, Chemical Transfer, Construction Equipment, Fuel transfer, Hydraulic, Manufacturing Equipment, Marine, Material Handling, Mobile Equipment, Oilfield, Packaging, Transportation
连接类型:Bite Type, Soft Seal Bite Type
符合规格:DIN ISO 8434
结构材料:Steel zinc plated (CrVI-free), Stainless steel
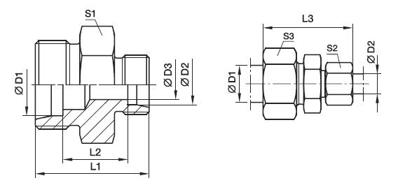
G 直通接头 - EO 24°锥


| 型号 |
系列 |
钢管外径
D1 |
D3 |
L1 |
L2 |
L3 |
S1 |
S2 |
PN(bar)
CF |
PN(bar)
71 |
| G06L |
L |
06 |
4.0 |
24 |
10 |
39 |
12 |
14 |
500 |
315 |
| G08L |
L |
08 |
6.0 |
25 |
11 |
40 |
14 |
17 |
500 |
315 |
| G10L |
L |
10 |
8.0 |
27 |
13 |
42 |
17 |
19 |
500 |
315 |
| G12L |
L |
12 |
10.0 |
28 |
14 |
43 |
19 |
22 |
400 |
315 |
| G15L |
L |
15 |
12.0 |
30 |
16 |
46 |
24 |
27 |
400 |
315 |
| G18L |
L |
18 |
15.0 |
31 |
16 |
48 |
27 |
32 |
400 |
315 |
| G22L |
L |
22 |
19.0 |
35 |
20 |
52 |
32 |
36 |
250 |
160 |
| G28L |
L |
28 |
24.0 |
36 |
21 |
54 |
41 |
41 |
250 |
160 |
| G35L |
L |
35 |
30.0 |
41 |
20 |
63 |
46 |
50 |
250 |
160 |
| G42L |
L |
42 |
36.0 |
43 |
21 |
66 |
55 |
60 |
250 |
160 |
| G06S |
S |
06 |
4.0 |
30 |
16 |
45 |
14 |
17 |
800 |
630 |
| G08S |
S |
08 |
5.0 |
32 |
18 |
47 |
17 |
19 |
800 |
630 |
| G10S |
S |
10 |
7.0 |
32 |
17 |
49 |
19 |
22 |
800 |
630 |
| G12S |
S |
12 |
8.0 |
34 |
19 |
51 |
22 |
24 |
630 |
630 |
| G16S |
S |
16 |
12.0 |
38 |
21 |
57 |
27 |
30 |
630 |
400 |
| G20S |
S |
20 |
16.0 |
44 |
23 |
66 |
32 |
36 |
420 |
400 |
| G25S |
S |
25 |
20.0 |
50 |
26 |
74 |
41 |
46 |
420 |
400 |
| G30S |
S |
30 |
25.0 |
54 |
27 |
80 |
46 |
50 |
420 |
400 |
| G38S |
S |
38 |
32.0 |
61 |
29 |
90 |
55 |
60 |
420 |
315 |
订货示例:
碳钢,无六价铬镀锌:G12LCFX
316Ti不锈钢:G12L71X
注:型号不含螺母卡套
GR 直通变径接头 - EO 24°锥


| 型号 |
系列 |
钢管外径
D1 |
D2 |
D3 |
L1 |
L2 |
L3 |
S1 |
S2 |
S3 |
PN(bar)
CF |
PN(bar)
71 |
| GR08/06L |
L |
08 |
06 |
4.0 |
25 |
11.0 |
40 |
14 |
14 |
17 |
500 |
315 |
| GR10/08L |
L |
10 |
08 |
6.0 |
26 |
12.0 |
41 |
17 |
17 |
19 |
500 |
315 |
| GR12/10L |
L |
12 |
10 |
8.0 |
28 |
14.0 |
43 |
19 |
19 |
22 |
400 |
315 |
| GR15/12L |
L |
15 |
12 |
10.0 |
29 |
15.0 |
45 |
24 |
22 |
27 |
400 |
315 |
| GR18/10L |
L |
18 |
10 |
8.0 |
30 |
15.5 |
46 |
27 |
19 |
32 |
400 |
315 |
| GR18/12L |
L |
18 |
12 |
10.0 |
30 |
15.5 |
46 |
27 |
22 |
32 |
400 |
315 |
| GR18/15L |
L |
18 |
15 |
12.0 |
31 |
16.5 |
48 |
27 |
27 |
32 |
400 |
315 |
| GR22/15L |
L |
22 |
15 |
12.0 |
33 |
18.5 |
50 |
32 |
27 |
36 |
250 |
160 |
| GR22/18L |
L |
22 |
18 |
15.0 |
33 |
18.0 |
50 |
32 |
32 |
36 |
250 |
160 |
| GR28/22L |
L |
28 |
22 |
19.0 |
36 |
21.0 |
54 |
41 |
36 |
41 |
250 |
160 |
| GR35/28L |
L |
35 |
28 |
24.0 |
39 |
21.0 |
59 |
46 |
41 |
50 |
250 |
160 |
| GR42/35L |
L |
42 |
35 |
30.0 |
43 |
21.5 |
66 |
55 |
50 |
60 |
250 |
160 |
| GR08/06S |
S |
08 |
06 |
4.0 |
32 |
18.0 |
47 |
17 |
17 |
19 |
800 |
630 |
| GR10/08S |
S |
10 |
08 |
5.0 |
32 |
17.5 |
48 |
19 |
19 |
22 |
800 |
630 |
| GR12/10S |
S |
12 |
10 |
7.0 |
34 |
19.0 |
51 |
22 |
22 |
24 |
630 |
630 |
| GR16/12S |
S |
16 |
12 |
8.0 |
36 |
20.0 |
54 |
27 |
24 |
30 |
630 |
400 |
| GR20/16S |
S |
20 |
16 |
12.0 |
42 |
23.0 |
63 |
32 |
30 |
36 |
420 |
400 |
| GR25/20S |
S |
25 |
20 |
16.0 |
48 |
25.5 |
71 |
41 |
36 |
46 |
420 |
400 |
| GR30/25S |
S |
30 |
25 |
20.0 |
52 |
26.5 |
77 |
46 |
46 |
50 |
420 |
400 |
| GR38/30S |
S |
38 |
30 |
25.0 |
59 |
29.5 |
87 |
55 |
50 |
60 |
420 |
315 |
订货示例:碳钢,无六价铬镀锌:GR15/12LCFX;316Ti不锈钢:GR15/12L71X
注:型号不含螺母卡套;未标注压力等级的产品订货请咨询销售
W 90°弯接头 - EO 24°锥



| 型号 |
系列 |
钢管外径
D1 |
D3 |
L1 |
L2 |
L3 |
S1 |
S2 |
S3 |
PN(bar)
CF |
PN(bar)
71 |
| W06L |
L |
6 |
4 |
19 |
12 |
27 |
12 |
14 |
12 |
500 |
315 |
| W08L |
L |
8 |
6 |
21 |
14 |
29 |
12 |
17 |
14 |
500 |
315 |
| W10L |
L |
10 |
8 |
22 |
15 |
30 |
14 |
19 |
17 |
500 |
315 |
| W12L |
L |
12 |
10 |
24 |
17 |
32 |
19 |
22 |
|
400 |
315 |
| W15L |
L |
15 |
12 |
28 |
21 |
36 |
19 |
27 |
|
400 |
315 |
| W18L |
L |
18 |
15 |
31 |
23.5 |
40 |
24 |
32 |
|
400 |
315 |
| W22L |
L |
22 |
19 |
35 |
27.5 |
44 |
27 |
36 |
|
250 |
160 |
| W28L |
L |
28 |
24 |
38 |
30.5 |
47 |
36 |
41 |
|
250 |
160 |
| W35L |
L |
35 |
30 |
45 |
34.5 |
56 |
41 |
50 |
|
250 |
160 |
| W42L |
L |
42 |
36 |
51 |
40 |
63 |
50 |
60 |
|
250 |
160 |
| W06S |
S |
6 |
4 |
23 |
16 |
31 |
12 |
17 |
14 |
800 |
630 |
| W08S |
S |
8 |
5 |
24 |
17 |
32 |
14 |
19 |
17 |
800 |
630 |
| W10S |
S |
10 |
7 |
25 |
17.5 |
34 |
19 |
22 |
|
800 |
630 |
| W12S |
S |
12 |
8 |
29 |
21.5 |
38 |
17 |
24 |
22 |
630 |
630 |
| W16S |
S |
16 |
12 |
33 |
24.5 |
43 |
24 |
30 |
|
630 |
400 |
| W20S |
S |
20 |
16 |
37 |
26.5 |
48 |
27 |
36 |
|
420 |
400 |
| W25S |
S |
25 |
20 |
42 |
30 |
54 |
36 |
46 |
|
420 |
400 |
| W30S |
S |
30 |
25 |
49 |
35.5 |
62 |
41 |
50 |
|
420 |
400 |
| W38S |
S |
38 |
32 |
57 |
41 |
72 |
50 |
60 |
|
420 |
315 |
订货示例:
碳钢,无六价铬镀锌:W12LCFX
316Ti不锈钢:W12L71X
注:型号不含螺母卡套
T 三通接头 - EO 24°锥


| 型号 |
系列 |
钢管外径
D1 |
D3 |
L1 |
L2 |
L3 |
S1 |
S2 |
PN(bar)
CF |
PN(bar)
71 |
| T06L |
L |
6 |
4 |
19 |
12 |
27 |
12 |
14 |
500 |
315 |
| T08L |
L |
8 |
6 |
21 |
14 |
29 |
12 |
17 |
500 |
315 |
| T10L |
L |
10 |
8 |
22 |
15 |
30 |
14 |
19 |
500 |
315 |
| T12L |
L |
12 |
10 |
24 |
17 |
32 |
17 |
22 |
400 |
315 |
| T15L |
L |
15 |
12 |
28 |
21 |
36 |
19 |
27 |
400 |
315 |
| T18L |
L |
18 |
15 |
31 |
23.5 |
40 |
24 |
32 |
400 |
315 |
| T22L |
L |
22 |
19 |
35 |
27.5 |
44 |
27 |
36 |
250 |
160 |
| T28L |
L |
28 |
24 |
38 |
30.5 |
47 |
36 |
41 |
250 |
160 |
| T35L |
L |
35 |
30 |
45 |
34.5 |
56 |
41 |
50 |
250 |
160 |
| T42L |
L |
42 |
36 |
51 |
40 |
63 |
50 |
60 |
250 |
160 |
| T06S |
S |
6 |
4 |
23 |
16 |
31 |
12 |
17 |
800 |
630 |
| T08S |
S |
8 |
5 |
24 |
17 |
32 |
14 |
19 |
800 |
630 |
| T10S |
S |
10 |
7 |
25 |
17.5 |
34 |
17 |
22 |
800 |
630 |
| T12S |
S |
12 |
8 |
29 |
21.5 |
38 |
17 |
24 |
630 |
630 |
| T16S |
S |
16 |
12 |
33 |
24.5 |
43 |
24 |
30 |
630 |
400 |
| T20S |
S |
20 |
16 |
37 |
26.5 |
48 |
27 |
36 |
420 |
400 |
| T25S |
S |
25 |
20 |
42 |
30 |
54 |
36 |
46 |
420 |
400 |
| T30S |
S |
30 |
25 |
49 |
35.5 |
62 |
41 |
50 |
420 |
400 |
| T38S |
S |
38 |
32 |
57 |
41 |
72 |
50 |
60 |
420 |
315 |
订货示例:
碳钢,无六价铬镀锌:T12LCFX
316Ti不锈钢:T12L71X
注:型号不含螺母卡套
TR 三通变径接头 - EO 24°锥

该轮廓为碳钢材料,尺寸:L系列, D1, D2, D3 = 6 & 8 mm

| 型号 |
系列 |
钢管外径
D1 |
D2 |
D3 |
D4 |
D5 |
L1 |
L2 |
L3 |
L4 |
L5 |
L6 |
L7 |
S2 |
S3 |
S4 |
S5 |
PN(bar)
CF |
PN(bar)
71 |
| TR06/08/06L |
L |
6 |
8 |
6 |
4 |
6 |
21 |
14 |
14 |
14 |
29 |
29 |
29 |
14 |
17 |
14 |
12 |
500 |
315 |
| TR08/06/08L |
L |
8 |
6 |
8 |
6 |
4 |
21 |
14 |
14 |
14 |
29 |
29 |
29 |
17 |
14 |
17 |
12 |
500 |
315 |
| TR06/10/06L |
L |
6 |
10 |
6 |
4 |
8 |
22 |
15 |
15 |
15 |
30 |
30 |
30 |
14 |
19 |
14 |
14 |
500 |
315 |
| TR08/10/08L |
L |
8 |
10 |
8 |
6 |
8 |
22 |
15 |
15 |
15 |
30 |
30 |
30 |
17 |
19 |
17 |
14 |
500 |
315 |
| TR10/06/10L |
L |
10 |
6 |
10 |
8 |
4 |
22 |
15 |
15 |
15 |
30 |
30 |
30 |
19 |
14 |
19 |
14 |
500 |
315 |
| TR10/08/10L |
L |
10 |
8 |
10 |
8 |
6 |
22 |
15 |
15 |
15 |
30 |
30 |
30 |
19 |
17 |
19 |
14 |
500 |
315 |
| TR08/12/08L |
L |
8 |
12 |
8 |
6 |
10 |
24 |
17 |
17 |
17 |
32 |
32 |
32 |
17 |
22 |
17 |
17 |
400 |
315 |
| TR12/06/12L |
L |
12 |
6 |
12 |
10 |
4 |
24 |
17 |
17 |
17 |
32 |
32 |
32 |
22 |
14 |
22 |
17 |
400 |
315 |
| TR12/08/12L |
L |
12 |
8 |
12 |
10 |
6 |
24 |
17 |
17 |
17 |
32 |
32 |
32 |
22 |
17 |
22 |
17 |
400 |
315 |
| TR12/10/12L |
L |
12 |
10 |
12 |
10 |
8 |
24 |
17 |
17 |
17 |
32 |
32 |
32 |
22 |
19 |
22 |
17 |
400 |
315 |
| TR10/15/10L |
L |
10 |
15 |
10 |
8 |
12 |
28 |
21 |
21 |
21 |
36 |
36 |
36 |
19 |
27 |
19 |
19 |
400 |
315 |
| TR12/15/12L |
L |
12 |
15 |
12 |
10 |
12 |
28 |
21 |
21 |
21 |
36 |
36 |
36 |
22 |
27 |
22 |
19 |
400 |
315 |
| TR15/06/15L |
L |
15 |
6 |
15 |
12 |
4 |
28 |
21 |
21 |
21 |
36 |
36 |
36 |
27 |
14 |
27 |
19 |
400 |
315 |
| TR15/10/15L |
L |
15 |
10 |
15 |
12 |
8 |
28 |
21 |
21 |
21 |
36 |
36 |
36 |
27 |
19 |
27 |
19 |
400 |
315 |
| TR15/12/15L |
L |
15 |
12 |
15 |
12 |
10 |
28 |
21 |
21 |
21 |
36 |
36 |
36 |
27 |
22 |
27 |
19 |
400 |
315 |
| TR12/18/12L |
L |
12 |
18 |
12 |
10 |
15 |
31 |
24 |
24 |
23.5 |
39 |
39 |
40 |
22 |
32 |
22 |
24 |
400 |
315 |
| TR18/10/18L |
L |
18 |
10 |
18 |
15 |
8 |
31 |
23.5 |
23.5 |
24 |
40 |
40 |
39 |
32 |
19 |
32 |
24 |
400 |
315 |
| TR18/12/18L |
L |
18 |
12 |
18 |
15 |
10 |
31 |
23.5 |
23.5 |
24 |
40 |
40 |
39 |
32 |
22 |
32 |
24 |
400 |
315 |
| TR18/15/18L |
L |
18 |
15 |
18 |
15.0 |
12 |
31 |
23.5 |
23.5 |
24.0 |
40 |
40 |
39 |
32 |
27 |
32 |
24 |
400 |
315 |
| TR22/10/22L |
L |
22 |
10 |
22 |
19.0 |
8 |
35 |
27.5 |
27.5 |
28.0 |
44 |
44 |
43 |
36 |
19 |
36 |
27 |
250 |
160 |
| TR22/12/22L |
L |
22 |
12 |
22 |
19.0 |
10 |
35 |
27.5 |
27.5 |
28.0 |
44 |
44 |
43 |
36 |
22 |
36 |
27 |
250 |
160 |
| TR22/15/15L |
L |
22 |
15 |
15 |
12.0 |
12 |
35 |
27.5 |
28.0 |
28.0 |
44 |
43 |
43 |
36 |
27 |
27 |
27 |
250 |
160 |
| TR22/15/22L |
L |
22 |
15 |
22 |
19.0 |
12 |
35 |
27.5 |
27.5 |
28.0 |
44 |
44 |
43 |
36 |
27 |
36 |
27 |
250 |
160 |
| TR22/18/22L |
L |
22 |
18 |
22 |
19.0 |
15 |
35 |
27.5 |
27.5 |
27.5 |
44 |
44 |
44 |
36 |
32 |
36 |
27 |
250 |
160 |
| TR22/22/18L |
L |
22 |
22 |
18 |
15.0 |
19 |
35 |
27.5 |
27.5 |
27.5 |
44 |
44 |
44 |
36 |
36 |
32 |
27 |
250 |
160 |
| TR28/10/28L |
L |
28 |
10 |
28 |
24.0 |
8 |
38 |
30.5 |
30.5 |
31.0 |
47 |
47 |
46 |
41 |
19 |
41 |
36 |
250 |
160 |
| TR28/12/28L |
L |
28 |
12 |
28 |
24.0 |
10 |
38 |
30.5 |
30.5 |
31.0 |
47 |
47 |
46 |
41 |
22 |
41 |
36 |
250 |
160 |
| TR28/15/28L |
L |
28 |
15 |
28 |
24.0 |
12 |
38 |
30.5 |
30.5 |
31.0 |
47 |
47 |
46 |
41 |
27 |
41 |
36 |
250 |
160 |
| TR28/18/28L |
L |
28 |
18 |
28 |
24.0 |
15 |
38 |
30.5 |
30.5 |
30.5 |
47 |
47 |
47 |
41 |
32 |
41 |
36 |
250 |
160 |
| TR28/22/22L |
L |
28 |
22 |
22 |
19.0 |
19 |
38 |
30.5 |
30.5 |
30.5 |
47 |
47 |
47 |
41 |
36 |
36 |
36 |
250 |
160 |
| TR28/22/28L |
L |
28 |
22 |
28 |
24.0 |
19 |
38 |
30.5 |
30.5 |
30.5 |
47 |
47 |
47 |
41 |
36 |
41 |
36 |
250 |
160 |
| TR12/08/12S |
S |
12 |
08 |
12 |
8.0 |
5 |
29 |
21.5 |
21.5 |
22.0 |
38 |
38 |
37 |
24 |
19 |
24 |
17 |
630 |
630 |
| TR12/16/12S |
S |
12 |
16 |
12 |
8.0 |
12 |
33 |
25.5 |
25.5 |
24.5 |
42 |
42 |
43 |
24 |
30 |
24 |
24 |
630 |
400 |
| TR16/10/16S |
S |
16 |
10 |
16 |
12.0 |
7 |
33 |
24.5 |
24.5 |
25.5 |
43 |
43 |
42 |
30 |
22 |
30 |
24 |
630 |
400 |
| TR16/12/16S |
S |
16 |
12 |
16 |
12.0 |
8 |
33 |
24.5 |
24.5 |
25.5 |
43 |
43 |
42 |
30 |
24 |
30 |
24 |
630 |
400 |
| TR20/16/20S |
S |
20 |
16 |
20 |
16.0 |
12 |
37 |
26.5 |
26.5 |
28.5 |
48 |
48 |
47 |
36 |
30 |
36 |
27 |
420 |
400 |
| TR20/25/20S |
S |
20 |
25 |
20 |
16.0 |
20 |
42 |
31.5 |
31.5 |
30.0 |
53 |
53 |
54 |
36 |
46 |
36 |
36 |
420 |
400 |
| TR25/20/25S |
S |
25 |
20 |
25 |
20.0 |
16 |
42 |
30.0 |
30.0 |
31.5 |
54 |
54 |
53 |
46 |
36 |
46 |
36 |
420 |
400 |
| TR25/30/25S |
S |
25 |
30 |
25 |
20.0 |
25 |
49 |
37.0 |
37.0 |
35.5 |
61 |
61 |
62 |
46 |
50 |
46 |
41 |
420 |
400 |
订货示例:
碳钢,无六价铬镀锌:TR12/10/12LCFX
316Ti不锈钢:TR12/10/12L71X
注:型号不含螺母卡套
未标注压力等级的产品订货请咨询销售
WSV 隔板弯头 - EO 24°锥


| 型号 |
系列 |
钢管外径
D1 |
D3 |
D4 |
L1 |
L2 |
L3 |
L4 |
L5 |
L6 |
L7 |
S1 |
S2 |
S3 |
PN(bar)
CF |
PN(bar)
71 |
| WSV06LOMD |
L |
06 |
4 |
17 |
19 |
12.0 |
14 |
27.0 |
48 |
27 |
42 |
12 |
17 |
14 |
315 |
315 |
| WSV08LOMD |
L |
08 |
6 |
19 |
21 |
14.0 |
17 |
27.0 |
51 |
29 |
42 |
12 |
19 |
17 |
315 |
315 |
| WSV10LOMD |
L |
10 |
8 |
22 |
22 |
15.0 |
18 |
28.0 |
53 |
30 |
43 |
14 |
22 |
19 |
315 |
315 |
| WSV12LOMD |
L |
12 |
10 |
24 |
24 |
17.0 |
20 |
29.0 |
56 |
32 |
44 |
17 |
24 |
22 |
315 |
315 |
| WSV15LOMD |
L |
15 |
12 |
27 |
28 |
21.0 |
23 |
31.0 |
61 |
36 |
46 |
19 |
30 |
27 |
315 |
315 |
| WSV18LOMD |
L |
18 |
15 |
32 |
31 |
23.5 |
24 |
32.5 |
64 |
40 |
49 |
24 |
36 |
32 |
315 |
315 |
| WSV22LOMD |
L |
22 |
19 |
36 |
35 |
27.5 |
30 |
34.5 |
72 |
44 |
51 |
27 |
41 |
36 |
160 |
160 |
| WSV28LOMD |
L |
28 |
24 |
42 |
38 |
30.5 |
34 |
35.5 |
77 |
47 |
52 |
36 |
46 |
41 |
160 |
160 |
| WSV35LOMD |
L |
35 |
30 |
50 |
45 |
34.5 |
39 |
36.5 |
86 |
56 |
58 |
41 |
55 |
50 |
160 |
160 |
| WSV42LOMD |
L |
42 |
36 |
60 |
51 |
40.0 |
43 |
36.0 |
90 |
63 |
59 |
50 |
65 |
60 |
160 |
160 |
| WSV06SOMD |
S |
06 |
4 |
19 |
23 |
16.0 |
17 |
29.0 |
53 |
31 |
44 |
12 |
19 |
17 |
630 |
630 |
| WSV08SOMD |
S |
08 |
5 |
22 |
24 |
17.0 |
18 |
29.0 |
54 |
32 |
44 |
14 |
22 |
19 |
630 |
630 |
| WSV10SOMD |
S |
10 |
7 |
24 |
25 |
17.5 |
20 |
29.5 |
57 |
34 |
46 |
17 |
24 |
22 |
630 |
630 |
| WSV12SOMD |
S |
12 |
8 |
27 |
29 |
21.5 |
21 |
30.5 |
59 |
38 |
47 |
17 |
27 |
24 |
630 |
630 |
| WSV16SOMD |
S |
16 |
12 |
30 |
33 |
24.5 |
24 |
31.5 |
64 |
43 |
50 |
24 |
32 |
30 |
400 |
400 |
| WSV20SOMD |
S |
20 |
16 |
36 |
37 |
26.5 |
30 |
33.5 |
74 |
48 |
55 |
27 |
41 |
36 |
400 |
400 |
| WSV25SOMD |
S |
25 |
20 |
42 |
42 |
30.0 |
34 |
35.0 |
81 |
54 |
59 |
36 |
46 |
46 |
400 |
400 |
| WSV30SOMD |
S |
30 |
25 |
50 |
49 |
35.5 |
39 |
37.5 |
90 |
62 |
64 |
41 |
50 |
50 |
400 |
400 |
| WSV38SOMD |
S |
38 |
32 |
60 |
57 |
41.0 |
43 |
37.0 |
96 |
72 |
68 |
50 |
65 |
60 |
315 |
315 |
订货示例:
碳钢,无六价铬镀锌:WSV12LOMDCF
316Ti不锈钢:WSV12LOMD71
注:型号不含螺母卡套
隔板厚度:
06-18L及06-16S=3mm
22-42L及 20-38S=4mm
SV 隔板直通接头 - EO 24°锥


| 型号 |
系列 |
钢管外径
D1 |
D3 |
L1 |
L2 |
L3 |
L4 |
L5 |
L6 |
S1 |
S2 |
S3 |
PN(bar)
CF |
PN(bar)
71 |
| SV06LOMD |
L |
06 |
4 |
14 |
7.0 |
34 |
27.0 |
22 |
42 |
17 |
17 |
14 |
500 |
315 |
| SV08LOMD |
L |
08 |
6 |
15 |
8.0 |
34 |
27.0 |
23 |
42 |
19 |
19 |
17 |
500 |
315 |
| SV10LOMD |
L |
10 |
8 |
17 |
10.0 |
35 |
28.0 |
25 |
43 |
22 |
22 |
19 |
500 |
315 |
| SV12LOMD |
L |
12 |
10 |
17 |
10.0 |
36 |
29.0 |
25 |
44 |
24 |
24 |
22 |
400 |
315 |
| SV15LOMD |
L |
15 |
12 |
19 |
12.0 |
38 |
31.0 |
27 |
46 |
27 |
30 |
27 |
400 |
315 |
| SV18LOMD |
L |
18 |
15 |
21 |
13.5 |
40 |
32.5 |
30 |
49 |
32 |
36 |
32 |
400 |
315 |
| SV22LOMD |
L |
22 |
19 |
24 |
16.5 |
42 |
34.5 |
33 |
51 |
36 |
41 |
36 |
250 |
160 |
| SV28LOMD |
L |
28 |
24 |
26 |
18.5 |
43 |
35.5 |
35 |
52 |
41 |
46 |
41 |
250 |
160 |
| SV35LOMD |
L |
35 |
30 |
29 |
18.5 |
47 |
36.5 |
40 |
58 |
50 |
55 |
50 |
250 |
160 |
| SV42LOMD |
L |
42 |
36 |
30 |
19.0 |
47 |
36.0 |
42 |
59 |
60 |
65 |
60 |
250 |
160 |
| SV06SOMD |
S |
06 |
4 |
19 |
12.0 |
36 |
29.0 |
27 |
44 |
19 |
19 |
17 |
800 |
630 |
| SV08SOMD |
S |
08 |
5 |
20 |
13.0 |
36 |
29.0 |
28 |
44 |
22 |
22 |
19 |
800 |
630 |
| SV10SOMD |
S |
10 |
7 |
22 |
14.5 |
37 |
29.5 |
31 |
46 |
24 |
24 |
22 |
800 |
630 |
| SV12SOMD |
S |
12 |
8 |
22 |
14.5 |
38 |
30.5 |
31 |
47 |
27 |
27 |
24 |
630 |
630 |
| SV16SOMD |
S |
16 |
12 |
25 |
16.5 |
40 |
31.5 |
35 |
50 |
32 |
32 |
30 |
630 |
400 |
| SV20SOMD |
S |
20 |
16 |
28 |
17.5 |
44 |
33.5 |
39 |
55 |
41 |
41 |
36 |
420 |
400 |
| SV25SOMD |
S |
25 |
20 |
32 |
20.0 |
47 |
35.0 |
44 |
59 |
46 |
46 |
46 |
420 |
400 |
| SV30SOMD |
S |
30 |
25 |
35 |
21.5 |
51 |
37.5 |
48 |
64 |
50 |
50 |
50 |
420 |
400 |
| SV38SOMD |
S |
38 |
32 |
38 |
22.0 |
53 |
37.0 |
53 |
68 |
65 |
65 |
60 |
420 |
315 |
订货示例:
碳钢,无六价铬镀锌:SV12LOMDCF
316Ti不锈钢:SV12LOMD71
注:型号不含螺母卡套
隔板厚度:
06-18L及06-16S=3mm
22-42L及 20-38S=4mm
Ermeto DIN tube to tube high pressure hydraulic tube fittings 型号

Part Series Shape Fitting Material Pre-Installed Optional Accessories Connection 1 Style Connection 2 Style Connection 3 Style Connection 4 Style Connection 1 Tube O.D. (mm) Connection 2 Tube O.D. (mm) Connection 3 Tube O.D. (mm) Connection 4 Tube O.D. (mm)
G04LL71 Very Light Straight Stainless Steel Pre-assembled with nut and EO-DPR cutting ring 24° cone end 24° cone end na na 4 4 na na
G04LL71X Very Light Straight Stainless Steel na 24° cone end 24° cone end na na 4 4 na na
G04LLCF Very Light Straight Steel, Chromium-6 Free Pre-assembled with nut and EO-PSR cutting ring 24° cone end 24° cone end na na 4 4 na na
G04LLCFX Very Light Straight Steel, Chromium-6 Free na 24° cone end 24° cone end na na 4 4 na na
G04ZLL71 Very Light Straight Stainless Steel Pre-assembled with EO-2 functional nut 24° cone end 24° cone end na na 4 4 na na
G04ZLLCF Very Light Straight Steel, Chromium-6 Free Pre-assembled with EO-2 functional nut 24° cone end 24° cone end na na 4 4 na na
G06L71 Light Straight Stainless Steel Pre-assembled with nut and EO-DPR cutting ring 24° cone end 24° cone end na na 6 6 na na
G06L71X Light Straight Stainless Steel na 24° cone end 24° cone end na na 6 6 na na
G06LCF Light Straight Steel, Chromium-6 Free Pre-assembled with nut and EO-PSR cutting ring 24° cone end 24° cone end na na 6 6 na na
G06LCFX Light Straight Steel, Chromium-6 Free na 24° cone end 24° cone end na na 6 6 na na
G06LL71 Very Light Straight Stainless Steel Pre-assembled with nut and EO-DPR cutting ring 24° cone end 24° cone end na na 6 6 na na
G06LL71X Very Light Straight Stainless Steel na 24° cone end 24° cone end na na 6 6 na na
G06LLCF Very Light Straight Steel, Chromium-6 Free Pre-assembled with nut and EO-PSR cutting ring 24° cone end 24° cone end na na 6 6 na na
G06LLCFX Very Light Straight Steel, Chromium-6 Free na 24° cone end 24° cone end na na 6 6 na na
G06S71 Heavy Straight Stainless Steel Pre-assembled with nut and EO-DPR cutting ring 24° cone end 24° cone end na na 6 6 na na
G06S71X Heavy Straight Stainless Steel na 24° cone end 24° cone end na na 6 6 na na
G06SCF Heavy Straight Steel, Chromium-6 Free Pre-assembled with nut and EO-PSR cutting ring 24° cone end 24° cone end na na 6 6 na na
G06SCFX Heavy Straight Steel, Chromium-6 Free na 24° cone end 24° cone end na na 6 6 na na
G06ZL71 Light Straight Stainless Steel Pre-assembled with EO-2 functional nut 24° cone end 24° cone end na na 6 6 na na
G06ZLCF Light Straight Steel, Chromium-6 Free Pre-assembled with EO-2 functional nut 24° cone end 24° cone end na na 6 6 na na
G06ZLL71 Very Light Straight Stainless Steel Pre-assembled with EO-2 functional nut 24° cone end 24° cone end na na 6 6 na na
G06ZLLCF Very Light Straight Steel, Chromium-6 Free Pre-assembled with EO-2 functional nut 24° cone end 24° cone end na na 6 6 na na
G06ZS71 Heavy Straight Stainless Steel Pre-assembled with EO-2 functional nut 24° cone end 24° cone end na na 6 6 na na
G06ZSCF Heavy Straight Steel, Chromium-6 Free Pre-assembled with EO-2 functional nut 24° cone end 24° cone end na na 6 6 na na
G08L71 Light Straight Stainless Steel Pre-assembled with nut and EO-DPR cutting ring 24° cone end 24° cone end na na 8 8 na na
G08L71X Light Straight Stainless Steel na 24° cone end 24° cone end na na 8 8 na na
G08LCF Light Straight Steel, Chromium-6 Free Pre-assembled with nut and EO-PSR cutting ring 24° cone end 24° cone end na na 8 8 na na
G08LCFX Light Straight Steel, Chromium-6 Free na 24° cone end 24° cone end na na 8 8 na na
G08LL71 Very Light Straight Stainless Steel Pre-assembled with nut and EO-DPR cutting ring 24° cone end 24° cone end na na 8 8 na na
G08LL71X Very Light Straight Stainless Steel na 24° cone end 24° cone end na na 8 8 na na
G08LLCF Very Light Straight Steel, Chromium-6 Free Pre-assembled with nut and EO-PSR cutting ring 24° cone end 24° cone end na na 8 8 na na
G08LLCFX Very Light Straight Steel, Chromium-6 Free na 24° cone end 24° cone end na na 8 8 na na
G08S71 Heavy Straight Stainless Steel Pre-assembled with nut and EO-DPR cutting ring 24° cone end 24° cone end na na 8 8 na na
G08S71X Heavy Straight Stainless Steel na 24° cone end 24° cone end na na 8 8 na na
G08SCF Heavy Straight Steel, Chromium-6 Free Pre-assembled with nut and EO-PSR cutting ring 24° cone end 24° cone end na na 8 8 na na
G08SCFX Heavy Straight Steel, Chromium-6 Free na 24° cone end 24° cone end na na 8 8 na na
G08ZL71 Light Straight Stainless Steel Pre-assembled with EO-2 functional nut 24° cone end 24° cone end na na 8 8 na na
G08ZLCF Light Straight Steel, Chromium-6 Free Pre-assembled with EO-2 functional nut 24° cone end 24° cone end na na 8 8 na na
G08ZLL71 Very Light Straight Stainless Steel Pre-assembled with EO-2 functional nut 24° cone end 24° cone end na na 8 8 na na
G08ZLLCF Very Light Straight Steel, Chromium-6 Free Pre-assembled with EO-2 functional nut 24° cone end 24° cone end na na 8 8 na na
G08ZS71 Heavy Straight Stainless Steel Pre-assembled with EO-2 functional nut 24° cone end 24° cone end na na 8 8 na na
G08ZSCF Heavy Straight Steel, Chromium-6 Free Pre-assembled with EO-2 functional nut 24° cone end 24° cone end na na 8 8 na na
G10L71 Light Straight Stainless Steel Pre-assembled with nut and EO-PSR cutting ring 24° cone end 24° cone end na na 10 10 na na
G10L71X Light Straight Stainless Steel na 24° cone end 24° cone end na na 10 10 na na
G10LCF Light Straight Steel, Chromium-6 Free Pre-assembled with nut and EO-PSR cutting ring 24° cone end 24° cone end na na 10 10 na na
G10LCFX Light Straight Steel, Chromium-6 Free na 24° cone end 24° cone end na na 10 10 na na
G10LL71 Very Light Straight Stainless Steel Pre-assembled with nut and EO-DPR cutting ring 24° cone end 24° cone end na na 10 10 na na
G10LL71X Very Light Straight Stainless Steel na 24° cone end 24° cone end na na 10 10 na na
G10LLCF Very Light Straight Steel, Chromium-6 Free Pre-assembled with nut and EO-PSR cutting ring 24° cone end 24° cone end na na 10 10 na na
G10LLCFX Very Light Straight Steel, Chromium-6 Free na 24° cone end 24° cone end na na 10 10 na na
G10S71 Heavy Straight Stainless Steel Pre-assembled with nut and EO-DPR cutting ring 24° cone end 24° cone end na na 10 10 na na
G10S71X Heavy Straight Stainless Steel na 24° cone end 24° cone end na na 10 10 na na
G10SCF Heavy Straight Steel, Chromium-6 Free Pre-assembled with nut and EO-PSR cutting ring 24° cone end 24° cone end na na 10 10 na na
G10SCFX Heavy Straight Steel, Chromium-6 Free na 24° cone end 24° cone end na na 10 10 na na
G10ZL71 Light Straight Stainless Steel Pre-assembled with EO-2 functional nut 24° cone end 24° cone end na na 10 10 na na
G10ZLCF Light Straight Steel, Chromium-6 Free Pre-assembled with EO-2 functional nut 24° cone end 24° cone end na na 10 10 na na
G10ZLL71 Very Light Straight Stainless Steel Pre-assembled with EO-2 functional nut 24° cone end 24° cone end na na 10 10 na na
G10ZLLCF Very Light Straight Steel, Chromium-6 Free Pre-assembled with EO-2 functional nut 24° cone end 24° cone end na na 10 10 na na
G10ZS71 Heavy Straight Stainless Steel Pre-assembled with EO-2 functional nut 24° cone end 24° cone end na na 10 10 na na
G10ZSCF Heavy Straight Steel, Chromium-6 Free Pre-assembled with EO-2 functional nut 24° cone end 24° cone end na na 10 10 na na
G12L71 Light Straight Stainless Steel Pre-assembled with nut and EO-DPR cutting ring 24° cone end 24° cone end na na 12 12 na na
G12L71X Light Straight Stainless Steel na 24° cone end 24° cone end na na 12 12 na na
G12LCF Light Straight Steel, Chromium-6 Free Pre-assembled with nut and EO-PSR cutting ring 24° cone end 24° cone end na na 12 12 na na
G12LCFX Light Straight Steel, Chromium-6 Free na 24° cone end 24° cone end na na 12 12 na na
G12LL71 Very Light Straight Stainless Steel Pre-assembled with nut and EO-DPR cutting ring 24° cone end 24° cone end na na 12 12 na na
G12LL71X Very Light Straight Stainless Steel na 24° cone end 24° cone end na na 12 12 na na
G12LLCF Very Light Straight Steel, Chromium-6 Free Pre-assembled with nut and EO-PSR cutting ring 24° cone end 24° cone end na na 12 12 na na
G12LLCFX Very Light Straight Steel, Chromium-6 Free na 24° cone end 24° cone end na na 12 12 na na
G12S71 Heavy Straight Stainless Steel Pre-assembled with nut and EO-DPR cutting ring 24° cone end 24° cone end na na 12 12 na na
G12S71X Heavy Straight Stainless Steel na 24° cone end 24° cone end na na 12 12 na na
G12SCF Heavy Straight Steel, Chromium-6 Free Pre-assembled with nut and EO-PSR cutting ring 24° cone end 24° cone end na na 12 12 na na
G12SCFX Heavy Straight Steel, Chromium-6 Free na 24° cone end 24° cone end na na 12 12 na na
G12ZL71 Light Straight Stainless Steel Pre-assembled with EO-2 functional nut 24° cone end 24° cone end na na 12 12 na na
G12ZLCF Light Straight Steel, Chromium-6 Free Pre-assembled with EO-2 functional nut 24° cone end 24° cone end na na 12 12 na na
G12ZLL71 Very Light Straight Stainless Steel Pre-assembled with EO-2 functional nut 24° cone end 24° cone end na na 12 12 na na
G12ZLLCF Very Light Straight Steel, Chromium-6 Free Pre-assembled with EO-2 functional nut 24° cone end 24° cone end na na 12 12 na na
G12ZS71 Heavy Straight Stainless Steel Pre-assembled with EO-2 functional nut 24° cone end 24° cone end na na 12 12 na na
G12ZSCF Heavy Straight Steel, Chromium-6 Free Pre-assembled with EO-2 functional nut 24° cone end 24° cone end na na 12 12 na na
G14S71 Heavy Straight Stainless Steel Pre-assembled with nut and EO-DPR cutting ring 24° cone end 24° cone end na na 14 14 na na
G14S71X Heavy Straight Stainless Steel na 24° cone end 24° cone end na na 14 14 na na
G14SCF Heavy Straight Steel, Chromium-6 Free Pre-assembled with nut and EO-PSR cutting ring 24° cone end 24° cone end na na 14 14 na na
G14SCFX Heavy Straight Steel, Chromium-6 Free na 24° cone end 24° cone end na na 14 14 na na
G14ZS71 Heavy Straight Stainless Steel Pre-assembled with EO-2 functional nut 24° cone end 24° cone end na na 14 14 na na
G14ZSCF Heavy Straight Steel, Chromium-6 Free Pre-assembled with EO-2 functional nut 24° cone end 24° cone end na na 14 14 na na
G15L71 Light Straight Stainless Steel Pre-assembled with nut and EO-DPR cutting ring 24° cone end 24° cone end na na 15 15 na na
G15L71X Light Straight Stainless Steel na 24° cone end 24° cone end na na 15 15 na na
G15LCF Light Straight Steel, Chromium-6 Free Pre-assembled with nut and EO-PSR cutting ring 24° cone end 24° cone end na na 15 15 na na
G15LCFX Light Straight Steel, Chromium-6 Free na 24° cone end 24° cone end na na 15 15 na na
G15ZL71 Light Straight Stainless Steel Pre-assembled with EO-2 functional nut 24° cone end 24° cone end na na 15 15 na na
G15ZLCF Light Straight Steel, Chromium-6 Free Pre-assembled with EO-2 functional nut 24° cone end 24° cone end na na 15 15 na na
G16S71 Heavy Straight Stainless Steel Pre-assembled with nut and EO-DPR cutting ring 24° cone end 24° cone end na na 16 16 na na
G16S71X Heavy Straight Stainless Steel na 24° cone end 24° cone end na na 16 16 na na
G16SCF Heavy Straight Steel, Chromium-6 Free Pre-assembled with nut and EO-PSR cutting ring 24° cone end 24° cone end na na 16 16 na na
G16SCFX Heavy Straight Steel, Chromium-6 Free na 24° cone end 24° cone end na na 16 16 na na
G16ZS71 Heavy Straight Stainless Steel Pre-assembled with EO-2 functional nut 24° cone end 24° cone end na na 16 16 na na
G16ZSCF Heavy Straight Steel, Chromium-6 Free Pre-assembled with EO-2 functional nut 24° cone end 24° cone end na na 16 16 na na
G18L71 Light Straight Stainless Steel Pre-assembled with nut and EO-DPR cutting ring 24° cone end 24° cone end na na 18 18 na na
G18L71X Light Straight Stainless Steel na 24° cone end 24° cone end na na 18 18 na na
G18LCF Light Straight Steel, Chromium-6 Free Pre-assembled with nut and EO-PSR cutting ring 24° cone end 24° cone end na na 18 18 na na
G18LCFX Light Straight Steel, Chromium-6 Free na 24° cone end 24° cone end na na 18 18 na na
G18ZL71 Light Straight Stainless Steel Pre-assembled with EO-2 functional nut 24° cone end 24° cone end na na 18 18 na na
G18ZLCF Light Straight Steel, Chromium-6 Free Pre-assembled with EO-2 functional nut 24° cone end 24° cone end na na 18 18 na na
G20S71 Heavy Straight Stainless Steel Pre-assembled with nut and EO-DPR cutting ring 24° cone end 24° cone end na na 20 20 na na
G20S71X Heavy Straight Stainless Steel na 24° cone end 24° cone end na na 20 20 na na
G20SCF Heavy Straight Steel, Chromium-6 Free Pre-assembled with nut and EO-PSR cutting ring 24° cone end 24° cone end na na 20 20 na na
G20SCFX Heavy Straight Steel, Chromium-6 Free na 24° cone end 24° cone end na na 20 20 na na
G20ZS71 Heavy Straight Stainless Steel Pre-assembled with EO-2 functional nut 24° cone end 24° cone end na na 20 20 na na
G20ZSCF Heavy Straight Steel, Chromium-6 Free Pre-assembled with EO-2 functional nut 24° cone end 24° cone end na na 20 20 na na
G22L71 Light Straight Stainless Steel Pre-assembled with nut and EO-DPR cutting ring 24° cone end 24° cone end na na 22 22 na na
G22L71X Light Straight Stainless Steel na 24° cone end 24° cone end na na 22 22 na na
G22LCF Light Straight Steel, Chromium-6 Free Pre-assembled with nut and EO-PSR cutting ring 24° cone end 24° cone end na na 22 22 na na
G22LCFX Light Straight Steel, Chromium-6 Free na 24° cone end 24° cone end na na 22 22 na na
G22ZL71 Light Straight Stainless Steel Pre-assembled with EO-2 functional nut 24° cone end 24° cone end na na 22 22 na na
G22ZLCF Light Straight Steel, Chromium-6 Free Pre-assembled with EO-2 functional nut 24° cone end 24° cone end na na 22 22 na na
G25S71 Heavy Straight Stainless Steel Pre-assembled with nut and EO-DPR cutting ring 24° cone end 24° cone end na na 25 25 na na
G25S71X Heavy Straight Stainless Steel na 24° cone end 24° cone end na na 25 25 na na
G25SCF Heavy Straight Steel, Chromium-6 Free Pre-assembled with nut and EO-PSR cutting ring 24° cone end 24° cone end na na 25 25 na na
G25SCFX Heavy Straight Steel, Chromium-6 Free na 24° cone end 24° cone end na na 25 25 na na
G25ZS71 Heavy Straight Stainless Steel Pre-assembled with EO-2 functional nut 24° cone end 24° cone end na na 25 25 na na
G25ZSCF Heavy Straight Steel, Chromium-6 Free Pre-assembled with EO-2 functional nut 24° cone end 24° cone end na na 25 25 na na
G28L71 Light Straight Stainless Steel Pre-assembled with nut and EO-DPR cutting ring 24° cone end 24° cone end na na 28 28 na na
G28L71X Light Straight Stainless Steel na 24° cone end 24° cone end na na 28 28 na na
G28LCF Light Straight Steel, Chromium-6 Free Pre-assembled with nut and EO-PSR cutting ring 24° cone end 24° cone end na na 28 28 na na
G28LCFX Light Straight Steel, Chromium-6 Free na 24° cone end 24° cone end na na 28 28 na na
G28ZL71 Light Straight Stainless Steel Pre-assembled with EO-2 functional nut 24° cone end 24° cone end na na 28 28 na na
G28ZLCF Light Straight Steel, Chromium-6 Free Pre-assembled with EO-2 functional nut 24° cone end 24° cone end na na 28 28 na na
G30S71 Heavy Straight Stainless Steel Pre-assembled with nut and EO-DPR cutting ring 24° cone end 24° cone end na na 30 30 na na
G30S71X Heavy Straight Stainless Steel na 24° cone end 24° cone end na na 30 30 na na
G30SCF Heavy Straight Steel, Chromium-6 Free Pre-assembled with nut and EO-PSR cutting ring 24° cone end 24° cone end na na 30 30 na na
G30SCFX Heavy Straight Steel, Chromium-6 Free na 24° cone end 24° cone end na na 30 30 na na
G30ZS71 Heavy Straight Stainless Steel Pre-assembled with EO-2 functional nut 24° cone end 24° cone end na na 30 30 na na
G30ZSCF Heavy Straight Steel, Chromium-6 Free Pre-assembled with EO-2 functional nut 24° cone end 24° cone end na na 30 30 na na
G35L71 Light Straight Stainless Steel Pre-assembled with nut and EO-DPR cutting ring 24° cone end 24° cone end na na 35 35 na na
G35L71X Light Straight Stainless Steel na 24° cone end 24° cone end na na 35 35 na na
G35LCF Light Straight Steel, Chromium-6 Free Pre-assembled with nut and EO-PSR cutting ring 24° cone end 24° cone end na na 35 35 na na
G35LCFX Light Straight Steel, Chromium-6 Free na 24° cone end 24° cone end na na 35 35 na na
G35ZL71 Light Straight Stainless Steel Pre-assembled with EO-2 functional nut 24° cone end 24° cone end na na 35 35 na na
G35ZLCF Light Straight Steel, Chromium-6 Free Pre-assembled with EO-2 functional nut 24° cone end 24° cone end na na 35 35 na na
G38S71 Heavy Straight Stainless Steel Pre-assembled with nut and EO-DPR cutting ring 24° cone end 24° cone end na na 38 38 na na
G38S71X Heavy Straight Stainless Steel na 24° cone end 24° cone end na na 38 38 na na
G38SCF Heavy Straight Steel, Chromium-6 Free Pre-assembled with nut and EO-PSR cutting ring 24° cone end 24° cone end na na 38 38 na na
G38SCFX Heavy Straight Steel, Chromium-6 Free na 24° cone end 24° cone end na na 38 38 na na
G38ZS71 Heavy Straight Stainless Steel Pre-assembled with EO-2 functional nut 24° cone end 24° cone end na na 38 38 na na
G38ZSCF Heavy Straight Steel, Chromium-6 Free Pre-assembled with EO-2 functional nut 24° cone end 24° cone end na na 38 38 na na
G42L71 Light Straight Stainless Steel Pre-assembled with nut and EO-DPR cutting ring 24° cone end 24° cone end na na 42 42 na na
G42L71X Light Straight Stainless Steel na 24° cone end 24° cone end na na 42 42 na na
G42LCF Light Straight Steel, Chromium-6 Free Pre-assembled with nut and EO-PSR cutting ring 24° cone end 24° cone end na na 42 42 na na
G42LCFX Light Straight Steel, Chromium-6 Free na 24° cone end 24° cone end na na 42 42 na na
G42ZL71 Light Straight Stainless Steel Pre-assembled with EO-2 functional nut 24° cone end 24° cone end na na 42 42 na na
G42ZLCF Light Straight Steel, Chromium-6 Free Pre-assembled with EO-2 functional nut 24° cone end 24° cone end na na 42 42 na na
GR06/04LL71 Very Light Straight reduction Stainless Steel Pre-assembled with nut and EO-DPR cutting ring 24° cone end 24° cone end na na 6 4 na na
GR06/04LL71X Very Light Straight reduction Stainless Steel na 24° cone end 24° cone end na na 6 4 na na
GR06/04LLCF Very Light Straight reduction Steel, Chromium-6 Free Pre-assembled with nut and EO-PSR cutting ring 24° cone end 24° cone end na na 6 4 na na
GR06/04LLCFX Very Light Straight reduction Steel, Chromium-6 Free na 24° cone end 24° cone end na na 6 4 na na
GR06/04ZLL71 Very Light Straight reduction Stainless Steel Pre-assembled with EO-2 functional nut 24° cone end 24° cone end na na 6 4 na na
GR06/04ZLLCF Very Light Straight reduction Steel, Chromium-6 Free Pre-assembled with EO-2 functional nut 24° cone end 24° cone end na na 6 4 na na
GR08/04LL71 Very Light Straight reduction Stainless Steel Pre-assembled with nut and EO-DPR cutting ring 24° cone end 24° cone end na na 8 4 na na
GR08/04LL71X Very Light Straight reduction Stainless Steel na 24° cone end 24° cone end na na 8 4 na na
GR08/04LLCF Very Light Straight reduction Steel, Chromium-6 Free Pre-assembled with nut and EO-PSR cutting ring 24° cone end 24° cone end na na 8 4 na na
GR08/04LLCFX Very Light Straight reduction Steel, Chromium-6 Free na 24° cone end 24° cone end na na 8 4 na na
GR08/04ZLL71 Very Light Straight reduction Stainless Steel Pre-assembled with EO-2 functional nut 24° cone end 24° cone end na na 8 4 na na
GR08/04ZLLCF Very Light Straight reduction Steel, Chromium-6 Free Pre-assembled with EO-2 functional nut 24° cone end 24° cone end na na 8 4 na na
GR08/06L71 Light Straight reduction Stainless Steel Pre-assembled with nut and EO-DPR cutting ring 24° cone end 24° cone end na na 8 6 na na
GR08/06L71X Light Straight reduction Stainless Steel na 24° cone end 24° cone end na na 8 6 na na
GR08/06LCF Light Straight reduction Steel, Chromium-6 Free Pre-assembled with nut and EO-PSR cutting ring 24° cone end 24° cone end na na 8 6 na na
GR08/06LCFX Light Straight reduction Steel, Chromium-6 Free na 24° cone end 24° cone end na na 8 6 na na
GR08/06LL71 Very Light Straight reduction Stainless Steel Pre-assembled with nut and EO-DPR cutting ring 24° cone end 24° cone end na na 8 6 na na
GR08/06LL71X Very Light Straight reduction Stainless Steel na 24° cone end 24° cone end na na 8 6 na na
GR08/06LLCF Very Light Straight reduction Steel, Chromium-6 Free Pre-assembled with nut and EO-PSR cutting ring 24° cone end 24° cone end na na 8 6 na na
GR08/06LLCFX Very Light Straight reduction Steel, Chromium-6 Free na 24° cone end 24° cone end na na 8 6 na na
GR08/06S71 Heavy Straight reduction Stainless Steel Pre-assembled with nut and EO-DPR cutting ring 24° cone end 24° cone end na na 8 6 na na
GR08/06S71X Heavy Straight reduction Stainless Steel na 24° cone end 24° cone end na na 8 6 na na
GR08/06SCF Heavy Straight reduction Steel, Chromium-6 Free Pre-assembled with nut and EO-PSR cutting ring 24° cone end 24° cone end na na 8 6 na na
GR08/06SCFX Heavy Straight reduction Steel, Chromium-6 Free na 24° cone end 24° cone end na na 8 6 na na
GR08/06ZL71 Light Straight reduction Stainless Steel Pre-assembled with EO-2 functional nut 24° cone end 24° cone end na na 8 6 na na
GR08/06ZLCF Light Straight reduction Steel, Chromium-6 Free Pre-assembled with EO-2 functional nut 24° cone end 24° cone end na na 8 6 na na
GR08/06ZLL71 Very Light Straight reduction Stainless Steel Pre-assembled with EO-2 functional nut 24° cone end 24° cone end na na 8 6 na na
GR08/06ZLLCF Very Light Straight reduction Steel, Chromium-6 Free Pre-assembled with EO-2 functional nut 24° cone end 24° cone end na na 8 6 na na
GR08/06ZS71 Heavy Straight reduction Stainless Steel Pre-assembled with EO-2 functional nut 24° cone end 24° cone end na na 8 6 na na
GR08/06ZSCF Heavy Straight reduction Steel, Chromium-6 Free Pre-assembled with EO-2 functional nut 24° cone end 24° cone end na na 8 6 na na
GR10/06L71 Light Straight reduction Stainless Steel Pre-assembled with nut and EO-DPR cutting ring 24° cone end 24° cone end na na 10 6 na na
GR10/06L71X Light Straight reduction Stainless Steel na 24° cone end 24° cone end na na 10 6 na na
GR10/06LCF Light Straight reduction Steel, Chromium-6 Free Pre-assembled with nut and EO-PSR cutting ring 24° cone end 24° cone end na na 10 6 na na
GR10/06LCFX Light Straight reduction Steel, Chromium-6 Free na 24° cone end 24° cone end na na 10 6 na na
GR10/06S71 Heavy Straight reduction Stainless Steel Pre-assembled with nut and EO-DPR cutting ring 24° cone end 24° cone end na na 10 6 na na
GR10/06S71X Heavy Straight reduction Stainless Steel na 24° cone end 24° cone end na na 10 6 na na
GR10/06SCF Heavy Straight reduction Steel, Chromium-6 Free Pre-assembled with nut and EO-PSR cutting ring 24° cone end 24° cone end na na 10 6 na na
GR10/06SCFX Heavy Straight reduction Steel, Chromium-6 Free na 24° cone end 24° cone end na na 10 6 na na
GR10/06ZL71 Light Straight reduction Stainless Steel Pre-assembled with EO-2 functional nut 24° cone end 24° cone end na na 10 6 na na
GR10/06ZLCF Light Straight reduction Steel, Chromium-6 Free Pre-assembled with EO-2 functional nut 24° cone end 24° cone end na na 10 6 na na
GR10/06ZS71 Heavy Straight reduction Stainless Steel Pre-assembled with EO-2 functional nut 24° cone end 24° cone end na na 10 6 na na
GR10/06ZSCF Heavy Straight reduction Steel, Chromium-6 Free Pre-assembled with EO-2 functional nut 24° cone end 24° cone end na na 10 6 na na
GR10/08L71 Light Straight reduction Stainless Steel Pre-assembled with nut and EO-DPR cutting ring 24° cone end 24° cone end na na 10 8 na na
GR10/08L71X Light Straight reduction Stainless Steel na 24° cone end 24° cone end na na 10 8 na na
GR10/08LCF Light Straight reduction Steel, Chromium-6 Free Pre-assembled with nut and EO-PSR cutting ring 24° cone end 24° cone end na na 10 8 na na
GR10/08LCFX Light Straight reduction Steel, Chromium-6 Free na 24° cone end 24° cone end na na 10 8 na na
GR10/08S71 Heavy Straight reduction Stainless Steel Pre-assembled with nut and EO-DPR cutting ring 24° cone end 24° cone end na na 10 8 na na
GR10/08S71X Heavy Straight reduction Stainless Steel na 24° cone end 24° cone end na na 10 8 na na
GR10/08SCF Heavy Straight reduction Steel, Chromium-6 Free Pre-assembled with nut and EO-PSR cutting ring 24° cone end 24° cone end na na 10 8 na na
GR10/08SCFX Heavy Straight reduction Steel, Chromium-6 Free na 24° cone end 24° cone end na na 10 8 na na
GR10/08ZL71 Light Straight reduction Stainless Steel Pre-assembled with EO-2 functional nut 24° cone end 24° cone end na na 10 8 na na
GR10/08ZLCF Light Straight reduction Steel, Chromium-6 Free Pre-assembled with EO-2 functional nut 24° cone end 24° cone end na na 10 8 na na
GR10/08ZS71 Heavy Straight reduction Stainless Steel Pre-assembled with EO-2 functional nut 24° cone end 24° cone end na na 10 8 na na
GR10/08ZSCF Heavy Straight reduction Steel, Chromium-6 Free Pre-assembled with EO-2 functional nut 24° cone end 24° cone end na na 10 8 na na
GR12/06L71 Light Straight reduction Stainless Steel Pre-assembled with nut and EO-DPR cutting ring 24° cone end 24° cone end na na 12 6 na na
GR12/06L71X Light Straight reduction Stainless Steel na 24° cone end 24° cone end na na 12 6 na na
GR12/06LCF Light Straight reduction Steel, Chromium-6 Free Pre-assembled with nut and EO-PSR cutting ring 24° cone end 24° cone end na na 12 6 na na
GR12/06LCFX Light Straight reduction Steel, Chromium-6 Free na 24° cone end 24° cone end na na 12 6 na na
GR12/06S71 Heavy Straight reduction Stainless Steel Pre-assembled with nut and EO-DPR cutting ring 24° cone end 24° cone end na na 12 6 na na
GR12/06S71X Heavy Straight reduction Stainless Steel na 24° cone end 24° cone end na na 12 6 na na
GR12/06SCF Heavy Straight reduction Steel, Chromium-6 Free Pre-assembled with nut and EO-PSR cutting ring 24° cone end 24° cone end na na 12 6 na na
GR12/06SCFX Heavy Straight reduction Steel, Chromium-6 Free na 24° cone end 24° cone end na na 12 6 na na
GR12/06ZL71 Light Straight reduction Stainless Steel Pre-assembled with EO-2 functional nut 24° cone end 24° cone end na na 12 6 na na
GR12/06ZLCF Light Straight reduction Steel, Chromium-6 Free Pre-assembled with EO-2 functional nut 24° cone end 24° cone end na na 12 6 na na
GR12/06ZS71 Heavy Straight reduction Stainless Steel Pre-assembled with EO-2 functional nut 24° cone end 24° cone end na na 12 6 na na
GR12/06ZSCF Heavy Straight reduction Steel, Chromium-6 Free Pre-assembled with EO-2 functional nut 24° cone end 24° cone end na na 12 6 na na
GR12/08L71 Light Straight reduction Stainless Steel Pre-assembled with nut and EO-DPR cutting ring 24° cone end 24° cone end na na 12 8 na na
GR12/08L71X Light Straight reduction Stainless Steel na 24° cone end 24° cone end na na 12 8 na na
GR12/08LCF Light Straight reduction Steel, Chromium-6 Free Pre-assembled with nut and EO-PSR cutting ring 24° cone end 24° cone end na na 12 8 na na
GR12/08LCFX Light Straight reduction Steel, Chromium-6 Free na 24° cone end 24° cone end na na 12 8 na na
GR12/08S71 Heavy Straight reduction Stainless Steel Pre-assembled with nut and EO-DPR cutting ring 24° cone end 24° cone end na na 12 8 na na
GR12/08S71X Heavy Straight reduction Stainless Steel na 24° cone end 24° cone end na na 12 8 na na
GR12/08SCF Heavy Straight reduction Steel, Chromium-6 Free Pre-assembled with nut and EO-PSR cutting ring 24° cone end 24° cone end na na 12 8 na na
GR12/08SCFX Heavy Straight reduction Steel, Chromium-6 Free na 24° cone end 24° cone end na na 12 8 na na
GR12/08ZL71 Light Straight reduction Stainless Steel Pre-assembled with EO-2 functional nut 24° cone end 24° cone end na na 12 8 na na
GR12/08ZLCF Light Straight reduction Steel, Chromium-6 Free Pre-assembled with EO-2 functional nut 24° cone end 24° cone end na na 12 8 na na
GR12/08ZS71 Heavy Straight reduction Stainless Steel Pre-assembled with EO-2 functional nut 24° cone end 24° cone end na na 12 8 na na
GR12/08ZSCF Heavy Straight reduction Steel, Chromium-6 Free Pre-assembled with EO-2 functional nut 24° cone end 24° cone end na na 12 8 na na
GR12/10L71 Light Straight reduction Stainless Steel Pre-assembled with nut and EO-DPR cutting ring 24° cone end 24° cone end na na 12 10 na na
GR12/10L71X Light Straight reduction Stainless Steel na 24° cone end 24° cone end na na 12 10 na na
GR12/10LCF Light Straight reduction Steel, Chromium-6 Free Pre-assembled with nut and EO-PSR cutting ring 24° cone end 24° cone end na na 12 10 na na
GR12/10LCFX Light Straight reduction Steel, Chromium-6 Free na 24° cone end 24° cone end na na 12 10 na na
GR12/10S71 Heavy Straight reduction Stainless Steel Pre-assembled with nut and EO-DPR cutting ring 24° cone end 24° cone end na na 12 10 na na
GR12/10S71X Heavy Straight reduction Stainless Steel na 24° cone end 24° cone end na na 12 10 na na
GR12/10SCF Heavy Straight reduction Steel, Chromium-6 Free Pre-assembled with nut and EO-PSR cutting ring 24° cone end 24° cone end na na 12 10 na na
GR12/10SCFX Heavy Straight reduction Steel, Chromium-6 Free na 24° cone end 24° cone end na na 12 10 na na
GR12/10ZL71 Light Straight reduction Stainless Steel Pre-assembled with EO-2 functional nut 24° cone end 24° cone end na na 12 10 na na
GR12/10ZLCF Light Straight reduction Steel, Chromium-6 Free Pre-assembled with EO-2 functional nut 24° cone end 24° cone end na na 12 10 na na
GR12/10ZS71 Heavy Straight reduction Stainless Steel Pre-assembled with EO-2 functional nut 24° cone end 24° cone end na na 12 10 na na
GR12/10ZSCF Heavy Straight reduction Steel, Chromium-6 Free Pre-assembled with EO-2 functional nut 24° cone end 24° cone end na na 12 10 na na
GR14/10S71 Heavy Straight reduction Stainless Steel Pre-assembled with nut and EO-DPR cutting ring 24° cone end 24° cone end na na 14 10 na na
GR14/10S71X Heavy Straight reduction Stainless Steel na 24° cone end 24° cone end na na 14 10 na na
GR14/10SCF Heavy Straight reduction Steel, Chromium-6 Free Pre-assembled with nut and EO-PSR cutting ring 24° cone end 24° cone end na na 14 10 na na
GR14/10SCFX Heavy Straight reduction Steel, Chromium-6 Free na 24° cone end 24° cone end na na 14 10 na na
GR14/10ZS71 Heavy Straight reduction Stainless Steel Pre-assembled with EO-2 functional nut 24° cone end 24° cone end na na 14 10 na na
GR14/10ZSCF Heavy Straight reduction Steel, Chromium-6 Free Pre-assembled with EO-2 functional nut 24° cone end 24° cone end na na 14 10 na na
GR14/12S71 Heavy Straight reduction Stainless Steel Pre-assembled with nut and EO-DPR cutting ring 24° cone end 24° cone end na na 14 12 na na
GR14/12S71X Heavy Straight reduction Stainless Steel na 24° cone end 24° cone end na na 14 12 na na
GR14/12SCF Heavy Straight reduction Steel, Chromium-6 Free Pre-assembled with nut and EO-PSR cutting ring 24° cone end 24° cone end na na 14 12 na na
GR14/12SCFX Heavy Straight reduction Steel, Chromium-6 Free na 24° cone end 24° cone end na na 14 12 na na
GR14/12ZS71 Heavy Straight reduction Stainless Steel Pre-assembled with EO-2 functional nut 24° cone end 24° cone end na na 14 12 na na
GR14/12ZSCF Heavy Straight reduction Steel, Chromium-6 Free Pre-assembled with EO-2 functional nut 24° cone end 24° cone end na na 14 12 na na
GR15/10L71 Light Straight reduction Stainless Steel Pre-assembled with nut and EO-DPR cutting ring 24° cone end 24° cone end na na 15 10 na na
GR15/10L71X Light Straight reduction Stainless Steel na 24° cone end 24° cone end na na 15 10 na na
GR15/10LCF Light Straight reduction Steel, Chromium-6 Free Pre-assembled with nut and EO-PSR cutting ring 24° cone end 24° cone end na na 15 10 na na
GR15/10LCFX Light Straight reduction Steel, Chromium-6 Free na 24° cone end 24° cone end na na 15 10 na na
GR15/10ZL71 Light Straight reduction Stainless Steel Pre-assembled with EO-2 functional nut 24° cone end 24° cone end na na 15 10 na na
GR15/10ZLCF Light Straight reduction Steel, Chromium-6 Free Pre-assembled with EO-2 functional nut 24° cone end 24° cone end na na 15 10 na na
GR15/12L71 Light Straight reduction Stainless Steel Pre-assembled with nut and EO-DPR cutting ring 24° cone end 24° cone end na na 15 12 na na
GR15/12L71X Light Straight reduction Stainless Steel na 24° cone end 24° cone end na na 15 12 na na
GR15/12LCF Light Straight reduction Steel, Chromium-6 Free Pre-assembled with nut and EO-PSR cutting ring 24° cone end 24° cone end na na 15 12 na na
GR15/12LCFX Light Straight reduction Steel, Chromium-6 Free na 24° cone end 24° cone end na na 15 12 na na
GR15/12ZL71 Light Straight reduction Stainless Steel Pre-assembled with EO-2 functional nut 24° cone end 24° cone end na na 15 12 na na
GR15/12ZLCF Light Straight reduction Steel, Chromium-6 Free Pre-assembled with EO-2 functional nut 24° cone end 24° cone end na na 15 12 na na
GR16/10S71 Heavy Straight reduction Stainless Steel Pre-assembled with nut and EO-DPR cutting ring 24° cone end 24° cone end na na 16 10 na na
GR16/10S71X Heavy Straight reduction Stainless Steel na 24° cone end 24° cone end na na 16 10 na na
GR16/10SCF Heavy Straight reduction Steel, Chromium-6 Free Pre-assembled with nut and EO-PSR cutting ring 24° cone end 24° cone end na na 16 10 na na
GR16/10SCFX Heavy Straight reduction Steel, Chromium-6 Free na 24° cone end 24° cone end na na 16 10 na na
GR16/10ZS71 Heavy Straight reduction Stainless Steel Pre-assembled with EO-2 functional nut 24° cone end 24° cone end na na 16 10 na na
GR16/10ZSCF Heavy Straight reduction Steel, Chromium-6 Free Pre-assembled with EO-2 functional nut 24° cone end 24° cone end na na 16 10 na na
GR16/12S71 Heavy Straight reduction Stainless Steel Pre-assembled with nut and EO-DPR cutting ring 24° cone end 24° cone end na na 16 12 na na
GR16/12S71X Heavy Straight reduction Stainless Steel na 24° cone end 24° cone end na na 16 12 na na
GR16/12SCF Heavy Straight reduction Steel, Chromium-6 Free Pre-assembled with nut and EO-PSR cutting ring 24° cone end 24° cone end na na 16 12 na na
GR16/12SCFX Heavy Straight reduction Steel, Chromium-6 Free na 24° cone end 24° cone end na na 16 12 na na
GR16/12ZS71 Heavy Straight reduction Stainless Steel Pre-assembled with EO-2 functional nut 24° cone end 24° cone end na na 16 12 na na
GR16/12ZSCF Heavy Straight reduction Steel, Chromium-6 Free Pre-assembled with EO-2 functional nut 24° cone end 24° cone end na na 16 12 na na
GR16/14S71 Heavy Straight reduction Stainless Steel Pre-assembled with nut and EO-DPR cutting ring 24° cone end 24° cone end na na 16 14 na na
GR16/14S71X Heavy Straight reduction Stainless Steel na 24° cone end 24° cone end na na 16 14 na na
GR16/14SCF Heavy Straight reduction Steel, Chromium-6 Free Pre-assembled with nut and EO-PSR cutting ring 24° cone end 24° cone end na na 16 14 na na
GR16/14SCFX Heavy Straight reduction Steel, Chromium-6 Free na 24° cone end 24° cone end na na 16 14 na na
GR16/14ZS71 Heavy Straight reduction Stainless Steel Pre-assembled with EO-2 functional nut 24° cone end 24° cone end na na 16 14 na na
GR16/14ZSCF Heavy Straight reduction Steel, Chromium-6 Free Pre-assembled with EO-2 functional nut 24° cone end 24° cone end na na 16 14 na na
GR18/10L71 Light Straight reduction Stainless Steel Pre-assembled with nut and EO-DPR cutting ring 24° cone end 24° cone end na na 18 10 na na
GR18/10L71X Light Straight reduction Stainless Steel na 24° cone end 24° cone end na na 18 10 na na
GR18/10LCF Light Straight reduction Steel, Chromium-6 Free Pre-assembled with nut and EO-PSR cutting ring 24° cone end 24° cone end na na 18 10 na na
GR18/10LCFX Light Straight reduction Steel, Chromium-6 Free na 24° cone end 24° cone end na na 18 10 na na
GR18/10ZL71 Light Straight reduction Stainless Steel Pre-assembled with EO-2 functional nut 24° cone end 24° cone end na na 18 10 na na
GR18/10ZLCF Light Straight reduction Steel, Chromium-6 Free Pre-assembled with EO-2 functional nut 24° cone end 24° cone end na na 18 10 na na
GR18/12CFX Light Straight reduction Steel, Chromium-6 Free na 24° cone end 24° cone end na na 18 12 na na
GR18/12L71 Light Straight reduction Stainless Steel Pre-assembled with nut and EO-DPR cutting ring 24° cone end 24° cone end na na 18 12 na na
GR18/12L71X Light Straight reduction Stainless Steel na 24° cone end 24° cone end na na 18 12 na na
GR18/12LCF Light Straight reduction Steel, Chromium-6 Free Pre-assembled with nut and EO-PSR cutting ring 24° cone end 24° cone end na na 18 12 na na
GR18/12ZL71 Light Straight reduction Stainless Steel Pre-assembled with EO-2 functional nut 24° cone end 24° cone end na na 18 12 na na
GR18/12ZLCF Light Straight reduction Steel, Chromium-6 Free Pre-assembled with EO-2 functional nut 24° cone end 24° cone end na na 18 12 na na
GR18/15L71 Light Straight reduction Stainless Steel Pre-assembled with nut and EO-DPR cutting ring 24° cone end 24° cone end na na 18 15 na na
GR18/15L71X Light Straight reduction Stainless Steel na 24° cone end 24° cone end na na 18 15 na na
GR18/15LCF Light Straight reduction Steel, Chromium-6 Free Pre-assembled with nut and EO-PSR cutting ring 24° cone end 24° cone end na na 18 15 na na
GR18/15LCFX Light Straight reduction Steel, Chromium-6 Free na 24° cone end 24° cone end na na 18 15 na na
GR18/15ZL71 Light Straight reduction Stainless Steel Pre-assembled with EO-2 functional nut 24° cone end 24° cone end na na 18 15 na na
GR18/15ZLCF Light Straight reduction Steel, Chromium-6 Free Pre-assembled with EO-2 functional nut 24° cone end 24° cone end na na 18 15 na na
GR20/10S71 Heavy Straight reduction Stainless Steel Pre-assembled with nut and EO-DPR cutting ring 24° cone end 24° cone end na na 20 10 na na
GR20/10S71X Heavy Straight reduction Stainless Steel na 24° cone end 24° cone end na na 20 10 na na
GR20/10SCF Heavy Straight reduction Steel, Chromium-6 Free Pre-assembled with nut and EO-PSR cutting ring 24° cone end 24° cone end na na 20 10 na na
GR20/10SCFX Heavy Straight reduction Steel, Chromium-6 Free na 24° cone end 24° cone end na na 20 10 na na
GR20/10ZS71 Heavy Straight reduction Stainless Steel Pre-assembled with EO-2 functional nut 24° cone end 24° cone end na na 20 10 na na
GR20/10ZSCF Heavy Straight reduction Steel, Chromium-6 Free Pre-assembled with EO-2 functional nut 24° cone end 24° cone end na na 20 10 na na
GR20/12S71 Heavy Straight reduction Stainless Steel Pre-assembled with nut and EO-DPR cutting ring 24° cone end 24° cone end na na 20 12 na na
GR20/12S71X Heavy Straight reduction Stainless Steel na 24° cone end 24° cone end na na 20 12 na na
GR20/12SCF Heavy Straight reduction Steel, Chromium-6 Free Pre-assembled with nut and EO-PSR cutting ring 24° cone end 24° cone end na na 20 12 na na
GR20/12SCFX Heavy Straight reduction Steel, Chromium-6 Free na 24° cone end 24° cone end na na 20 12 na na
GR20/12ZS71 Heavy Straight reduction Stainless Steel Pre-assembled with EO-2 functional nut 24° cone end 24° cone end na na 20 12 na na
GR20/12ZSCF Heavy Straight reduction Steel, Chromium-6 Free Pre-assembled with EO-2 functional nut 24° cone end 24° cone end na na 20 12 na na
GR20/16S71 Heavy Straight reduction Stainless Steel Pre-assembled with nut and EO-DPR cutting ring 24° cone end 24° cone end na na 20 16 na na
GR20/16S71X Heavy Straight reduction Stainless Steel na 24° cone end 24° cone end na na 20 16 na na
GR20/16SCF Heavy Straight reduction Steel, Chromium-6 Free Pre-assembled with nut and EO-PSR cutting ring 24° cone end 24° cone end na na 20 16 na na
GR20/16SCFX Heavy Straight reduction Steel, Chromium-6 Free na 24° cone end 24° cone end na na 20 16 na na
GR20/16ZS71 Heavy Straight reduction Stainless Steel Pre-assembled with EO-2 functional nut 24° cone end 24° cone end na na 20 16 na na
GR20/16ZSCF Heavy Straight reduction Steel, Chromium-6 Free Pre-assembled with EO-2 functional nut 24° cone end 24° cone end na na 20 16 na na
GR22/12L71 Light Straight reduction Stainless Steel Pre-assembled with nut and EO-DPR cutting ring 24° cone end 24° cone end na na 22 12 na na
GR22/12L71X Light Straight reduction Stainless Steel na 24° cone end 24° cone end na na 22 12 na na
GR22/12LCF Light Straight reduction Steel, Chromium-6 Free Pre-assembled with nut and EO-PSR cutting ring 24° cone end 24° cone end na na 22 12 na na
GR22/12LCFX Light Straight reduction Steel, Chromium-6 Free na 24° cone end 24° cone end na na 22 12 na na
GR22/12ZL71 Light Straight reduction Stainless Steel Pre-assembled with EO-2 functional nut 24° cone end 24° cone end na na 22 12 na na
GR22/12ZLCF Light Straight reduction Steel, Chromium-6 Free Pre-assembled with EO-2 functional nut 24° cone end 24° cone end na na 22 12 na na
GR22/15L71 Light Straight reduction Stainless Steel Pre-assembled with nut and EO-DPR cutting ring 24° cone end 24° cone end na na 22 15 na na
GR22/15L71X Light Straight reduction Stainless Steel na 24° cone end 24° cone end na na 22 15 na na
GR22/15LCF Light Straight reduction Steel, Chromium-6 Free Pre-assembled with nut and EO-PSR cutting ring 24° cone end 24° cone end na na 22 15 na na
GR22/15LCFX Light Straight reduction Steel, Chromium-6 Free na 24° cone end 24° cone end na na 22 15 na na
GR22/15ZL71 Light Straight reduction Stainless Steel Pre-assembled with EO-2 functional nut 24° cone end 24° cone end na na 22 15 na na
GR22/15ZLCF Light Straight reduction Steel, Chromium-6 Free Pre-assembled with EO-2 functional nut 24° cone end 24° cone end na na 22 15 na na
GR22/18L71 Light Straight reduction Stainless Steel Pre-assembled with nut and EO-DPR cutting ring 24° cone end 24° cone end na na 22 18 na na
GR22/18L71X Light Straight reduction Stainless Steel na 24° cone end 24° cone end na na 22 18 na na
GR22/18LCF Light Straight reduction Steel, Chromium-6 Free Pre-assembled with nut and EO-PSR cutting ring 24° cone end 24° cone end na na 22 18 na na
GR22/18LCFX Light Straight reduction Steel, Chromium-6 Free na 24° cone end 24° cone end na na 22 18 na na
GR22/18ZL71 Light Straight reduction Stainless Steel Pre-assembled with EO-2 functional nut 24° cone end 24° cone end na na 22 18 na na
GR22/18ZLCF Light Straight reduction Steel, Chromium-6 Free Pre-assembled with EO-2 functional nut 24° cone end 24° cone end na na 22 18 na na
GR25/16S71 Heavy Straight reduction Stainless Steel Pre-assembled with nut and EO-DPR cutting ring 24° cone end 24° cone end na na 25 16 na na
GR25/16S71X Heavy Straight reduction Stainless Steel na 24° cone end 24° cone end na na 25 16 na na
GR25/16SCF Heavy Straight reduction Steel, Chromium-6 Free Pre-assembled with nut and EO-PSR cutting ring 24° cone end 24° cone end na na 25 16 na na
GR25/16SCFX Heavy Straight reduction Steel, Chromium-6 Free na 24° cone end 24° cone end na na 25 16 na na
GR25/16ZS71 Heavy Straight reduction Stainless Steel Pre-assembled with EO-2 functional nut 24° cone end 24° cone end na na 25 16 na na
GR25/16ZSCF Heavy Straight reduction Steel, Chromium-6 Free Pre-assembled with EO-2 functional nut 24° cone end 24° cone end na na 25 16 na na
GR25/20S71 Heavy Straight reduction Stainless Steel Pre-assembled with nut and EO-DPR cutting ring 24° cone end 24° cone end na na 25 20 na na
GR25/20S71X Heavy Straight reduction Stainless Steel na 24° cone end 24° cone end na na 25 20 na na
GR25/20SCF Heavy Straight reduction Steel, Chromium-6 Free Pre-assembled with nut and EO-PSR cutting ring 24° cone end 24° cone end na na 25 20 na na
GR25/20SCFX Heavy Straight reduction Steel, Chromium-6 Free na 24° cone end 24° cone end na na 25 20 na na
GR25/20ZS71 Heavy Straight reduction Stainless Steel Pre-assembled with EO-2 functional nut 24° cone end 24° cone end na na 25 20 na na
GR25/20ZSCF Heavy Straight reduction Steel, Chromium-6 Free Pre-assembled with EO-2 functional nut 24° cone end 24° cone end na na 25 20 na na
GR28/22L71 Light Straight reduction Stainless Steel Pre-assembled with nut and EO-DPR cutting ring 24° cone end 24° cone end na na 28 22 na na
GR28/22L71X Light Straight reduction Stainless Steel na 24° cone end 24° cone end na na 28 22 na na
GR28/22LCF Light Straight reduction Steel, Chromium-6 Free Pre-assembled with nut and EO-PSR cutting ring 24° cone end 24° cone end na na 28 22 na na
GR28/22LCFX Light Straight reduction Steel, Chromium-6 Free na 24° cone end 24° cone end na na 28 22 na na
GR28/22ZL71 Light Straight reduction Stainless Steel Pre-assembled with EO-2 functional nut 24° cone end 24° cone end na na 28 22 na na
GR28/22ZLCF Light Straight reduction Steel, Chromium-6 Free Pre-assembled with EO-2 functional nut 24° cone end 24° cone end na na 28 22 na na
GR30/20S71 Heavy Straight reduction Stainless Steel Pre-assembled with nut and EO-DPR cutting ring 24° cone end 24° cone end na na 30 20 na na
GR30/20S71X Heavy Straight reduction Stainless Steel na 24° cone end 24° cone end na na 30 20 na na
GR30/20SCF Heavy Straight reduction Steel, Chromium-6 Free Pre-assembled with nut and EO-PSR cutting ring 24° cone end 24° cone end na na 30 20 na na
GR30/20SCFX Heavy Straight reduction Steel, Chromium-6 Free na 24° cone end 24° cone end na na 30 20 na na
GR30/20ZS71 Heavy Straight reduction Stainless Steel Pre-assembled with EO-2 functional nut 24° cone end 24° cone end na na 30 20 na na
GR30/20ZSCF Heavy Straight reduction Steel, Chromium-6 Free Pre-assembled with EO-2 functional nut 24° cone end 24° cone end na na 30 20 na na
GR30/25S71 Heavy Straight reduction Stainless Steel Pre-assembled with nut and EO-DPR cutting ring 24° cone end 24° cone end na na 30 25 na na
GR30/25S71X Heavy Straight reduction Stainless Steel na 24° cone end 24° cone end na na 30 25 na na
GR30/25SCF Heavy Straight reduction Steel, Chromium-6 Free Pre-assembled with nut and EO-PSR cutting ring 24° cone end 24° cone end na na 30 25 na na
GR30/25SCFX Heavy Straight reduction Steel, Chromium-6 Free na 24° cone end 24° cone end na na 30 25 na na
GR30/25ZS71 Heavy Straight reduction Stainless Steel Pre-assembled with EO-2 functional nut 24° cone end 24° cone end na na 30 25 na na
GR30/25ZSCF Heavy Straight reduction Steel, Chromium-6 Free Pre-assembled with EO-2 functional nut 24° cone end 24° cone end na na 30 25 na na
GR35/22L71 Light Straight reduction Stainless Steel Pre-assembled with nut and EO-DPR cutting ring 24° cone end 24° cone end na na 35 22 na na
GR35/22L71X Light Straight reduction Stainless Steel na 24° cone end 24° cone end na na 35 22 na na
GR35/22LCF Light Straight reduction Steel, Chromium-6 Free Pre-assembled with nut and EO-PSR cutting ring 24° cone end 24° cone end na na 35 22 na na
GR35/22LCFX Light Straight reduction Steel, Chromium-6 Free na 24° cone end 24° cone end na na 35 22 na na
GR35/22ZL71 Light Straight reduction Stainless Steel Pre-assembled with EO-2 functional nut 24° cone end 24° cone end na na 35 22 na na
GR35/22ZLCF Light Straight reduction Steel, Chromium-6 Free Pre-assembled with EO-2 functional nut 24° cone end 24° cone end na na 35 22 na na
GR35/28L71 Light Straight reduction Stainless Steel Pre-assembled with nut and EO-DPR cutting ring 24° cone end 24° cone end na na 35 28 na na
GR35/28L71X Light Straight reduction Stainless Steel na 24° cone end 24° cone end na na 35 28 na na
GR35/28LCF Light Straight reduction Steel, Chromium-6 Free Pre-assembled with nut and EO-PSR cutting ring 24° cone end 24° cone end na na 35 28 na na
GR35/28LCFX Light Straight reduction Steel, Chromium-6 Free na 24° cone end 24° cone end na na 35 28 na na
GR35/28ZL71 Light Straight reduction Stainless Steel Pre-assembled with EO-2 functional nut 24° cone end 24° cone end na na 35 28 na na
GR35/28ZLCF Light Straight reduction Steel, Chromium-6 Free Pre-assembled with EO-2 functional nut 24° cone end 24° cone end na na 35 28 na na
GR38/30S71 Heavy Straight reduction Stainless Steel Pre-assembled with nut and EO-DPR cutting ring 24° cone end 24° cone end na na 38 30 na na
GR38/30S71X Heavy Straight reduction Stainless Steel na 24° cone end 24° cone end na na 38 30 na na
GR38/30SCF Heavy Straight reduction Steel, Chromium-6 Free Pre-assembled with nut and EO-PSR cutting ring 24° cone end 24° cone end na na 38 30 na na
GR38/30SCFX Heavy Straight reduction Steel, Chromium-6 Free na 24° cone end 24° cone end na na 38 30 na na
GR38/30ZS71 Heavy Straight reduction Stainless Steel Pre-assembled with EO-2 functional nut 24° cone end 24° cone end na na 38 30 na na
GR38/30ZSCF Heavy Straight reduction Steel, Chromium-6 Free Pre-assembled with EO-2 functional nut 24° cone end 24° cone end na na 38 30 na na
GR42/35L71 Light Straight reduction Stainless Steel Pre-assembled with nut and EO-DPR cutting ring 24° cone end 24° cone end na na 42 35 na na
GR42/35L71X Light Straight reduction Stainless Steel na 24° cone end 24° cone end na na 42 35 na na
GR42/35LCF Light Straight reduction Steel, Chromium-6 Free Pre-assembled with nut and EO-PSR cutting ring 24° cone end 24° cone end na na 42 35 na na
GR42/35LCFX Light Straight reduction Steel, Chromium-6 Free na 24° cone end 24° cone end na na 42 35 na na
GR42/35ZL71 Light Straight reduction Stainless Steel Pre-assembled with EO-2 functional nut 24° cone end 24° cone end na na 42 35 na na
GR42/35ZLCF Light Straight reduction Steel, Chromium-6 Free Pre-assembled with EO-2 functional nut 24° cone end 24° cone end na na 42 35 na na
K04LL71 Very Light Cross Stainless Steel Pre-assembled with nut and EO-DPR cutting ring 24° cone end 24° cone end 24° cone end 24° cone end 4 4 4 4
K04LL71X Very Light Cross Stainless Steel na 24° cone end 24° cone end 24° cone end 24° cone end 4 4 4 4
K04LLCF Very Light Cross Steel, Chromium-6 Free Pre-assembled with nut and EO-PSR cutting ring 24° cone end 24° cone end 24° cone end 24° cone end 4 4 4 4
K04LLCFX Very Light Cross Steel, Chromium-6 Free na 24° cone end 24° cone end 24° cone end 24° cone end 4 4 4 4
K04ZLL71 Very Light Cross Stainless Steel Pre-assembled with EO-2 functional nut 24° cone end 24° cone end 24° cone end 24° cone end 4 4 4 4
K04ZLLCF Very Light Cross Steel, Chromium-6 Free Pre-assembled with EO-2 functional nut 24° cone end 24° cone end 24° cone end 24° cone end 4 4 4 4
K06L71 Light Cross Stainless Steel Pre-assembled with nut and EO-DPR cutting ring 24° cone end 24° cone end 24° cone end 24° cone end 6 6 6 6
K06L71X Light Cross Stainless Steel na 24° cone end 24° cone end 24° cone end 24° cone end 6 6 6 6
K06LCF Light Cross Steel, Chromium-6 Free Pre-assembled with nut and EO-PSR cutting ring 24° cone end 24° cone end 24° cone end 24° cone end 6 6 6 6
K06LCFX Light Cross Steel, Chromium-6 Free na 24° cone end 24° cone end 24° cone end 24° cone end 6 6 6 6
K06LL71 Very Light Cross Stainless Steel Pre-assembled with nut and EO-DPR cutting ring 24° cone end 24° cone end 24° cone end 24° cone end 6 6 6 6
K06LL71X Very Light Cross Stainless Steel na 24° cone end 24° cone end 24° cone end 24° cone end 6 6 6 6
K06LLCF Very Light Cross Steel, Chromium-6 Free Pre-assembled with nut and EO-PSR cutting ring 24° cone end 24° cone end 24° cone end 24° cone end 6 6 6 6
K06LLCFX Very Light Cross Steel, Chromium-6 Free na 24° cone end 24° cone end 24° cone end 24° cone end 6 6 6 6
K06S71 Heavy Cross Stainless Steel Pre-assembled with nut and EO-DPR cutting ring 24° cone end 24° cone end 24° cone end 24° cone end 6 6 6 6
K06S71X Heavy Cross Stainless Steel na 24° cone end 24° cone end 24° cone end 24° cone end 6 6 6 6
K06SCF Heavy Cross Steel, Chromium-6 Free Pre-assembled with nut and EO-PSR cutting ring 24° cone end 24° cone end 24° cone end 24° cone end 6 6 6 6
K06SCFX Heavy Cross Steel, Chromium-6 Free na 24° cone end 24° cone end 24° cone end 24° cone end 6 6 6 6
K06ZL71 Light Cross Stainless Steel Pre-assembled with EO-2 functional nut 24° cone end 24° cone end 24° cone end 24° cone end 6 6 6 6
K06ZLCF Light Cross Steel, Chromium-6 Free Pre-assembled with EO-2 functional nut 24° cone end 24° cone end 24° cone end 24° cone end 6 6 6 6
K06ZLL71 Very Light Cross Stainless Steel Pre-assembled with EO-2 functional nut 24° cone end 24° cone end 24° cone end 24° cone end 6 6 6 6
K06ZLLCF Very Light Cross Steel, Chromium-6 Free Pre-assembled with EO-2 functional nut 24° cone end 24° cone end 24° cone end 24° cone end 6 6 6 6
K06ZS71 Heavy Cross Stainless Steel Pre-assembled with EO-2 functional nut 24° cone end 24° cone end 24° cone end 24° cone end 6 6 6 6
K06ZSCF Heavy Cross Steel, Chromium-6 Free Pre-assembled with EO-2 functional nut 24° cone end 24° cone end 24° cone end 24° cone end 6 6 6 6
K08L71 Light Cross Stainless Steel Pre-assembled with nut and EO-DPR cutting ring 24° cone end 24° cone end 24° cone end 24° cone end 8 8 8 8
K08L71X Light Cross Stainless Steel na 24° cone end 24° cone end 24° cone end 24° cone end 8 8 8 8
K08LCF Light Cross Steel, Chromium-6 Free Pre-assembled with nut and EO-PSR cutting ring 24° cone end 24° cone end 24° cone end 24° cone end 8 8 8 8
K08LCFX Light Cross Steel, Chromium-6 Free na 24° cone end 24° cone end 24° cone end 24° cone end 8 8 8 8
K08LL71 Very Light Cross Stainless Steel Pre-assembled with nut and EO-DPR cutting ring 24° cone end 24° cone end 24° cone end 24° cone end 8 8 8 8
K08LL71X Very Light Cross Stainless Steel na 24° cone end 24° cone end 24° cone end 24° cone end 8 8 8 8
K08LLCF Very Light Cross Steel, Chromium-6 Free Pre-assembled with nut and EO-PSR cutting ring 24° cone end 24° cone end 24° cone end 24° cone end 8 8 8 8
K08LLCFX Very Light Cross Steel, Chromium-6 Free na 24° cone end 24° cone end 24° cone end 24° cone end 8 8 8 8
K08S71 Heavy Cross Stainless Steel Pre-assembled with nut and EO-DPR cutting ring 24° cone end 24° cone end 24° cone end 24° cone end 8 8 8 8
K08S71X Heavy Cross Stainless Steel na 24° cone end 24° cone end 24° cone end 24° cone end 8 8 8 8
K08SCF Heavy Cross Steel, Chromium-6 Free Pre-assembled with nut and EO-PSR cutting ring 24° cone end 24° cone end 24° cone end 24° cone end 8 8 8 8
K08SCFX Heavy Cross Steel, Chromium-6 Free na 24° cone end 24° cone end 24° cone end 24° cone end 8 8 8 8
K08ZL71 Light Cross Stainless Steel Pre-assembled with EO-2 functional nut 24° cone end 24° cone end 24° cone end 24° cone end 8 8 8 8
K08ZLCF Light Cross Steel, Chromium-6 Free Pre-assembled with EO-2 functional nut 24° cone end 24° cone end 24° cone end 24° cone end 8 8 8 8
K08ZLL71 Very Light Cross Stainless Steel Pre-assembled with EO-2 functional nut 24° cone end 24° cone end 24° cone end 24° cone end 8 8 8 8
K08ZLLCF Very Light Cross Steel, Chromium-6 Free Pre-assembled with EO-2 functional nut 24° cone end 24° cone end 24° cone end 24° cone end 8 8 8 8
K08ZS71 Heavy Cross Stainless Steel Pre-assembled with EO-2 functional nut 24° cone end 24° cone end 24° cone end 24° cone end 8 8 8 8
K08ZSCF Heavy Cross Steel, Chromium-6 Free Pre-assembled with EO-2 functional nut 24° cone end 24° cone end 24° cone end 24° cone end 8 8 8 8
K10L71 Light Cross Stainless Steel Pre-assembled with nut and EO-DPR cutting ring 24° cone end 24° cone end 24° cone end 24° cone end 10 10 10 10
K10L71X Light Cross Stainless Steel na 24° cone end 24° cone end 24° cone end 24° cone end 10 10 10 10
K10LCF Light Cross Steel, Chromium-6 Free Pre-assembled with nut and EO-PSR cutting ring 24° cone end 24° cone end 24° cone end 24° cone end 10 10 10 10
K10LCFX Light Cross Steel, Chromium-6 Free na 24° cone end 24° cone end 24° cone end 24° cone end 10 10 10 10
K10LL71 Very Light Cross Stainless Steel Pre-assembled with nut and EO-DPR cutting ring 24° cone end 24° cone end 24° cone end 24° cone end 10 10 10 10
K10LL71X Very Light Cross Stainless Steel na 24° cone end 24° cone end 24° cone end 24° cone end 10 10 10 10
K10LLCF Very Light Cross Steel, Chromium-6 Free Pre-assembled with nut and EO-PSR cutting ring 24° cone end 24° cone end 24° cone end 24° cone end 10 10 10 10
K10LLCFX Very Light Cross Steel, Chromium-6 Free na 24° cone end 24° cone end 24° cone end 24° cone end 10 10 10 10
K10S71 Heavy Cross Stainless Steel Pre-assembled with nut and EO-DPR cutting ring 24° cone end 24° cone end 24° cone end 24° cone end 10 10 10 10
K10S71X Heavy Cross Stainless Steel na 24° cone end 24° cone end 24° cone end 24° cone end 10 10 10 10
K10SCF Heavy Cross Steel, Chromium-6 Free Pre-assembled with nut and EO-PSR cutting ring 24° cone end 24° cone end 24° cone end 24° cone end 10 10 10 10
K10SCFX Heavy Cross Steel, Chromium-6 Free na 24° cone end 24° cone end 24° cone end 24° cone end 10 10 10 10
K10ZL71 Light Cross Stainless Steel Pre-assembled with EO-2 functional nut 24° cone end 24° cone end 24° cone end 24° cone end 10 10 10 10
K10ZLCF Light Cross Steel, Chromium-6 Free Pre-assembled with EO-2 functional nut 24° cone end 24° cone end 24° cone end 24° cone end 10 10 10 10
K10ZLL71 Very Light Cross Stainless Steel Pre-assembled with EO-2 functional nut 24° cone end 24° cone end 24° cone end 24° cone end 10 10 10 10
K10ZLLCF Very Light Cross Steel, Chromium-6 Free Pre-assembled with EO-2 functional nut 24° cone end 24° cone end 24° cone end 24° cone end 10 10 10 10
K10ZS71 Heavy Cross Stainless Steel Pre-assembled with EO-2 functional nut 24° cone end 24° cone end 24° cone end 24° cone end 10 10 10 10
K10ZSCF Heavy Cross Steel, Chromium-6 Free Pre-assembled with EO-2 functional nut 24° cone end 24° cone end 24° cone end 24° cone end 10 10 10 10
K12L71 Light Cross Stainless Steel Pre-assembled with nut and EO-DPR cutting ring 24° cone end 24° cone end 24° cone end 24° cone end 12 12 12 12
K12L71X Light Cross Stainless Steel na 24° cone end 24° cone end 24° cone end 24° cone end 12 12 12 12
K12LCF Light Cross Steel, Chromium-6 Free Pre-assembled with nut and EO-PSR cutting ring 24° cone end 24° cone end 24° cone end 24° cone end 12 12 12 12
K12LCFX Light Cross Steel, Chromium-6 Free na 24° cone end 24° cone end 24° cone end 24° cone end 12 12 12 12
K12LL71 Very Light Cross Stainless Steel Pre-assembled with nut and EO-DPR cutting ring 24° cone end 24° cone end 24° cone end 24° cone end 12 12 12 12
K12LL71X Very Light Cross Stainless Steel na 24° cone end 24° cone end 24° cone end 24° cone end 12 12 12 12
K12LLCF Very Light Cross Steel, Chromium-6 Free Pre-assembled with nut and EO-PSR cutting ring 24° cone end 24° cone end 24° cone end 24° cone end 12 12 12 12
K12LLCFX Very Light Cross Steel, Chromium-6 Free na 24° cone end 24° cone end 24° cone end 24° cone end 12 12 12 12
K12S71 Heavy Cross Stainless Steel Pre-assembled with nut and EO-DPR cutting ring 24° cone end 24° cone end 24° cone end 24° cone end 12 12 12 12
K12S71X Heavy Cross Stainless Steel na 24° cone end 24° cone end 24° cone end 24° cone end 12 12 12 12
K12SCF Heavy Cross Steel, Chromium-6 Free Pre-assembled with nut and EO-PSR cutting ring 24° cone end 24° cone end 24° cone end 24° cone end 12 12 12 12
K12SCFX Heavy Cross Steel, Chromium-6 Free na 24° cone end 24° cone end 24° cone end 24° cone end 12 12 12 12
K12ZL71 Light Cross Stainless Steel Pre-assembled with EO-2 functional nut 24° cone end 24° cone end 24° cone end 24° cone end 12 12 12 12
K12ZLCF Light Cross Steel, Chromium-6 Free Pre-assembled with EO-2 functional nut 24° cone end 24° cone end 24° cone end 24° cone end 12 12 12 12
K12ZLL71 Very Light Cross Stainless Steel Pre-assembled with EO-2 functional nut 24° cone end 24° cone end 24° cone end 24° cone end 12 12 12 12
K12ZLLCF Very Light Cross Steel, Chromium-6 Free Pre-assembled with EO-2 functional nut 24° cone end 24° cone end 24° cone end 24° cone end 12 12 12 12
K12ZS71 Heavy Cross Stainless Steel Pre-assembled with EO-2 functional nut 24° cone end 24° cone end 24° cone end 24° cone end 12 12 12 12
K12ZSCF Heavy Cross Steel, Chromium-6 Free Pre-assembled with EO-2 functional nut 24° cone end 24° cone end 24° cone end 24° cone end 12 12 12 12
K14S71 Heavy Cross Stainless Steel Pre-assembled with nut and EO-DPR cutting ring 24° cone end 24° cone end 24° cone end 24° cone end 14 14 14 14
K14S71X Heavy Cross Stainless Steel na 24° cone end 24° cone end 24° cone end 24° cone end 14 14 14 14
K14SCF Heavy Cross Steel, Chromium-6 Free Pre-assembled with nut and EO-PSR cutting ring 24° cone end 24° cone end 24° cone end 24° cone end 14 14 14 14
K14SCFX Heavy Cross Steel, Chromium-6 Free na 24° cone end 24° cone end 24° cone end 24° cone end 14 14 14 14
K14ZS71 Heavy Cross Stainless Steel Pre-assembled with EO-2 functional nut 24° cone end 24° cone end 24° cone end 24° cone end 14 14 14 14
K14ZSCF Heavy Cross Steel, Chromium-6 Free Pre-assembled with EO-2 functional nut 24° cone end 24° cone end 24° cone end 24° cone end 14 14 14 14
K15L71 Light Cross Stainless Steel Pre-assembled with nut and EO-DPR cutting ring 24° cone end 24° cone end 24° cone end 24° cone end 15 15 15 15
K15L71X Light Cross Stainless Steel na 24° cone end 24° cone end 24° cone end 24° cone end 15 15 15 15
K15LCF Light Cross Steel, Chromium-6 Free Pre-assembled with nut and EO-PSR cutting ring 24° cone end 24° cone end 24° cone end 24° cone end 15 15 15 15
K15LCFX Light Cross Steel, Chromium-6 Free na 24° cone end 24° cone end 24° cone end 24° cone end 15 15 15 15
K15ZL71 Light Cross Stainless Steel Pre-assembled with EO-2 functional nut 24° cone end 24° cone end 24° cone end 24° cone end 15 15 15 15
K15ZLCF Light Cross Steel, Chromium-6 Free Pre-assembled with EO-2 functional nut 24° cone end 24° cone end 24° cone end 24° cone end 15 15 15 15
K16S71 Heavy Cross Stainless Steel Pre-assembled with nut and EO-DPR cutting ring 24° cone end 24° cone end 24° cone end 24° cone end 16 16 16 16
K16S71X Heavy Cross Stainless Steel na 24° cone end 24° cone end 24° cone end 24° cone end 16 16 16 16
K16SCF Heavy Cross Steel, Chromium-6 Free Pre-assembled with nut and EO-PSR cutting ring 24° cone end 24° cone end 24° cone end 24° cone end 16 16 16 16
K16SCFX Heavy Cross Steel, Chromium-6 Free na 24° cone end 24° cone end 24° cone end 24° cone end 16 16 16 16
K16ZS71 Heavy Cross Stainless Steel Pre-assembled with EO-2 functional nut 24° cone end 24° cone end 24° cone end 24° cone end 16 16 16 16
K16ZSCF Heavy Cross Steel, Chromium-6 Free Pre-assembled with EO-2 functional nut 24° cone end 24° cone end 24° cone end 24° cone end 16 16 16 16
K18L71 Light Cross Stainless Steel Pre-assembled with nut and EO-DPR cutting ring 24° cone end 24° cone end 24° cone end 24° cone end 18 18 18 18
K18L71X Light Cross Stainless Steel na 24° cone end 24° cone end 24° cone end 24° cone end 18 18 18 18
K18LCF Light Cross Steel, Chromium-6 Free Pre-assembled with nut and EO-PSR cutting ring 24° cone end 24° cone end 24° cone end 24° cone end 18 18 18 18
K18LCFX Light Cross Steel, Chromium-6 Free na 24° cone end 24° cone end 24° cone end 24° cone end 18 18 18 18
K18ZL71 Light Cross Stainless Steel Pre-assembled with EO-2 functional nut 24° cone end 24° cone end 24° cone end 24° cone end 18 18 18 18
K18ZLCF Light Cross Steel, Chromium-6 Free Pre-assembled with EO-2 functional nut 24° cone end 24° cone end 24° cone end 24° cone end 18 18 18 18
K20S71 Heavy Cross Stainless Steel Pre-assembled with nut and EO-DPR cutting ring 24° cone end 24° cone end 24° cone end 24° cone end 20 20 20 20
K20S71X Heavy Cross Stainless Steel na 24° cone end 24° cone end 24° cone end 24° cone end 20 20 20 20
K20SCF Heavy Cross Steel, Chromium-6 Free Pre-assembled with nut and EO-PSR cutting ring 24° cone end 24° cone end 24° cone end 24° cone end 20 20 20 20
K20SCFX Heavy Cross Steel, Chromium-6 Free na 24° cone end 24° cone end 24° cone end 24° cone end 20 20 20 20
K20ZS71 Heavy Cross Stainless Steel Pre-assembled with EO-2 functional nut 24° cone end 24° cone end 24° cone end 24° cone end 20 20 20 20
K20ZSCF Heavy Cross Steel, Chromium-6 Free Pre-assembled with EO-2 functional nut 24° cone end 24° cone end 24° cone end 24° cone end 20 20 20 20
K22L71 Light Cross Stainless Steel Pre-assembled with nut and EO-DPR cutting ring 24° cone end 24° cone end 24° cone end 24° cone end 22 22 22 22
K22L71X Light Cross Stainless Steel na 24° cone end 24° cone end 24° cone end 24° cone end 22 22 22 22
K22LCF Light Cross Steel, Chromium-6 Free Pre-assembled with nut and EO-PSR cutting ring 24° cone end 24° cone end 24° cone end 24° cone end 22 22 22 22
K22LCFX Light Cross Steel, Chromium-6 Free na 24° cone end 24° cone end 24° cone end 24° cone end 22 22 22 22
K22ZL71 Light Cross Stainless Steel Pre-assembled with EO-2 functional nut 24° cone end 24° cone end 24° cone end 24° cone end 22 22 22 22
K22ZLCF Light Cross Steel, Chromium-6 Free Pre-assembled with EO-2 functional nut 24° cone end 24° cone end 24° cone end 24° cone end 22 22 22 22
K25S71 Heavy Cross Stainless Steel Pre-assembled with nut and EO-DPR cutting ring 24° cone end 24° cone end 24° cone end 24° cone end 25 25 25 25
K25S71X Heavy Cross Stainless Steel na 24° cone end 24° cone end 24° cone end 24° cone end 25 25 25 25
K25SCF Heavy Cross Steel, Chromium-6 Free Pre-assembled with nut and EO-PSR cutting ring 24° cone end 24° cone end 24° cone end 24° cone end 25 25 25 25
K25SCFX Heavy Cross Steel, Chromium-6 Free na 24° cone end 24° cone end 24° cone end 24° cone end 25 25 25 25
K25ZS71 Heavy Cross Stainless Steel Pre-assembled with EO-2 functional nut 24° cone end 24° cone end 24° cone end 24° cone end 25 25 25 25
K25ZSCF Heavy Cross Steel, Chromium-6 Free Pre-assembled with EO-2 functional nut 24° cone end 24° cone end 24° cone end 24° cone end 25 25 25 25
K28L71 Light Cross Stainless Steel Pre-assembled with nut and EO-DPR cutting ring 24° cone end 24° cone end 24° cone end 24° cone end 28 28 28 28
K28L71X Light Cross Stainless Steel na 24° cone end 24° cone end 24° cone end 24° cone end 28 28 28 28
K28LCF Light Cross Steel, Chromium-6 Free Pre-assembled with nut and EO-PSR cutting ring 24° cone end 24° cone end 24° cone end 24° cone end 28 28 28 28
K28LCFX Light Cross Steel, Chromium-6 Free na 24° cone end 24° cone end 24° cone end 24° cone end 28 28 28 28
K28ZL71 Light Cross Stainless Steel Pre-assembled with EO-2 functional nut 24° cone end 24° cone end 24° cone end 24° cone end 28 28 28 28
K28ZLCF Light Cross Steel, Chromium-6 Free Pre-assembled with EO-2 functional nut 24° cone end 24° cone end 24° cone end 24° cone end 28 28 28 28
K30S71 Heavy Cross Stainless Steel Pre-assembled with nut and EO-DPR cutting ring 24° cone end 24° cone end 24° cone end 24° cone end 30 30 30 30
K30S71X Heavy Cross Stainless Steel na 24° cone end 24° cone end 24° cone end 24° cone end 30 30 30 30
K30SCF Heavy Cross Steel, Chromium-6 Free Pre-assembled with nut and EO-PSR cutting ring 24° cone end 24° cone end 24° cone end 24° cone end 30 30 30 30
K30SCFX Heavy Cross Steel, Chromium-6 Free na 24° cone end 24° cone end 24° cone end 24° cone end 30 30 30 30
K30ZS71 Heavy Cross Stainless Steel Pre-assembled with EO-2 functional nut 24° cone end 24° cone end 24° cone end 24° cone end 30 30 30 30
K30ZSCF Heavy Cross Steel, Chromium-6 Free Pre-assembled with EO-2 functional nut 24° cone end 24° cone end 24° cone end 24° cone end 30 30 30 30
K35L71 Light Cross Stainless Steel Pre-assembled with nut and EO-DPR cutting ring 24° cone end 24° cone end 24° cone end 24° cone end 35 35 35 35
K35L71X Light Cross Stainless Steel na 24° cone end 24° cone end 24° cone end 24° cone end 35 35 35 35
K35LCF Light Cross Steel, Chromium-6 Free Pre-assembled with nut and EO-PSR cutting ring 24° cone end 24° cone end 24° cone end 24° cone end 35 35 35 35
K35LCFX Light Cross Steel, Chromium-6 Free na 24° cone end 24° cone end 24° cone end 24° cone end 35 35 35 35
K35ZL71 Light Cross Stainless Steel Pre-assembled with EO-2 functional nut 24° cone end 24° cone end 24° cone end 24° cone end 35 35 35 35
K35ZLCF Light Cross Steel, Chromium-6 Free Pre-assembled with EO-2 functional nut 24° cone end 24° cone end 24° cone end 24° cone end 35 35 35 35
K38S71 Heavy Cross Stainless Steel Pre-assembled with nut and EO-DPR cutting ring 24° cone end 24° cone end 24° cone end 24° cone end 38 38 38 38
K38S71X Heavy Cross Stainless Steel na 24° cone end 24° cone end 24° cone end 24° cone end 38 38 38 38
K38SCF Heavy Cross Steel, Chromium-6 Free Pre-assembled with nut and EO-PSR cutting ring 24° cone end 24° cone end 24° cone end 24° cone end 38 38 38 38
K38SCFX Heavy Cross Steel, Chromium-6 Free na 24° cone end 24° cone end 24° cone end 24° cone end 38 38 38 38
K38ZS71 Heavy Cross Stainless Steel Pre-assembled with EO-2 functional nut 24° cone end 24° cone end 24° cone end 24° cone end 38 38 38 38
K38ZSCF Heavy Cross Steel, Chromium-6 Free Pre-assembled with EO-2 functional nut 24° cone end 24° cone end 24° cone end 24° cone end 38 38 38 38
K42L71 Light Cross Stainless Steel Pre-assembled with nut and EO-DPR cutting ring 24° cone end 24° cone end 24° cone end 24° cone end 42 42 42 42
K42L71X Light Cross Stainless Steel na 24° cone end 24° cone end 24° cone end 24° cone end 42 42 42 42
K42LCF Light Cross Steel, Chromium-6 Free Pre-assembled with nut and EO-PSR cutting ring 24° cone end 24° cone end 24° cone end 24° cone end 42 42 42 42
K42LCFX Light Cross Steel, Chromium-6 Free na 24° cone end 24° cone end 24° cone end 24° cone end 42 42 42 42
K42ZL71 Light Cross Stainless Steel Pre-assembled with EO-2 functional nut 24° cone end 24° cone end 24° cone end 24° cone end 42 42 42 42
K42ZLCF Light Cross Steel, Chromium-6 Free Pre-assembled with EO-2 functional nut 24° cone end 24° cone end 24° cone end 24° cone end 42 42 42 42
SV06L71 Light Bulkhead straight Stainless Steel Pre-assembled with nut and EO-DPR cutting ring 24° cone end 24° cone end na na 6 6 na na
SV06LCF Light Bulkhead straight Steel, Chromium-6 Free Pre-assembled with nut and EO-PSR cutting ring 24° cone end 24° cone end na na 6 6 na na
SV06LOMD71 Light Bulkhead straight Stainless Steel na 24° cone end 24° cone end na na 6 6 na na
SV06LOMDCF Light Bulkhead straight Steel, Chromium-6 Free na 24° cone end 24° cone end na na 6 6 na na
SV06S71 Heavy Bulkhead straight Stainless Steel Pre-assembled with nut and EO-DPR cutting ring 24° cone end 24° cone end na na 6 6 na na
SV06SCF Heavy Bulkhead straight Steel, Chromium-6 Free Pre-assembled with nut and EO-PSR cutting ring 24° cone end 24° cone end na na 6 6 na na
SV06SOMD71 Heavy Bulkhead straight Stainless Steel na 24° cone end 24° cone end na na 6 6 na na
SV06SOMDCF Heavy Bulkhead straight Steel, Chromium-6 Free na 24° cone end 24° cone end na na 6 6 na na
SV06ZL71 Light Bulkhead straight Stainless Steel Pre-assembled with EO-2 functional nut 24° cone end 24° cone end na na 6 6 na na
SV06ZLCF Light Bulkhead straight Steel, Chromium-6 Free Pre-assembled with EO-2 functional nut 24° cone end 24° cone end na na 6 6 na na
SV06ZS71 Heavy Bulkhead straight Stainless Steel Pre-assembled with EO-2 functional nut 24° cone end 24° cone end na na 6 6 na na
SV06ZSCF Heavy Bulkhead straight Steel, Chromium-6 Free Pre-assembled with EO-2 functional nut 24° cone end 24° cone end na na 6 6 na na
SV08L71 Light Bulkhead straight Stainless Steel Pre-assembled with nut and EO-DPR cutting ring 24° cone end 24° cone end na na 8 8 na na
SV08LCF Light Bulkhead straight Steel, Chromium-6 Free Pre-assembled with nut and EO-PSR cutting ring 24° cone end 24° cone end na na 8 8 na na
SV08LOMD71 Light Bulkhead straight Stainless Steel na 24° cone end 24° cone end na na 8 8 na na
SV08LOMDCF Light Bulkhead straight Steel, Chromium-6 Free na 24° cone end 24° cone end na na 8 8 na na
SV08S71 Heavy Bulkhead straight Stainless Steel Pre-assembled with nut and EO-DPR cutting ring 24° cone end 24° cone end na na 8 8 na na
SV08SCF Heavy Bulkhead straight Steel, Chromium-6 Free Pre-assembled with nut and EO-PSR cutting ring 24° cone end 24° cone end na na 8 8 na na
SV08SOMD71 Heavy Bulkhead straight Stainless Steel na 24° cone end 24° cone end na na 8 8 na na
SV08SOMDCF Heavy Bulkhead straight Steel, Chromium-6 Free na 24° cone end 24° cone end na na 8 8 na na
SV08ZL71 Light Bulkhead straight Stainless Steel Pre-assembled with EO-2 functional nut 24° cone end 24° cone end na na 8 8 na na
SV08ZLCF Light Bulkhead straight Steel, Chromium-6 Free Pre-assembled with EO-2 functional nut 24° cone end 24° cone end na na 8 8 na na
SV08ZS71 Heavy Bulkhead straight Stainless Steel Pre-assembled with EO-2 functional nut 24° cone end 24° cone end na na 8 8 na na
SV08ZSCF Heavy Bulkhead straight Steel, Chromium-6 Free Pre-assembled with EO-2 functional nut 24° cone end 24° cone end na na 8 8 na na
SV10L71 Light Bulkhead straight Stainless Steel Pre-assembled with nut and EO-DPR cutting ring 24° cone end 24° cone end na na 10 10 na na
SV10LCF Light Bulkhead straight Steel, Chromium-6 Free Pre-assembled with nut and EO-PSR cutting ring 24° cone end 24° cone end na na 10 10 na na
SV10LOMD71 Light Bulkhead straight Stainless Steel na 24° cone end 24° cone end na na 10 10 na na
SV10LOMDCF Light Bulkhead straight Steel, Chromium-6 Free na 24° cone end 24° cone end na na 10 10 na na
SV10S71 Heavy Bulkhead straight Stainless Steel Pre-assembled with nut and EO-DPR cutting ring 24° cone end 24° cone end na na 10 10 na na
SV10SCF Heavy Bulkhead straight Steel, Chromium-6 Free Pre-assembled with nut and EO-PSR cutting ring 24° cone end 24° cone end na na 10 10 na na
SV10SOMD71 Heavy Bulkhead straight Stainless Steel na 24° cone end 24° cone end na na 10 10 na na
SV10SOMDCF Heavy Bulkhead straight Steel, Chromium-6 Free na 24° cone end 24° cone end na na 10 10 na na
SV10ZL71 Light Bulkhead straight Stainless Steel Pre-assembled with EO-2 functional nut 24° cone end 24° cone end na na 10 10 na na
SV10ZLCF Light Bulkhead straight Steel, Chromium-6 Free Pre-assembled with EO-2 functional nut 24° cone end 24° cone end na na 10 10 na na
SV10ZS71 Heavy Bulkhead straight Stainless Steel Pre-assembled with EO-2 functional nut 24° cone end 24° cone end na na 10 10 na na
SV10ZSCF Heavy Bulkhead straight Steel, Chromium-6 Free Pre-assembled with EO-2 functional nut 24° cone end 24° cone end na na 10 10 na na
SV12L71 Light Bulkhead straight Stainless Steel Pre-assembled with nut and EO-DPR cutting ring 24° cone end 24° cone end na na 12 12 na na
SV12LCF Light Bulkhead straight Steel, Chromium-6 Free Pre-assembled with nut and EO-PSR cutting ring 24° cone end 24° cone end na na 12 12 na na
SV12LOMD71 Light Bulkhead straight Stainless Steel na 24° cone end 24° cone end na na 12 12 na na
SV12LOMDCF Light Bulkhead straight Steel, Chromium-6 Free na 24° cone end 24° cone end na na 12 12 na na
SV12S71 Heavy Bulkhead straight Stainless Steel Pre-assembled with nut and EO-DPR cutting ring 24° cone end 24° cone end na na 12 12 na na
SV12SCF Heavy Bulkhead straight Steel, Chromium-6 Free Pre-assembled with nut and EO-PSR cutting ring 24° cone end 24° cone end na na 12 12 na na
SV12SOMD71 Heavy Bulkhead straight Stainless Steel na 24° cone end 24° cone end na na 12 12 na na
SV12SOMDCF Heavy Bulkhead straight Steel, Chromium-6 Free na 24° cone end 24° cone end na na 12 12 na na
SV12ZL71 Light Bulkhead straight Stainless Steel Pre-assembled with EO-2 functional nut 24° cone end 24° cone end na na 12 12 na na
SV12ZLCF Light Bulkhead straight Steel, Chromium-6 Free Pre-assembled with EO-2 functional nut 24° cone end 24° cone end na na 12 12 na na
SV12ZS71 Heavy Bulkhead straight Stainless Steel Pre-assembled with EO-2 functional nut 24° cone end 24° cone end na na 12 12 na na
SV12ZSCF Heavy Bulkhead straight Steel, Chromium-6 Free Pre-assembled with EO-2 functional nut 24° cone end 24° cone end na na 12 12 na na
SV14S71 Heavy Bulkhead straight Stainless Steel Pre-assembled with nut and EO-DPR cutting ring 24° cone end 24° cone end na na 14 14 na na
SV14SCF Heavy Bulkhead straight Steel, Chromium-6 Free Pre-assembled with nut and EO-PSR cutting ring 24° cone end 24° cone end na na 14 14 na na
SV14SOMD71 Heavy Bulkhead straight Stainless Steel na 24° cone end 24° cone end na na 14 14 na na
SV14SOMDCF Heavy Bulkhead straight Steel, Chromium-6 Free na 24° cone end 24° cone end na na 14 14 na na
SV14ZS71 Heavy Bulkhead straight Stainless Steel Pre-assembled with EO-2 functional nut 24° cone end 24° cone end na na 14 14 na na
SV14ZSCF Heavy Bulkhead straight Steel, Chromium-6 Free Pre-assembled with EO-2 functional nut 24° cone end 24° cone end na na 14 14 na na
SV15L71 Light Bulkhead straight Stainless Steel Pre-assembled with nut and EO-DPR cutting ring 24° cone end 24° cone end na na 15 15 na na
SV15LCF Light Bulkhead straight Steel, Chromium-6 Free Pre-assembled with nut and EO-PSR cutting ring 24° cone end 24° cone end na na 15 15 na na
SV15LOMD71 Light Bulkhead straight Stainless Steel na 24° cone end 24° cone end na na 15 15 na na
SV15LOMDCF Light Bulkhead straight Steel, Chromium-6 Free na 24° cone end 24° cone end na na 15 15 na na
SV15ZL71 Light Bulkhead straight Stainless Steel Pre-assembled with EO-2 functional nut 24° cone end 24° cone end na na 15 15 na na
SV15ZLCF Light Bulkhead straight Steel, Chromium-6 Free Pre-assembled with EO-2 functional nut 24° cone end 24° cone end na na 15 15 na na
SV16S71 Heavy Bulkhead straight Stainless Steel Pre-assembled with nut and EO-DPR cutting ring 24° cone end 24° cone end na na 16 16 na na
SV16SCF Heavy Bulkhead straight Steel, Chromium-6 Free Pre-assembled with nut and EO-PSR cutting ring 24° cone end 24° cone end na na 16 16 na na
SV16SOMD71 Heavy Bulkhead straight Stainless Steel na 24° cone end 24° cone end na na 16 16 na na
SV16SOMDCF Heavy Bulkhead straight Steel, Chromium-6 Free na 24° cone end 24° cone end na na 16 16 na na
SV16ZS71 Heavy Bulkhead straight Stainless Steel Pre-assembled with EO-2 functional nut 24° cone end 24° cone end na na 16 16 na na
SV16ZSCF Heavy Bulkhead straight Steel, Chromium-6 Free Pre-assembled with EO-2 functional nut 24° cone end 24° cone end na na 16 16 na na
SV18L71 Light Bulkhead straight Stainless Steel Pre-assembled with nut and EO-DPR cutting ring 24° cone end 24° cone end na na 18 18 na na
SV18LCF Light Bulkhead straight Steel, Chromium-6 Free Pre-assembled with nut and EO-PSR cutting ring 24° cone end 24° cone end na na 18 18 na na
SV18LOMD71 Light Bulkhead straight Stainless Steel na 24° cone end 24° cone end na na 18 18 na na
SV18LOMDCF Light Bulkhead straight Steel, Chromium-6 Free na 24° cone end 24° cone end na na 18 18 na na
SV18ZL71 Light Bulkhead straight Stainless Steel Pre-assembled with EO-2 functional nut 24° cone end 24° cone end na na 18 18 na na
SV18ZLCF Light Bulkhead straight Steel, Chromium-6 Free Pre-assembled with EO-2 functional nut 24° cone end 24° cone end na na 18 18 na na
SV20S71 Heavy Bulkhead straight Stainless Steel Pre-assembled with nut and EO-DPR cutting ring 24° cone end 24° cone end na na 20 20 na na
SV20SCF Heavy Bulkhead straight Steel, Chromium-6 Free Pre-assembled with nut and EO-PSR cutting ring 24° cone end 24° cone end na na 20 20 na na
SV20SOMD71 Heavy Bulkhead straight Stainless Steel na 24° cone end 24° cone end na na 20 20 na na
SV20SOMDCF Heavy Bulkhead straight Steel, Chromium-6 Free na 24° cone end 24° cone end na na 20 20 na na
SV20ZS71 Heavy Bulkhead straight Stainless Steel Pre-assembled with EO-2 functional nut 24° cone end 24° cone end na na 20 20 na na
SV20ZSCF Heavy Bulkhead straight Steel, Chromium-6 Free Pre-assembled with EO-2 functional nut 24° cone end 24° cone end na na 20 20 na na
SV22L71 Light Bulkhead straight Stainless Steel Pre-assembled with nut and EO-DPR cutting ring 24° cone end 24° cone end na na 22 22 na na
SV22LCF Light Bulkhead straight Steel, Chromium-6 Free Pre-assembled with nut and EO-PSR cutting ring 24° cone end 24° cone end na na 22 22 na na
SV22LOMD71 Light Bulkhead straight Stainless Steel na 24° cone end 24° cone end na na 22 22 na na
SV22LOMDCF Light Bulkhead straight Steel, Chromium-6 Free na 24° cone end 24° cone end na na 22 22 na na
SV22ZL71 Light Bulkhead straight Stainless Steel Pre-assembled with EO-2 functional nut 24° cone end 24° cone end na na 22 22 na na
SV22ZLCF Light Bulkhead straight Steel, Chromium-6 Free Pre-assembled with EO-2 functional nut 24° cone end 24° cone end na na 22 22 na na
SV25S71 Heavy Bulkhead straight Stainless Steel Pre-assembled with nut and EO-DPR cutting ring 24° cone end 24° cone end na na 25 25 na na
SV25SCF Heavy Bulkhead straight Steel, Chromium-6 Free Pre-assembled with nut and EO-PSR cutting ring 24° cone end 24° cone end na na 25 25 na na
SV25SOMD71 Heavy Bulkhead straight Stainless Steel na 24° cone end 24° cone end na na 25 25 na na
SV25SOMDCF Heavy Bulkhead straight Steel, Chromium-6 Free na 24° cone end 24° cone end na na 25 25 na na
SV25ZS71 Heavy Bulkhead straight Stainless Steel Pre-assembled with EO-2 functional nut 24° cone end 24° cone end na na 25 25 na na
SV25ZSCF Heavy Bulkhead straight Steel, Chromium-6 Free Pre-assembled with EO-2 functional nut 24° cone end 24° cone end na na 25 25 na na
SV28L71 Light Bulkhead straight Stainless Steel Pre-assembled with nut and EO-DPR cutting ring 24° cone end 24° cone end na na 28 28 na na
SV28LCF Light Bulkhead straight Steel, Chromium-6 Free Pre-assembled with nut and EO-PSR cutting ring 24° cone end 24° cone end na na 28 28 na na
SV28LOMD71 Light Bulkhead straight Stainless Steel na 24° cone end 24° cone end na na 28 28 na na
SV28LOMDCF Light Bulkhead straight Steel, Chromium-6 Free na 24° cone end 24° cone end na na 28 28 na na
SV28ZL71 Light Bulkhead straight Stainless Steel Pre-assembled with EO-2 functional nut 24° cone end 24° cone end na na 28 28 na na
SV28ZLCF Light Bulkhead straight Steel, Chromium-6 Free Pre-assembled with EO-2 functional nut 24° cone end 24° cone end na na 28 28 na na
SV30S71 Heavy Bulkhead straight Stainless Steel Pre-assembled with nut and EO-DPR cutting ring 24° cone end 24° cone end na na 30 30 na na
SV30SCF Heavy Bulkhead straight Steel, Chromium-6 Free Pre-assembled with nut and EO-PSR cutting ring 24° cone end 24° cone end na na 30 30 na na
SV30SOMD71 Heavy Bulkhead straight Stainless Steel na 24° cone end 24° cone end na na 30 30 na na
SV30SOMDCF Heavy Bulkhead straight Steel, Chromium-6 Free na 24° cone end 24° cone end na na 30 30 na na
SV30ZS71 Heavy Bulkhead straight Stainless Steel Pre-assembled with EO-2 functional nut 24° cone end 24° cone end na na 30 30 na na
SV30ZSCF Heavy Bulkhead straight Steel, Chromium-6 Free Pre-assembled with EO-2 functional nut 24° cone end 24° cone end na na 30 30 na na
SV35L71 Light Bulkhead straight Stainless Steel Pre-assembled with nut and EO-DPR cutting ring 24° cone end 24° cone end na na 35 35 na na
SV35LCF Light Bulkhead straight Steel, Chromium-6 Free Pre-assembled with nut and EO-PSR cutting ring 24° cone end 24° cone end na na 35 35 na na
SV35LOMD71 Light Bulkhead straight Stainless Steel na 24° cone end 24° cone end na na 35 35 na na
SV35LOMDCF Light Bulkhead straight Steel, Chromium-6 Free na 24° cone end 24° cone end na na 35 35 na na
SV35ZL71 Light Bulkhead straight Stainless Steel Pre-assembled with EO-2 functional nut 24° cone end 24° cone end na na 35 35 na na
SV35ZLCF Light Bulkhead straight Steel, Chromium-6 Free Pre-assembled with EO-2 functional nut 24° cone end 24° cone end na na 35 35 na na
SV38S71 Heavy Bulkhead straight Stainless Steel Pre-assembled with nut and EO-DPR cutting ring 24° cone end 24° cone end na na 38 38 na na
SV38SCF Heavy Bulkhead straight Steel, Chromium-6 Free Pre-assembled with nut and EO-PSR cutting ring 24° cone end 24° cone end na na 38 38 na na
SV38SOMD71 Heavy Bulkhead straight Stainless Steel na 24° cone end 24° cone end na na 38 38 na na
SV38SOMDCF Heavy Bulkhead straight Steel, Chromium-6 Free na 24° cone end 24° cone end na na 38 38 na na
SV38ZS71 Heavy Bulkhead straight Stainless Steel Pre-assembled with EO-2 functional nut 24° cone end 24° cone end na na 38 38 na na
SV38ZSCF Heavy Bulkhead straight Steel, Chromium-6 Free Pre-assembled with EO-2 functional nut 24° cone end 24° cone end na na 38 38 na na
SV42L71 Light Bulkhead straight Stainless Steel Pre-assembled with nut and EO-DPR cutting ring 24° cone end 24° cone end na na 42 42 na na
SV42LCF Light Bulkhead straight Steel, Chromium-6 Free Pre-assembled with nut and EO-PSR cutting ring 24° cone end 24° cone end na na 42 42 na na
SV42LOMD71 Light Bulkhead straight Stainless Steel na 24° cone end 24° cone end na na 42 42 na na
SV42LOMDCF Light Bulkhead straight Steel, Chromium-6 Free na 24° cone end 24° cone end na na 42 42 na na
SV42ZL71 Light Bulkhead straight Stainless Steel Pre-assembled with EO-2 functional nut 24° cone end 24° cone end na na 42 42 na na
SV42ZLCF Light Bulkhead straight Steel, Chromium-6 Free Pre-assembled with EO-2 functional nut 24° cone end 24° cone end na na 42 42 na na
T04LL71 Very Light Tee Stainless Steel Pre-assembled with nut and EO-DPR cutting ring 24° cone end 24° cone end 24° cone end na 4 4 4 na
T04LL71X Very Light Tee Stainless Steel na 24° cone end 24° cone end 24° cone end na 4 4 4 na
T04LLCF Very Light Tee Steel, Chromium-6 Free Pre-assembled with nut and EO-PSR cutting ring 24° cone end 24° cone end 24° cone end na 4 4 4 na
T04LLCFX Very Light Tee Steel, Chromium-6 Free na 24° cone end 24° cone end 24° cone end na 4 4 4 na
T04ZLL71 Very Light Tee Stainless Steel Pre-assembled with EO-2 functional nut 24° cone end 24° cone end 24° cone end na 4 4 4 na
T04ZLLCF Very Light Tee Steel, Chromium-6 Free Pre-assembled with EO-2 functional nut 24° cone end 24° cone end 24° cone end na 4 4 4 na
T06L71 Light Tee Stainless Steel Pre-assembled with nut and EO-DPR cutting ring 24° cone end 24° cone end 24° cone end na 6 6 6 na
T06L71X Light Tee Stainless Steel na 24° cone end 24° cone end 24° cone end na 6 6 6 na
T06LCF Light Tee Steel, Chromium-6 Free Pre-assembled with nut and EO-PSR cutting ring 24° cone end 24° cone end 24° cone end na 6 6 6 na
T06LCFX Light Tee Steel, Chromium-6 Free na 24° cone end 24° cone end 24° cone end na 6 6 6 na
T06LL71 Very Light Tee Stainless Steel Pre-assembled with nut and EO-DPR cutting ring 24° cone end 24° cone end 24° cone end na 6 6 6 na
T06LL71X Very Light Tee Stainless Steel na 24° cone end 24° cone end 24° cone end na 6 6 6 na
T06LLCF Very Light Tee Steel, Chromium-6 Free Pre-assembled with nut and EO-PSR cutting ring 24° cone end 24° cone end 24° cone end na 6 6 6 na
T06LLCFX Very Light Tee Steel, Chromium-6 Free na 24° cone end 24° cone end 24° cone end na 6 6 6 na
T06S71 Heavy Tee Stainless Steel Pre-assembled with nut and EO-DPR cutting ring 24° cone end 24° cone end 24° cone end na 6 6 6 na
T06S71X Heavy Tee Stainless Steel na 24° cone end 24° cone end 24° cone end na 6 6 6 na
T06SCF Heavy Tee Steel, Chromium-6 Free Pre-assembled with nut and EO-PSR cutting ring 24° cone end 24° cone end 24° cone end na 6 6 6 na
T06SCFX Heavy Tee Steel, Chromium-6 Free na 24° cone end 24° cone end 24° cone end na 6 6 6 na
T06ZL71 Light Tee Stainless Steel Pre-assembled with EO-2 functional nut 24° cone end 24° cone end 24° cone end na 6 6 6 na
T06ZLCF Light Tee Steel, Chromium-6 Free Pre-assembled with EO-2 functional nut 24° cone end 24° cone end 24° cone end na 6 6 6 na
T06ZLL71 Very Light Tee Stainless Steel Pre-assembled with EO-2 functional nut 24° cone end 24° cone end 24° cone end na 6 6 6 na
T06ZLLCF Very Light Tee Steel, Chromium-6 Free Pre-assembled with EO-2 functional nut 24° cone end 24° cone end 24° cone end na 6 6 6 na
T06ZS71 Heavy Tee Stainless Steel Pre-assembled with EO-2 functional nut 24° cone end 24° cone end 24° cone end na 6 6 6 na
T06ZSCF Heavy Tee Steel, Chromium-6 Free Pre-assembled with EO-2 functional nut 24° cone end 24° cone end 24° cone end na 6 6 6 na
T08L71 Light Tee Stainless Steel Pre-assembled with nut and EO-DPR cutting ring 24° cone end 24° cone end 24° cone end na 8 8 8 na
T08L71X Light Tee Stainless Steel na 24° cone end 24° cone end 24° cone end na 8 8 8 na
T08LCF Light Tee Steel, Chromium-6 Free Pre-assembled with nut and EO-PSR cutting ring 24° cone end 24° cone end 24° cone end na 8 8 8 na
T08LCFX Light Tee Steel, Chromium-6 Free na 24° cone end 24° cone end 24° cone end na 8 8 8 na
T08LL71 Very Light Tee Stainless Steel Pre-assembled with nut and EO-DPR cutting ring 24° cone end 24° cone end 24° cone end na 8 8 8 na
T08LL71X Very Light Tee Stainless Steel na 24° cone end 24° cone end 24° cone end na 8 8 8 na
T08LLCF Very Light Tee Steel, Chromium-6 Free Pre-assembled with nut and EO-PSR cutting ring 24° cone end 24° cone end 24° cone end na 8 8 8 na
T08LLCFX Very Light Tee Steel, Chromium-6 Free na 24° cone end 24° cone end 24° cone end na 8 8 8 na
T08S71 Heavy Tee Stainless Steel Pre-assembled with nut and EO-DPR cutting ring 24° cone end 24° cone end 24° cone end na 8 8 8 na
T08S71X Heavy Tee Stainless Steel na 24° cone end 24° cone end 24° cone end na 8 8 8 na
T08SCF Heavy Tee Steel, Chromium-6 Free Pre-assembled with nut and EO-PSR cutting ring 24° cone end 24° cone end 24° cone end na 8 8 8 na
T08SCFX Heavy Tee Steel, Chromium-6 Free na 24° cone end 24° cone end 24° cone end na 8 8 8 na
T08ZL71 Light Tee Stainless Steel Pre-assembled with EO-2 functional nut 24° cone end 24° cone end 24° cone end na 8 8 8 na
T08ZLCF Light Tee Steel, Chromium-6 Free Pre-assembled with EO-2 functional nut 24° cone end 24° cone end 24° cone end na 8 8 8 na
T08ZLL71 Very Light Tee Stainless Steel Pre-assembled with EO-2 functional nut 24° cone end 24° cone end 24° cone end na 8 8 8 na
T08ZLLCF Very Light Tee Steel, Chromium-6 Free Pre-assembled with EO-2 functional nut 24° cone end 24° cone end 24° cone end na 8 8 8 na
T08ZS71 Heavy Tee Stainless Steel Pre-assembled with EO-2 functional nut 24° cone end 24° cone end 24° cone end na 8 8 8 na
T08ZSCF Heavy Tee Steel, Chromium-6 Free Pre-assembled with EO-2 functional nut 24° cone end 24° cone end 24° cone end na 8 8 8 na
T10L71 Light Tee Stainless Steel Pre-assembled with nut and EO-DPR cutting ring 24° cone end 24° cone end 24° cone end na 10 10 10 na
T10L71X Light Tee Stainless Steel na 24° cone end 24° cone end 24° cone end na 10 10 10 na
T10LCF Light Tee Steel, Chromium-6 Free Pre-assembled with nut and EO-PSR cutting ring 24° cone end 24° cone end 24° cone end na 10 10 10 na
T10LCFX Light Tee Steel, Chromium-6 Free na 24° cone end 24° cone end 24° cone end na 10 10 10 na
T10LL71 Very Light Tee Stainless Steel Pre-assembled with nut and EO-DPR cutting ring 24° cone end 24° cone end 24° cone end na 10 10 10 na
T10LL71X Very Light Tee Stainless Steel na 24° cone end 24° cone end 24° cone end na 10 10 10 na
T10LLCF Very Light Tee Steel, Chromium-6 Free Pre-assembled with nut and EO-PSR cutting ring 24° cone end 24° cone end 24° cone end na 10 10 10 na
T10LLCFX Very Light Tee Steel, Chromium-6 Free na 24° cone end 24° cone end 24° cone end na 10 10 10 na
T10S71 Heavy Tee Stainless Steel Pre-assembled with nut and EO-DPR cutting ring 24° cone end 24° cone end 24° cone end na 10 10 10 na
T10S71X Heavy Tee Stainless Steel na 24° cone end 24° cone end 24° cone end na 10 10 10 na
T10SCF Heavy Tee Steel, Chromium-6 Free Pre-assembled with nut and EO-PSR cutting ring 24° cone end 24° cone end 24° cone end na 10 10 10 na
T10SCFX Heavy Tee Steel, Chromium-6 Free na 24° cone end 24° cone end 24° cone end na 10 10 10 na
T10ZL71 Light Tee Stainless Steel Pre-assembled with EO-2 functional nut 24° cone end 24° cone end 24° cone end na 10 10 10 na
T10ZLCF Light Tee Steel, Chromium-6 Free Pre-assembled with EO-2 functional nut 24° cone end 24° cone end 24° cone end na 10 10 10 na
T10ZLL71 Very Light Tee Stainless Steel Pre-assembled with EO-2 functional nut 24° cone end 24° cone end 24° cone end na 10 10 10 na
T10ZLLCF Very Light Tee Steel, Chromium-6 Free Pre-assembled with EO-2 functional nut 24° cone end 24° cone end 24° cone end na 10 10 10 na
T10ZS71 Heavy Tee Stainless Steel Pre-assembled with EO-2 functional nut 24° cone end 24° cone end 24° cone end na 10 10 10 na
T10ZSCF Heavy Tee Steel, Chromium-6 Free Pre-assembled with EO-2 functional nut 24° cone end 24° cone end 24° cone end na 10 10 10 na
T12L71 Light Tee Stainless Steel Pre-assembled with nut and EO-DPR cutting ring 24° cone end 24° cone end 24° cone end na 12 12 12 na
T12L71X Light Tee Stainless Steel na 24° cone end 24° cone end 24° cone end na 12 12 12 na
T12LCF Light Tee Steel, Chromium-6 Free Pre-assembled with nut and EO-PSR cutting ring 24° cone end 24° cone end 24° cone end na 12 12 12 na
T12LCFX Light Tee Steel, Chromium-6 Free na 24° cone end 24° cone end 24° cone end na 12 12 12 na
T12LL71 Very Light Tee Stainless Steel Pre-assembled with nut and EO-DPR cutting ring 24° cone end 24° cone end 24° cone end na 12 12 12 na
T12LL71X Very Light Tee Stainless Steel na 24° cone end 24° cone end 24° cone end na 12 12 12 na
T12LLCF Very Light Tee Steel, Chromium-6 Free Pre-assembled with nut and EO-PSR cutting ring 24° cone end 24° cone end 24° cone end na 12 12 12 na
T12LLCFX Very Light Tee Steel, Chromium-6 Free na 24° cone end 24° cone end 24° cone end na 12 12 12 na
T12S71 Heavy Tee Stainless Steel Pre-assembled with nut and EO-DPR cutting ring 24° cone end 24° cone end 24° cone end na 12 12 12 na
T12S71X Heavy Tee Stainless Steel na 24° cone end 24° cone end 24° cone end na 12 12 12 na
T12SCF Heavy Tee Steel, Chromium-6 Free Pre-assembled with nut and EO-PSR cutting ring 24° cone end 24° cone end 24° cone end na 12 12 12 na
T12SCFX Heavy Tee Steel, Chromium-6 Free na 24° cone end 24° cone end 24° cone end na 12 12 12 na
T12ZL71 Light Tee Stainless Steel Pre-assembled with EO-2 functional nut 24° cone end 24° cone end 24° cone end na 12 12 12 na
T12ZLCF Light Tee Steel, Chromium-6 Free Pre-assembled with EO-2 functional nut 24° cone end 24° cone end 24° cone end na 12 12 12 na
T12ZLL71 Very Light Tee Stainless Steel Pre-assembled with EO-2 functional nut 24° cone end 24° cone end 24° cone end na 12 12 12 na
T12ZLLCF Very Light Tee Steel, Chromium-6 Free Pre-assembled with EO-2 functional nut 24° cone end 24° cone end 24° cone end na 12 12 12 na
T12ZS71 Heavy Tee Stainless Steel Pre-assembled with EO-2 functional nut 24° cone end 24° cone end 24° cone end na 12 12 12 na
T12ZSCF Heavy Tee Steel, Chromium-6 Free Pre-assembled with EO-2 functional nut 24° cone end 24° cone end 24° cone end na 12 12 12 na
T14S71 Heavy Tee Stainless Steel Pre-assembled with nut and EO-DPR cutting ring 24° cone end 24° cone end 24° cone end na 14 14 14 na
T14S71X Heavy Tee Stainless Steel na 24° cone end 24° cone end 24° cone end na 14 14 14 na
T14SCF Heavy Tee Steel, Chromium-6 Free Pre-assembled with nut and EO-PSR cutting ring 24° cone end 24° cone end 24° cone end na 14 14 14 na
T14SCFX Heavy Tee Steel, Chromium-6 Free na 24° cone end 24° cone end 24° cone end na 14 14 14 na
T14ZS71 Heavy Tee Stainless Steel Pre-assembled with EO-2 functional nut 24° cone end 24° cone end 24° cone end na 14 14 14 na
T14ZSCF Heavy Tee Steel, Chromium-6 Free Pre-assembled with EO-2 functional nut 24° cone end 24° cone end 24° cone end na 14 14 14 na
T15L71 Light Tee Stainless Steel Pre-assembled with nut and EO-DPR cutting ring 24° cone end 24° cone end 24° cone end na 15 15 15 na
T15L71X Light Tee Stainless Steel na 24° cone end 24° cone end 24° cone end na 15 15 15 na
T15LCF Light Tee Steel, Chromium-6 Free Pre-assembled with nut and EO-PSR cutting ring 24° cone end 24° cone end 24° cone end na 15 15 15 na
T15LCFX Light Tee Steel, Chromium-6 Free na 24° cone end 24° cone end 24° cone end na 15 15 15 na
T15ZL71 Light Tee Stainless Steel Pre-assembled with EO-2 functional nut 24° cone end 24° cone end 24° cone end na 15 15 15 na
T15ZLCF Light Tee Steel, Chromium-6 Free Pre-assembled with EO-2 functional nut 24° cone end 24° cone end 24° cone end na 15 15 15 na
T16S71 Heavy Tee Stainless Steel Pre-assembled with nut and EO-DPR cutting ring 24° cone end 24° cone end 24° cone end na 16 16 16 na
T16S71X Heavy Tee Stainless Steel na 24° cone end 24° cone end 24° cone end na 16 16 16 na
T16SCF Heavy Tee Steel, Chromium-6 Free Pre-assembled with nut and EO-PSR cutting ring 24° cone end 24° cone end 24° cone end na 16 16 16 na
T16SCFX Heavy Tee Steel, Chromium-6 Free na 24° cone end 24° cone end 24° cone end na 16 16 16 na
T16ZS71 Heavy Tee Stainless Steel Pre-assembled with EO-2 functional nut 24° cone end 24° cone end 24° cone end na 16 16 16 na
T16ZSCF Heavy Tee Steel, Chromium-6 Free Pre-assembled with EO-2 functional nut 24° cone end 24° cone end 24° cone end na 16 16 16 na
T18L71 Light Tee Stainless Steel Pre-assembled with nut and EO-DPR cutting ring 24° cone end 24° cone end 24° cone end na 18 18 18 na
T18L71X Light Tee Stainless Steel na 24° cone end 24° cone end 24° cone end na 18 18 18 na
T18LCF Light Tee Steel, Chromium-6 Free Pre-assembled with nut and EO-PSR cutting ring 24° cone end 24° cone end 24° cone end na 18 18 18 na
T18LCFX Light Tee Steel, Chromium-6 Free na 24° cone end 24° cone end 24° cone end na 18 18 18 na
T18ZL71 Light Tee Stainless Steel Pre-assembled with EO-2 functional nut 24° cone end 24° cone end 24° cone end na 18 18 18 na
T18ZLCF Light Tee Steel, Chromium-6 Free Pre-assembled with EO-2 functional nut 24° cone end 24° cone end 24° cone end na 18 18 18 na
T20S71 Heavy Tee Stainless Steel Pre-assembled with nut and EO-DPR cutting ring 24° cone end 24° cone end 24° cone end na 20 20 20 na
T20S71X Heavy Tee Stainless Steel na 24° cone end 24° cone end 24° cone end na 20 20 20 na
T20SCF Heavy Tee Steel, Chromium-6 Free Pre-assembled with nut and EO-PSR cutting ring 24° cone end 24° cone end 24° cone end na 20 20 20 na
T20SCFX Heavy Tee Steel, Chromium-6 Free na 24° cone end 24° cone end 24° cone end na 20 20 20 na
T20ZS71 Heavy Tee Stainless Steel Pre-assembled with EO-2 functional nut 24° cone end 24° cone end 24° cone end na 20 20 20 na
T20ZSCF Heavy Tee Steel, Chromium-6 Free Pre-assembled with EO-2 functional nut 24° cone end 24° cone end 24° cone end na 20 20 20 na
T22L71 Light Tee Stainless Steel Pre-assembled with nut and EO-DPR cutting ring 24° cone end 24° cone end 24° cone end na 22 22 22 na
T22L71X Light Tee Stainless Steel na 24° cone end 24° cone end 24° cone end na 22 22 22 na
T22LCF Light Tee Steel, Chromium-6 Free Pre-assembled with nut and EO-PSR cutting ring 24° cone end 24° cone end 24° cone end na 22 22 22 na
T22LCFX Light Tee Steel, Chromium-6 Free na 24° cone end 24° cone end 24° cone end na 22 22 22 na
T22ZL71 Light Tee Stainless Steel Pre-assembled with EO-2 functional nut 24° cone end 24° cone end 24° cone end na 22 22 22 na
T22ZLCF Light Tee Steel, Chromium-6 Free Pre-assembled with EO-2 functional nut 24° cone end 24° cone end 24° cone end na 22 22 22 na
T25S71 Heavy Tee Stainless Steel Pre-assembled with nut and EO-DPR cutting ring 24° cone end 24° cone end 24° cone end na 25 25 25 na
T25S71X Heavy Tee Stainless Steel na 24° cone end 24° cone end 24° cone end na 25 25 25 na
T25SCF Heavy Tee Steel, Chromium-6 Free Pre-assembled with nut and EO-PSR cutting ring 24° cone end 24° cone end 24° cone end na 25 25 25 na
T25SCFX Heavy Tee Steel, Chromium-6 Free na 24° cone end 24° cone end 24° cone end na 25 25 25 na
T25ZS71 Heavy Tee Stainless Steel Pre-assembled with EO-2 functional nut 24° cone end 24° cone end 24° cone end na 25 25 25 na
T25ZSCF Heavy Tee Steel, Chromium-6 Free Pre-assembled with EO-2 functional nut 24° cone end 24° cone end 24° cone end na 25 25 25 na
T28L71 Light Tee Stainless Steel Pre-assembled with nut and EO-DPR cutting ring 24° cone end 24° cone end 24° cone end na 28 28 28 na
T28L71X Light Tee Stainless Steel na 24° cone end 24° cone end 24° cone end na 28 28 28 na
T28LCF Light Tee Steel, Chromium-6 Free Pre-assembled with nut and EO-PSR cutting ring 24° cone end 24° cone end 24° cone end na 28 28 28 na
T28LCFX Light Tee Steel, Chromium-6 Free na 24° cone end 24° cone end 24° cone end na 28 28 28 na
T28ZL71 Light Tee Stainless Steel Pre-assembled with EO-2 functional nut 24° cone end 24° cone end 24° cone end na 28 28 28 na
T28ZLCF Light Tee Steel, Chromium-6 Free Pre-assembled with EO-2 functional nut 24° cone end 24° cone end 24° cone end na 28 28 28 na
T30S71 Heavy Tee Stainless Steel Pre-assembled with nut and EO-DPR cutting ring 24° cone end 24° cone end 24° cone end na 30 30 30 na
T30S71X Heavy Tee Stainless Steel na 24° cone end 24° cone end 24° cone end na 30 30 30 na
T30SCF Heavy Tee Steel, Chromium-6 Free Pre-assembled with nut and EO-PSR cutting ring 24° cone end 24° cone end 24° cone end na 30 30 30 na
T30SCFX Heavy Tee Steel, Chromium-6 Free na 24° cone end 24° cone end 24° cone end na 30 30 30 na
T30ZS71 Heavy Tee Stainless Steel Pre-assembled with EO-2 functional nut 24° cone end 24° cone end 24° cone end na 30 30 30 na
T30ZSCF Heavy Tee Steel, Chromium-6 Free Pre-assembled with EO-2 functional nut 24° cone end 24° cone end 24° cone end na 30 30 30 na
T35L71 Light Tee Stainless Steel Pre-assembled with nut and EO-DPR cutting ring 24° cone end 24° cone end 24° cone end na 35 35 35 na
T35L71X Light Tee Stainless Steel na 24° cone end 24° cone end 24° cone end na 35 35 35 na
T35LCF Light Tee Steel, Chromium-6 Free Pre-assembled with nut and EO-PSR cutting ring 24° cone end 24° cone end 24° cone end na 35 35 35 na
T35LCFX Light Tee Steel, Chromium-6 Free na 24° cone end 24° cone end 24° cone end na 35 35 35 na
T35ZL71 Light Tee Stainless Steel Pre-assembled with EO-2 functional nut 24° cone end 24° cone end 24° cone end na 35 35 35 na
T35ZLCF Light Tee Steel, Chromium-6 Free Pre-assembled with EO-2 functional nut 24° cone end 24° cone end 24° cone end na 35 35 35 na
T38S71 Heavy Tee Stainless Steel Pre-assembled with nut and EO-DPR cutting ring 24° cone end 24° cone end 24° cone end na 38 38 38 na
T38S71X Heavy Tee Stainless Steel na 24° cone end 24° cone end 24° cone end na 38 38 38 na
T38SCF Heavy Tee Steel, Chromium-6 Free Pre-assembled with nut and EO-PSR cutting ring 24° cone end 24° cone end 24° cone end na 38 38 38 na
T38SCFX Heavy Tee Steel, Chromium-6 Free na 24° cone end 24° cone end 24° cone end na 38 38 38 na
T38ZS71 Heavy Tee Stainless Steel Pre-assembled with EO-2 functional nut 24° cone end 24° cone end 24° cone end na 38 38 38 na
T38ZSCF Heavy Tee Steel, Chromium-6 Free Pre-assembled with EO-2 functional nut 24° cone end 24° cone end 24° cone end na 38 38 38 na
T42L71 Light Tee Stainless Steel Pre-assembled with nut and EO-DPR cutting ring 24° cone end 24° cone end 24° cone end na 42 42 42 na
T42L71X Light Tee Stainless Steel na 24° cone end 24° cone end 24° cone end na 42 42 42 na
T42LCF Light Tee Steel, Chromium-6 Free Pre-assembled with nut and EO-PSR cutting ring 24° cone end 24° cone end 24° cone end na 42 42 42 na
T42LCFX Light Tee Steel, Chromium-6 Free na 24° cone end 24° cone end 24° cone end na 42 42 42 na
T42ZL71 Light Tee Stainless Steel Pre-assembled with EO-2 functional nut 24° cone end 24° cone end 24° cone end na 42 42 42 na
T42ZLCF Light Tee Steel, Chromium-6 Free Pre-assembled with EO-2 functional nut 24° cone end 24° cone end 24° cone end na 42 42 42 na
TR04/08/04LL71 Very Light TEE reduction Stainless Steel Pre-assembled with nut and EO-DPR cutting ring 24° cone end 24° cone end 24° cone end na 4 8 4 na
TR04/08/04LL71X Very Light TEE reduction Stainless Steel na 24° cone end 24° cone end 24° cone end na 4 8 4 na
TR04/08/04LLCF Very Light TEE reduction Steel, Chromium-6 Free Pre-assembled with nut and EO-PSR cutting ring 24° cone end 24° cone end 24° cone end na 4 8 4 na
TR04/08/04LLCFX Very Light TEE reduction Steel, Chromium-6 Free na 24° cone end 24° cone end 24° cone end na 4 8 4 na
TR04/08/04ZLL71 Very Light TEE reduction Stainless Steel Pre-assembled with EO-2 functional nut 24° cone end 24° cone end 24° cone end na 4 8 4 na
TR04/08/04ZLLCF Very Light TEE reduction Steel, Chromium-6 Free Pre-assembled with EO-2 functional nut 24° cone end 24° cone end 24° cone end na 4 8 4 na
TR06/04/06LL71 Very Light TEE reduction Stainless Steel Pre-assembled with nut and EO-DPR cutting ring 24° cone end 24° cone end 24° cone end na 6 4 6 na
TR06/04/06LL71X Very Light TEE reduction Stainless Steel na 24° cone end 24° cone end 24° cone end na 6 4 6 na
TR06/04/06LLCF Very Light TEE reduction Steel, Chromium-6 Free Pre-assembled with nut and EO-PSR cutting ring 24° cone end 24° cone end 24° cone end na 6 4 6 na
TR06/04/06LLCFX Very Light TEE reduction Steel, Chromium-6 Free na 24° cone end 24° cone end 24° cone end na 6 4 6 na
TR06/04/06ZLL71 Very Light TEE reduction Stainless Steel Pre-assembled with EO-2 functional nut 24° cone end 24° cone end 24° cone end na 6 4 6 na
TR06/04/06ZLLCF Very Light TEE reduction Steel, Chromium-6 Free Pre-assembled with EO-2 functional nut 24° cone end 24° cone end 24° cone end na 6 4 6 na
TR06/08/06L71 Light TEE reduction Stainless Steel Pre-assembled with nut and EO-DPR cutting ring 24° cone end 24° cone end 24° cone end na 6 8 6 na
TR06/08/06L71X Light TEE reduction Stainless Steel na 24° cone end 24° cone end 24° cone end na 6 8 6 na
TR06/08/06LCF Light TEE reduction Steel, Chromium-6 Free Pre-assembled with nut and EO-PSR cutting ring 24° cone end 24° cone end 24° cone end na 6 8 6 na
TR06/08/06LCFX Light TEE reduction Steel, Chromium-6 Free na 24° cone end 24° cone end 24° cone end na 6 8 6 na
TR06/08/06ZL71 Light TEE reduction Stainless Steel Pre-assembled with EO-2 functional nut 24° cone end 24° cone end 24° cone end na 6 8 6 na
TR06/08/06ZLCF Light TEE reduction Steel, Chromium-6 Free Pre-assembled with EO-2 functional nut 24° cone end 24° cone end 24° cone end na 6 8 6 na
TR06/10/06L71 Light TEE reduction Stainless Steel Pre-assembled with nut and EO-DPR cutting ring 24° cone end 24° cone end 24° cone end na 6 10 6 na
TR06/10/06L71X Light TEE reduction Stainless Steel na 24° cone end 24° cone end 24° cone end na 6 10 6 na
TR06/10/06LCF Light TEE reduction Steel, Chromium-6 Free Pre-assembled with nut and EO-PSR cutting ring 24° cone end 24° cone end 24° cone end na 6 10 6 na
TR06/10/06LCFX Light TEE reduction Steel, Chromium-6 Free na 24° cone end 24° cone end 24° cone end na 6 10 6 na
TR06/10/06ZL71 Light TEE reduction Stainless Steel Pre-assembled with EO-2 functional nut 24° cone end 24° cone end 24° cone end na 6 10 6 na
TR06/10/06ZLCF Light TEE reduction Steel, Chromium-6 Free Pre-assembled with EO-2 functional nut 24° cone end 24° cone end 24° cone end na 6 10 6 na
TR08/06/08L71 Light TEE reduction Stainless Steel Pre-assembled with nut and EO-DPR cutting ring 24° cone end 24° cone end 24° cone end na 8 6 8 na
TR08/06/08L71X Light TEE reduction Stainless Steel na 24° cone end 24° cone end 24° cone end na 8 6 8 na
TR08/06/08LCF Light TEE reduction Steel, Chromium-6 Free Pre-assembled with nut and EO-PSR cutting ring 24° cone end 24° cone end 24° cone end na 8 6 8 na
TR08/06/08LCFX Light TEE reduction Steel, Chromium-6 Free na 24° cone end 24° cone end 24° cone end na 8 6 8 na
TR08/06/08ZL71 Light TEE reduction Stainless Steel Pre-assembled with EO-2 functional nut 24° cone end 24° cone end 24° cone end na 8 6 8 na
TR08/06/08ZLCF Light TEE reduction Steel, Chromium-6 Free Pre-assembled with EO-2 functional nut 24° cone end 24° cone end 24° cone end na 8 6 8 na
TR08/10/08L71 Light TEE reduction Stainless Steel Pre-assembled with nut and EO-DPR cutting ring 24° cone end 24° cone end 24° cone end na 8 10 8 na
TR08/10/08L71X Light TEE reduction Stainless Steel na 24° cone end 24° cone end 24° cone end na 8 10 8 na
TR08/10/08LCF Light TEE reduction Steel, Chromium-6 Free Pre-assembled with nut and EO-PSR cutting ring 24° cone end 24° cone end 24° cone end na 8 10 8 na
TR08/10/08LCFX Light TEE reduction Steel, Chromium-6 Free na 24° cone end 24° cone end 24° cone end na 8 10 8 na
TR08/10/08ZL71 Light TEE reduction Stainless Steel Pre-assembled with EO-2 functional nut 24° cone end 24° cone end 24° cone end na 8 10 8 na
TR08/10/08ZLCF Light TEE reduction Steel, Chromium-6 Free Pre-assembled with EO-2 functional nut 24° cone end 24° cone end 24° cone end na 8 10 8 na
TR08/12/08L71 Light TEE reduction Stainless Steel Pre-assembled with nut and EO-DPR cutting ring 24° cone end 24° cone end 24° cone end na 8 12 8 na
TR08/12/08L71X Light TEE reduction Stainless Steel na 24° cone end 24° cone end 24° cone end na 8 12 8 na
TR08/12/08LCF Light TEE reduction Steel, Chromium-6 Free Pre-assembled with nut and EO-PSR cutting ring 24° cone end 24° cone end 24° cone end na 8 12 8 na
TR08/12/08LCFX Light TEE reduction Steel, Chromium-6 Free na 24° cone end 24° cone end 24° cone end na 8 12 8 na
TR08/12/08ZL71 Light TEE reduction Stainless Steel Pre-assembled with EO-2 functional nut 24° cone end 24° cone end 24° cone end na 8 12 8 na
TR08/12/08ZLCF Light TEE reduction Steel, Chromium-6 Free Pre-assembled with EO-2 functional nut 24° cone end 24° cone end 24° cone end na 8 12 8 na
TR10/06/10L71 Light TEE reduction Stainless Steel Pre-assembled with nut and EO-DPR cutting ring 24° cone end 24° cone end 24° cone end na 10 6 10 na
TR10/06/10L71X Light TEE reduction Stainless Steel na 24° cone end 24° cone end 24° cone end na 10 6 10 na
TR10/06/10LCF Light TEE reduction Steel, Chromium-6 Free Pre-assembled with nut and EO-PSR cutting ring 24° cone end 24° cone end 24° cone end na 10 6 10 na
TR10/06/10LCFX Light TEE reduction Steel, Chromium-6 Free na 24° cone end 24° cone end 24° cone end na 10 6 10 na
TR10/06/10S71 Heavy TEE reduction Stainless Steel Pre-assembled with nut and EO-DPR cutting ring 24° cone end 24° cone end 24° cone end na 10 6 10 na
TR10/06/10S71X Heavy TEE reduction Stainless Steel na 24° cone end 24° cone end 24° cone end na 10 6 10 na
TR10/06/10SCF Heavy TEE reduction Steel, Chromium-6 Free Pre-assembled with nut and EO-PSR cutting ring 24° cone end 24° cone end 24° cone end na 10 6 10 na
TR10/06/10SCFX Heavy TEE reduction Steel, Chromium-6 Free na 24° cone end 24° cone end 24° cone end na 10 6 10 na
TR10/06/10ZL71 Light TEE reduction Stainless Steel Pre-assembled with EO-2 functional nut 24° cone end 24° cone end 24° cone end na 10 6 10 na
TR10/06/10ZLCF Light TEE reduction Steel, Chromium-6 Free Pre-assembled with EO-2 functional nut 24° cone end 24° cone end 24° cone end na 10 6 10 na
TR10/06/10ZS71 Heavy TEE reduction Stainless Steel Pre-assembled with EO-2 functional nut 24° cone end 24° cone end 24° cone end na 10 6 10 na
TR10/06/10ZSCF Heavy TEE reduction Steel, Chromium-6 Free Pre-assembled with EO-2 functional nut 24° cone end 24° cone end 24° cone end na 10 6 10 na
TR10/08/10L71 Light TEE reduction Stainless Steel Pre-assembled with nut and EO-DPR cutting ring 24° cone end 24° cone end 24° cone end na 10 8 10 na
TR10/08/10L71X Light TEE reduction Stainless Steel na 24° cone end 24° cone end 24° cone end na 10 8 10 na
TR10/08/10LCF Light TEE reduction Steel, Chromium-6 Free Pre-assembled with nut and EO-PSR cutting ring 24° cone end 24° cone end 24° cone end na 10 8 10 na
TR10/08/10LCFX Light TEE reduction Steel, Chromium-6 Free na 24° cone end 24° cone end 24° cone end na 10 8 10 na
TR10/08/10ZL71 Light TEE reduction Stainless Steel Pre-assembled with EO-2 functional nut 24° cone end 24° cone end 24° cone end na 10 8 10 na
TR10/08/10ZLCF Light TEE reduction Steel, Chromium-6 Free Pre-assembled with EO-2 functional nut 24° cone end 24° cone end 24° cone end na 10 8 10 na
TR10/10/06L71 Light TEE reduction Stainless Steel Pre-assembled with nut and EO-DPR cutting ring 24° cone end 24° cone end 24° cone end na 10 10 6 na
TR10/10/06L71X Light TEE reduction Stainless Steel na 24° cone end 24° cone end 24° cone end na 10 10 6 na
TR10/10/06LCF Light TEE reduction Steel, Chromium-6 Free Pre-assembled with nut and EO-PSR cutting ring 24° cone end 24° cone end 24° cone end na 10 10 6 na
TR10/10/06LCFX Light TEE reduction Steel, Chromium-6 Free na 24° cone end 24° cone end 24° cone end na 10 10 6 na
TR10/10/06ZL71 Light TEE reduction Stainless Steel Pre-assembled with EO-2 functional nut 24° cone end 24° cone end 24° cone end na 10 10 6 na
TR10/10/06ZLCF Light TEE reduction Steel, Chromium-6 Free Pre-assembled with EO-2 functional nut 24° cone end 24° cone end 24° cone end na 10 10 6 na
TR10/15/10L71 Light TEE reduction Stainless Steel Pre-assembled with nut and EO-DPR cutting ring 24° cone end 24° cone end 24° cone end na 10 15 10 na
TR10/15/10L71X Light TEE reduction Stainless Steel na 24° cone end 24° cone end 24° cone end na 10 15 10 na
TR10/15/10LCF Light TEE reduction Steel, Chromium-6 Free Pre-assembled with nut and EO-PSR cutting ring 24° cone end 24° cone end 24° cone end na 10 15 10 na
TR10/15/10LCFX Light TEE reduction Steel, Chromium-6 Free na 24° cone end 24° cone end 24° cone end na 10 15 10 na
TR10/15/10ZL71 Light TEE reduction Stainless Steel Pre-assembled with EO-2 functional nut 24° cone end 24° cone end 24° cone end na 10 15 10 na
TR10/15/10ZLCF Light TEE reduction Steel, Chromium-6 Free Pre-assembled with EO-2 functional nut 24° cone end 24° cone end 24° cone end na 10 15 10 na
TR12/06/12L71 Light TEE reduction Stainless Steel Pre-assembled with nut and EO-DPR cutting ring 24° cone end 24° cone end 24° cone end na 12 6 12 na
TR12/06/12L71X Light TEE reduction Stainless Steel na 24° cone end 24° cone end 24° cone end na 12 6 12 na
TR12/06/12LCF Light TEE reduction Steel, Chromium-6 Free Pre-assembled with nut and EO-PSR cutting ring 24° cone end 24° cone end 24° cone end na 12 6 12 na
TR12/06/12LCFX Light TEE reduction Steel, Chromium-6 Free na 24° cone end 24° cone end 24° cone end na 12 6 12 na
TR12/06/12ZL71 Light TEE reduction Stainless Steel Pre-assembled with EO-2 functional nut 24° cone end 24° cone end 24° cone end na 12 6 12 na
TR12/06/12ZLCF Light TEE reduction Steel, Chromium-6 Free Pre-assembled with EO-2 functional nut 24° cone end 24° cone end 24° cone end na 12 6 12 na
TR12/08/08L71 Light TEE reduction Stainless Steel Pre-assembled with nut and EO-DPR cutting ring 24° cone end 24° cone end 24° cone end na 12 8 8 na
TR12/08/08L71X Light TEE reduction Stainless Steel na 24° cone end 24° cone end 24° cone end na 12 8 8 na
TR12/08/08LCF Light TEE reduction Steel, Chromium-6 Free Pre-assembled with nut and EO-PSR cutting ring 24° cone end 24° cone end 24° cone end na 12 8 8 na
TR12/08/08LCFX Light TEE reduction Steel, Chromium-6 Free na 24° cone end 24° cone end 24° cone end na 12 8 8 na
TR12/08/08S71 Heavy TEE reduction Stainless Steel Pre-assembled with nut and EO-DPR cutting ring 24° cone end 24° cone end 24° cone end na 12 8 8 na
TR12/08/08S71X Heavy TEE reduction Stainless Steel na 24° cone end 24° cone end 24° cone end na 12 8 8 na
TR12/08/08SCF Heavy TEE reduction Steel, Chromium-6 Free Pre-assembled with nut and EO-PSR cutting ring 24° cone end 24° cone end 24° cone end na 12 8 8 na
TR12/08/08SCFX Heavy TEE reduction Steel, Chromium-6 Free na 24° cone end 24° cone end 24° cone end na 12 8 8 na
TR12/08/08ZL71 Light TEE reduction Stainless Steel Pre-assembled with EO-2 functional nut 24° cone end 24° cone end 24° cone end na 12 8 8 na
TR12/08/08ZLCF Light TEE reduction Steel, Chromium-6 Free Pre-assembled with EO-2 functional nut 24° cone end 24° cone end 24° cone end na 12 8 8 na
TR12/08/08ZS71 Heavy TEE reduction Stainless Steel Pre-assembled with EO-2 functional nut 24° cone end 24° cone end 24° cone end na 12 8 8 na
TR12/08/08ZSCF Heavy TEE reduction Steel, Chromium-6 Free Pre-assembled with EO-2 functional nut 24° cone end 24° cone end 24° cone end na 12 8 8 na
TR12/08/12L71 Light TEE reduction Stainless Steel Pre-assembled with nut and EO-DPR cutting ring 24° cone end 24° cone end 24° cone end na 12 8 12 na
TR12/08/12L71X Light TEE reduction Stainless Steel na 24° cone end 24° cone end 24° cone end na 12 8 12 na
TR12/08/12LCF Light TEE reduction Steel, Chromium-6 Free Pre-assembled with nut and EO-PSR cutting ring 24° cone end 24° cone end 24° cone end na 12 8 12 na
TR12/08/12LCFX Light TEE reduction Steel, Chromium-6 Free na 24° cone end 24° cone end 24° cone end na 12 8 12 na
TR12/08/12S71 Heavy TEE reduction Stainless Steel Pre-assembled with nut and EO-DPR cutting ring 24° cone end 24° cone end 24° cone end na 12 8 12 na
TR12/08/12S71X Heavy TEE reduction Stainless Steel na 24° cone end 24° cone end 24° cone end na 12 8 12 na
TR12/08/12SCF Heavy TEE reduction Steel, Chromium-6 Free Pre-assembled with nut and EO-PSR cutting ring 24° cone end 24° cone end 24° cone end na 12 8 12 na
TR12/08/12SCFX Heavy TEE reduction Steel, Chromium-6 Free na 24° cone end 24° cone end 24° cone end na 12 8 12 na
TR12/08/12ZL71 Light TEE reduction Stainless Steel Pre-assembled with EO-2 functional nut 24° cone end 24° cone end 24° cone end na 12 8 12 na
TR12/08/12ZLCF Light TEE reduction Steel, Chromium-6 Free Pre-assembled with EO-2 functional nut 24° cone end 24° cone end 24° cone end na 12 8 12 na
TR12/08/12ZS71 Heavy TEE reduction Stainless Steel Pre-assembled with EO-2 functional nut 24° cone end 24° cone end 24° cone end na 12 8 12 na
TR12/08/12ZSCF Heavy TEE reduction Steel, Chromium-6 Free Pre-assembled with EO-2 functional nut 24° cone end 24° cone end 24° cone end na 12 8 12 na
TR12/10/12L71 Light TEE reduction Stainless Steel Pre-assembled with nut and EO-DPR cutting ring 24° cone end 24° cone end 24° cone end na 12 10 12 na
TR12/10/12L71X Light TEE reduction Stainless Steel na 24° cone end 24° cone end 24° cone end na 12 10 12 na
TR12/10/12LCF Light TEE reduction Steel, Chromium-6 Free Pre-assembled with nut and EO-PSR cutting ring 24° cone end 24° cone end 24° cone end na 12 10 12 na
TR12/10/12LCFX Light TEE reduction Steel, Chromium-6 Free na 24° cone end 24° cone end 24° cone end na 12 10 12 na
TR12/10/12S71 Heavy TEE reduction Stainless Steel Pre-assembled with nut and EO-DPR cutting ring 24° cone end 24° cone end 24° cone end na 12 10 12 na
TR12/10/12S71X Heavy TEE reduction Stainless Steel na 24° cone end 24° cone end 24° cone end na 12 10 12 na
TR12/10/12SCF Heavy TEE reduction Steel, Chromium-6 Free Pre-assembled with nut and EO-PSR cutting ring 24° cone end 24° cone end 24° cone end na 12 10 12 na
TR12/10/12SCFX Heavy TEE reduction Steel, Chromium-6 Free na 24° cone end 24° cone end 24° cone end na 12 10 12 na
TR12/10/12ZL71 Light TEE reduction Stainless Steel Pre-assembled with EO-2 functional nut 24° cone end 24° cone end 24° cone end na 12 10 12 na
TR12/10/12ZLCF Light TEE reduction Steel, Chromium-6 Free Pre-assembled with EO-2 functional nut 24° cone end 24° cone end 24° cone end na 12 10 12 na
TR12/10/12ZS71 Heavy TEE reduction Stainless Steel Pre-assembled with EO-2 functional nut 24° cone end 24° cone end 24° cone end na 12 10 12 na
TR12/10/12ZSCF Heavy TEE reduction Steel, Chromium-6 Free Pre-assembled with EO-2 functional nut 24° cone end 24° cone end 24° cone end na 12 10 12 na
TR12/12/10L71 Light TEE reduction Stainless Steel Pre-assembled with nut and EO-DPR cutting ring 24° cone end 24° cone end 24° cone end na 12 12 10 na
TR12/12/10L71X Light TEE reduction Stainless Steel na 24° cone end 24° cone end 24° cone end na 12 12 10 na
TR12/12/10LCF Light TEE reduction Steel, Chromium-6 Free Pre-assembled with nut and EO-PSR cutting ring 24° cone end 24° cone end 24° cone end na 12 12 10 na
TR12/12/10LCFX Light TEE reduction Steel, Chromium-6 Free na 24° cone end 24° cone end 24° cone end na 12 12 10 na
TR12/12/10ZL71 Light TEE reduction Stainless Steel Pre-assembled with EO-2 functional nut 24° cone end 24° cone end 24° cone end na 12 12 10 na
TR12/12/10ZLCF Light TEE reduction Steel, Chromium-6 Free Pre-assembled with EO-2 functional nut 24° cone end 24° cone end 24° cone end na 12 12 10 na
TR12/15/12L71 Light TEE reduction Stainless Steel Pre-assembled with nut and EO-DPR cutting ring 24° cone end 24° cone end 24° cone end na 12 15 12 na
TR12/15/12L71X Light TEE reduction Stainless Steel na 24° cone end 24° cone end 24° cone end na 12 15 12 na
TR12/15/12LCF Light TEE reduction Steel, Chromium-6 Free Pre-assembled with nut and EO-PSR cutting ring 24° cone end 24° cone end 24° cone end na 12 15 12 na
TR12/15/12LCFX Light TEE reduction Steel, Chromium-6 Free na 24° cone end 24° cone end 24° cone end na 12 15 12 na
TR12/15/12ZL71 Light TEE reduction Stainless Steel Pre-assembled with EO-2 functional nut 24° cone end 24° cone end 24° cone end na 12 15 12 na
TR12/15/12ZLCF Light TEE reduction Steel, Chromium-6 Free Pre-assembled with EO-2 functional nut 24° cone end 24° cone end 24° cone end na 12 15 12 na
TR12/16/12S71 Heavy TEE reduction Stainless Steel Pre-assembled with nut and EO-DPR cutting ring 24° cone end 24° cone end 24° cone end na 12 16 12 na
TR12/16/12S71X Heavy TEE reduction Stainless Steel na 24° cone end 24° cone end 24° cone end na 12 16 12 na
TR12/16/12SCF Heavy TEE reduction Steel, Chromium-6 Free Pre-assembled with nut and EO-PSR cutting ring 24° cone end 24° cone end 24° cone end na 12 16 12 na
TR12/16/12SCFX Heavy TEE reduction Steel, Chromium-6 Free na 24° cone end 24° cone end 24° cone end na 12 16 12 na
TR12/16/12ZS71 Heavy TEE reduction Stainless Steel Pre-assembled with EO-2 functional nut 24° cone end 24° cone end 24° cone end na 12 16 12 na
TR12/16/12ZSCF Heavy TEE reduction Steel, Chromium-6 Free Pre-assembled with EO-2 functional nut 24° cone end 24° cone end 24° cone end na 12 16 12 na
TR12/18/12L71 Light TEE reduction Stainless Steel Pre-assembled with nut and EO-DPR cutting ring 24° cone end 24° cone end 24° cone end na 12 18 12 na
TR12/18/12L71X Light TEE reduction Stainless Steel na 24° cone end 24° cone end 24° cone end na 12 18 12 na
TR12/18/12LCF Light TEE reduction Steel, Chromium-6 Free Pre-assembled with nut and EO-PSR cutting ring 24° cone end 24° cone end 24° cone end na 12 18 12 na
TR12/18/12LCFX Light TEE reduction Steel, Chromium-6 Free na 24° cone end 24° cone end 24° cone end na 12 18 12 na
TR12/18/12ZL71 Light TEE reduction Stainless Steel Pre-assembled with EO-2 functional nut 24° cone end 24° cone end 24° cone end na 12 18 12 na
TR12/18/12ZLCF Light TEE reduction Steel, Chromium-6 Free Pre-assembled with EO-2 functional nut 24° cone end 24° cone end 24° cone end na 12 18 12 na
TR15/06/15L71 Light TEE reduction Stainless Steel Pre-assembled with nut and EO-DPR cutting ring 24° cone end 24° cone end 24° cone end na 15 6 15 na
TR15/06/15L71X Light TEE reduction Stainless Steel na 24° cone end 24° cone end 24° cone end na 15 6 15 na
TR15/06/15LCF Light TEE reduction Steel, Chromium-6 Free Pre-assembled with nut and EO-PSR cutting ring 24° cone end 24° cone end 24° cone end na 15 6 15 na
TR15/06/15LCFX Light TEE reduction Steel, Chromium-6 Free na 24° cone end 24° cone end 24° cone end na 15 6 15 na
TR15/06/15ZL71 Light TEE reduction Stainless Steel Pre-assembled with EO-2 functional nut 24° cone end 24° cone end 24° cone end na 15 6 15 na
TR15/06/15ZLCF Light TEE reduction Steel, Chromium-6 Free Pre-assembled with EO-2 functional nut 24° cone end 24° cone end 24° cone end na 15 6 15 na
TR15/10/15L71 Light TEE reduction Stainless Steel Pre-assembled with nut and EO-DPR cutting ring 24° cone end 24° cone end 24° cone end na 15 10 15 na
TR15/10/15L71X Light TEE reduction Stainless Steel na 24° cone end 24° cone end 24° cone end na 15 10 15 na
TR15/10/15LCF Light TEE reduction Steel, Chromium-6 Free Pre-assembled with nut and EO-PSR cutting ring 24° cone end 24° cone end 24° cone end na 15 10 15 na
TR15/10/15LCFX Light TEE reduction Steel, Chromium-6 Free na 24° cone end 24° cone end 24° cone end na 15 10 15 na
TR15/10/15ZL71 Light TEE reduction Stainless Steel Pre-assembled with EO-2 functional nut 24° cone end 24° cone end 24° cone end na 15 10 15 na
TR15/10/15ZLCF Light TEE reduction Steel, Chromium-6 Free Pre-assembled with EO-2 functional nut 24° cone end 24° cone end 24° cone end na 15 10 15 na
TR15/12/12L71 Light TEE reduction Stainless Steel Pre-assembled with nut and EO-DPR cutting ring 24° cone end 24° cone end 24° cone end na 15 12 12 na
TR15/12/12L71X Light TEE reduction Stainless Steel na 24° cone end 24° cone end 24° cone end na 15 12 12 na
TR15/12/12LCF Light TEE reduction Steel, Chromium-6 Free Pre-assembled with nut and EO-PSR cutting ring 24° cone end 24° cone end 24° cone end na 15 12 12 na
TR15/12/12LCFX Light TEE reduction Steel, Chromium-6 Free na 24° cone end 24° cone end 24° cone end na 15 12 12 na
TR15/12/12ZL71 Light TEE reduction Stainless Steel Pre-assembled with EO-2 functional nut 24° cone end 24° cone end 24° cone end na 15 12 12 na
TR15/12/12ZLCF Light TEE reduction Steel, Chromium-6 Free Pre-assembled with EO-2 functional nut 24° cone end 24° cone end 24° cone end na 15 12 12 na
TR15/12/15L71 Light TEE reduction Stainless Steel Pre-assembled with nut and EO-DPR cutting ring 24° cone end 24° cone end 24° cone end na 15 12 15 na
TR15/12/15L71X Light TEE reduction Stainless Steel na 24° cone end 24° cone end 24° cone end na 15 12 15 na
TR15/12/15LCF Light TEE reduction Steel, Chromium-6 Free Pre-assembled with nut and EO-PSR cutting ring 24° cone end 24° cone end 24° cone end na 15 12 15 na
TR15/12/15LCFX Light TEE reduction Steel, Chromium-6 Free na 24° cone end 24° cone end 24° cone end na 15 12 15 na
TR15/12/15ZL71 Light TEE reduction Stainless Steel Pre-assembled with EO-2 functional nut 24° cone end 24° cone end 24° cone end na 15 12 15 na
TR15/12/15ZLCF Light TEE reduction Steel, Chromium-6 Free Pre-assembled with EO-2 functional nut 24° cone end 24° cone end 24° cone end na 15 12 15 na
TR15/15/12L71 Light TEE reduction Stainless Steel Pre-assembled with nut and EO-DPR cutting ring 24° cone end 24° cone end 24° cone end na 15 15 12 na
TR15/15/12L71X Light TEE reduction Stainless Steel na 24° cone end 24° cone end 24° cone end na 15 15 12 na
TR15/15/12LCF Light TEE reduction Steel, Chromium-6 Free Pre-assembled with nut and EO-PSR cutting ring 24° cone end 24° cone end 24° cone end na 15 15 12 na
TR15/15/12LCFX Light TEE reduction Steel, Chromium-6 Free na 24° cone end 24° cone end 24° cone end na 15 15 12 na
TR15/15/12ZL71 Light TEE reduction Stainless Steel Pre-assembled with EO-2 functional nut 24° cone end 24° cone end 24° cone end na 15 15 12 na
TR15/15/12ZLCF Light TEE reduction Steel, Chromium-6 Free Pre-assembled with EO-2 functional nut 24° cone end 24° cone end 24° cone end na 15 15 12 na
TR16/06/16S71 Heavy TEE reduction Stainless Steel Pre-assembled with nut and EO-DPR cutting ring 24° cone end 24° cone end 24° cone end na 16 6 16 na
TR16/06/16S71X Heavy TEE reduction Stainless Steel na 24° cone end 24° cone end 24° cone end na 16 6 16 na
TR16/06/16SCF Heavy TEE reduction Steel, Chromium-6 Free Pre-assembled with nut and EO-PSR cutting ring 24° cone end 24° cone end 24° cone end na 16 6 16 na
TR16/06/16SCFX Heavy TEE reduction Steel, Chromium-6 Free na 24° cone end 24° cone end 24° cone end na 16 6 16 na
TR16/06/16ZS71 Heavy TEE reduction Stainless Steel Pre-assembled with EO-2 functional nut 24° cone end 24° cone end 24° cone end na 16 6 16 na
TR16/06/16ZSCF Heavy TEE reduction Steel, Chromium-6 Free Pre-assembled with EO-2 functional nut 24° cone end 24° cone end 24° cone end na 16 6 16 na
TR16/08/16S71 Heavy TEE reduction Stainless Steel Pre-assembled with nut and EO-DPR cutting ring 24° cone end 24° cone end 24° cone end na 16 8 16 na
TR16/08/16S71X Heavy TEE reduction Stainless Steel na 24° cone end 24° cone end 24° cone end na 16 8 16 na
TR16/08/16SCF Heavy TEE reduction Steel, Chromium-6 Free Pre-assembled with nut and EO-PSR cutting ring 24° cone end 24° cone end 24° cone end na 16 8 16 na
TR16/08/16SCFX Heavy TEE reduction Steel, Chromium-6 Free na 24° cone end 24° cone end 24° cone end na 16 8 16 na
TR16/08/16ZS71 Heavy TEE reduction Stainless Steel Pre-assembled with EO-2 functional nut 24° cone end 24° cone end 24° cone end na 16 8 16 na
TR16/08/16ZSCF Heavy TEE reduction Steel, Chromium-6 Free Pre-assembled with EO-2 functional nut 24° cone end 24° cone end 24° cone end na 16 8 16 na
TR16/10/16S71 Heavy TEE reduction Stainless Steel Pre-assembled with nut and EO-DPR cutting ring 24° cone end 24° cone end 24° cone end na 16 10 16 na
TR16/10/16S71X Heavy TEE reduction Stainless Steel na 24° cone end 24° cone end 24° cone end na 16 10 16 na
TR16/10/16SCF Heavy TEE reduction Steel, Chromium-6 Free Pre-assembled with nut and EO-PSR cutting ring 24° cone end 24° cone end 24° cone end na 16 10 16 na
TR16/10/16SCFX Heavy TEE reduction Steel, Chromium-6 Free na 24° cone end 24° cone end 24° cone end na 16 10 16 na
TR16/10/16ZS71 Heavy TEE reduction Stainless Steel Pre-assembled with EO-2 functional nut 24° cone end 24° cone end 24° cone end na 16 10 16 na
TR16/10/16ZSCF Heavy TEE reduction Steel, Chromium-6 Free Pre-assembled with EO-2 functional nut 24° cone end 24° cone end 24° cone end na 16 10 16 na
TR16/12/16S71 Heavy TEE reduction Stainless Steel Pre-assembled with nut and EO-DPR cutting ring 24° cone end 24° cone end 24° cone end na 16 12 16 na
TR16/12/16S71X Heavy TEE reduction Stainless Steel na 24° cone end 24° cone end 24° cone end na 16 12 16 na
TR16/12/16SCF Heavy TEE reduction Steel, Chromium-6 Free Pre-assembled with nut and EO-PSR cutting ring 24° cone end 24° cone end 24° cone end na 16 12 16 na
TR16/12/16SCFX Heavy TEE reduction Steel, Chromium-6 Free na 24° cone end 24° cone end 24° cone end na 16 12 16 na
TR16/12/16ZS71 Heavy TEE reduction Stainless Steel Pre-assembled with EO-2 functional nut 24° cone end 24° cone end 24° cone end na 16 12 16 na
TR16/12/16ZSCF Heavy TEE reduction Steel, Chromium-6 Free Pre-assembled with EO-2 functional nut 24° cone end 24° cone end 24° cone end na 16 12 16 na
TR16/20/16S71 Heavy TEE reduction Stainless Steel Pre-assembled with nut and EO-DPR cutting ring 24° cone end 24° cone end 24° cone end na 16 20 16 na
TR16/20/16S71X Heavy TEE reduction Stainless Steel na 24° cone end 24° cone end 24° cone end na 16 20 16 na
TR16/20/16SCF Heavy TEE reduction Steel, Chromium-6 Free Pre-assembled with nut and EO-PSR cutting ring 24° cone end 24° cone end 24° cone end na 16 20 16 na
TR16/20/16SCFX Heavy TEE reduction Steel, Chromium-6 Free na 24° cone end 24° cone end 24° cone end na 16 20 16 na
TR16/20/16ZS71 Heavy TEE reduction Stainless Steel Pre-assembled with EO-2 functional nut 24° cone end 24° cone end 24° cone end na 16 20 16 na
TR16/20/16ZSCF Heavy TEE reduction Steel, Chromium-6 Free Pre-assembled with EO-2 functional nut 24° cone end 24° cone end 24° cone end na 16 20 16 na
TR18/10/10L71 Light TEE reduction Stainless Steel Pre-assembled with nut and EO-DPR cutting ring 24° cone end 24° cone end 24° cone end na 18 10 10 na
TR18/10/10L71X Light TEE reduction Stainless Steel na 24° cone end 24° cone end 24° cone end na 18 10 10 na
TR18/10/10LCF Light TEE reduction Steel, Chromium-6 Free Pre-assembled with nut and EO-PSR cutting ring 24° cone end 24° cone end 24° cone end na 18 10 10 na
TR18/10/10LCFX Light TEE reduction Steel, Chromium-6 Free na 24° cone end 24° cone end 24° cone end na 18 10 10 na
TR18/10/10ZL71 Light TEE reduction Stainless Steel Pre-assembled with EO-2 functional nut 24° cone end 24° cone end 24° cone end na 18 10 10 na
TR18/10/10ZLCF Light TEE reduction Steel, Chromium-6 Free Pre-assembled with EO-2 functional nut 24° cone end 24° cone end 24° cone end na 18 10 10 na
TR18/10/18L71 Light TEE reduction Stainless Steel Pre-assembled with nut and EO-DPR cutting ring 24° cone end 24° cone end 24° cone end na 18 10 18 na
TR18/10/18L71X Light TEE reduction Stainless Steel na 24° cone end 24° cone end 24° cone end na 18 10 18 na
TR18/10/18LCF Light TEE reduction Steel, Chromium-6 Free Pre-assembled with nut and EO-PSR cutting ring 24° cone end 24° cone end 24° cone end na 18 10 18 na
TR18/10/18LCFX Light TEE reduction Steel, Chromium-6 Free na 24° cone end 24° cone end 24° cone end na 18 10 18 na
TR18/10/18ZL71 Light TEE reduction Stainless Steel Pre-assembled with EO-2 functional nut 24° cone end 24° cone end 24° cone end na 18 10 18 na
TR18/10/18ZLCF Light TEE reduction Steel, Chromium-6 Free Pre-assembled with EO-2 functional nut 24° cone end 24° cone end 24° cone end na 18 10 18 na
TR18/12/18L71 Light TEE reduction Stainless Steel Pre-assembled with nut and EO-DPR cutting ring 24° cone end 24° cone end 24° cone end na 18 12 18 na
TR18/12/18L71X Light TEE reduction Stainless Steel na 24° cone end 24° cone end 24° cone end na 18 12 18 na
TR18/12/18LCF Light TEE reduction Steel, Chromium-6 Free Pre-assembled with nut and EO-PSR cutting ring 24° cone end 24° cone end 24° cone end na 18 12 18 na
TR18/12/18LCFX Light TEE reduction Steel, Chromium-6 Free na 24° cone end 24° cone end 24° cone end na 18 12 18 na
TR18/12/18ZL71 Light TEE reduction Stainless Steel Pre-assembled with EO-2 functional nut 24° cone end 24° cone end 24° cone end na 18 12 18 na
TR18/12/18ZLCF Light TEE reduction Steel, Chromium-6 Free Pre-assembled with EO-2 functional nut 24° cone end 24° cone end 24° cone end na 18 12 18 na
TR18/15/18L71 Light TEE reduction Stainless Steel Pre-assembled with nut and EO-DPR cutting ring 24° cone end 24° cone end 24° cone end na 18 15 18 na
TR18/15/18L71X Light TEE reduction Stainless Steel na 24° cone end 24° cone end 24° cone end na 18 15 18 na
TR18/15/18LCF Light TEE reduction Steel, Chromium-6 Free Pre-assembled with nut and EO-PSR cutting ring 24° cone end 24° cone end 24° cone end na 18 15 18 na
TR18/15/18LCFX Light TEE reduction Steel, Chromium-6 Free na 24° cone end 24° cone end 24° cone end na 18 15 18 na
TR18/15/18ZL71 Light TEE reduction Stainless Steel Pre-assembled with EO-2 functional nut 24° cone end 24° cone end 24° cone end na 18 15 18 na
TR18/15/18ZLCF Light TEE reduction Steel, Chromium-6 Free Pre-assembled with EO-2 functional nut 24° cone end 24° cone end 24° cone end na 18 15 18 na
TR18/18/10L71 Light TEE reduction Stainless Steel Pre-assembled with nut and EO-DPR cutting ring 24° cone end 24° cone end 24° cone end na 18 18 10 na
TR18/18/10L71X Light TEE reduction Stainless Steel na 24° cone end 24° cone end 24° cone end na 18 18 10 na
TR18/18/10LCF Light TEE reduction Steel, Chromium-6 Free Pre-assembled with nut and EO-PSR cutting ring 24° cone end 24° cone end 24° cone end na 18 18 10 na
TR18/18/10LCFX Light TEE reduction Steel, Chromium-6 Free na 24° cone end 24° cone end 24° cone end na 18 18 10 na
TR18/18/10ZL71 Light TEE reduction Stainless Steel Pre-assembled with EO-2 functional nut 24° cone end 24° cone end 24° cone end na 18 18 10 na
TR18/18/10ZLCF Light TEE reduction Steel, Chromium-6 Free Pre-assembled with EO-2 functional nut 24° cone end 24° cone end 24° cone end na 18 18 10 na
TR20/10/20S71 Heavy TEE reduction Stainless Steel Pre-assembled with nut and EO-DPR cutting ring 24° cone end 24° cone end 24° cone end na 20 10 20 na
TR20/10/20S71X Heavy TEE reduction Stainless Steel na 24° cone end 24° cone end 24° cone end na 20 10 20 na
TR20/10/20SCF Heavy TEE reduction Steel, Chromium-6 Free Pre-assembled with nut and EO-PSR cutting ring 24° cone end 24° cone end 24° cone end na 20 10 20 na
TR20/10/20SCFX Heavy TEE reduction Steel, Chromium-6 Free na 24° cone end 24° cone end 24° cone end na 20 10 20 na
TR20/10/20ZS71 Heavy TEE reduction Stainless Steel Pre-assembled with EO-2 functional nut 24° cone end 24° cone end 24° cone end na 20 10 20 na
TR20/10/20ZSCF Heavy TEE reduction Steel, Chromium-6 Free Pre-assembled with EO-2 functional nut 24° cone end 24° cone end 24° cone end na 20 10 20 na
TR20/12/20S71 Heavy TEE reduction Stainless Steel Pre-assembled with nut and EO-DPR cutting ring 24° cone end 24° cone end 24° cone end na 20 12 20 na
TR20/12/20S71X Heavy TEE reduction Stainless Steel na 24° cone end 24° cone end 24° cone end na 20 12 20 na
TR20/12/20SCF Heavy TEE reduction Steel, Chromium-6 Free Pre-assembled with nut and EO-PSR cutting ring 24° cone end 24° cone end 24° cone end na 20 12 20 na
TR20/12/20SCFX Heavy TEE reduction Steel, Chromium-6 Free na 24° cone end 24° cone end 24° cone end na 20 12 20 na
TR20/12/20ZS71 Heavy TEE reduction Stainless Steel Pre-assembled with EO-2 functional nut 24° cone end 24° cone end 24° cone end na 20 12 20 na
TR20/12/20ZSCF Heavy TEE reduction Steel, Chromium-6 Free Pre-assembled with EO-2 functional nut 24° cone end 24° cone end 24° cone end na 20 12 20 na
TR20/16/20S71 Heavy TEE reduction Stainless Steel Pre-assembled with nut and EO-DPR cutting ring 24° cone end 24° cone end 24° cone end na 20 16 20 na
TR20/16/20S71X Heavy TEE reduction Stainless Steel na 24° cone end 24° cone end 24° cone end na 20 16 20 na
TR20/16/20SCF Heavy TEE reduction Steel, Chromium-6 Free Pre-assembled with nut and EO-PSR cutting ring 24° cone end 24° cone end 24° cone end na 20 16 20 na
TR20/16/20SCFX Heavy TEE reduction Steel, Chromium-6 Free na 24° cone end 24° cone end 24° cone end na 20 16 20 na
TR20/16/20ZS71 Heavy TEE reduction Stainless Steel Pre-assembled with EO-2 functional nut 24° cone end 24° cone end 24° cone end na 20 16 20 na
TR20/16/20ZSCF Heavy TEE reduction Steel, Chromium-6 Free Pre-assembled with EO-2 functional nut 24° cone end 24° cone end 24° cone end na 20 16 20 na
TR20/25/20S71 Heavy TEE reduction Stainless Steel Pre-assembled with nut and EO-DPR cutting ring 24° cone end 24° cone end 24° cone end na 20 25 20 na
TR20/25/20S71X Heavy TEE reduction Stainless Steel na 24° cone end 24° cone end 24° cone end na 20 25 20 na
TR20/25/20SCF Heavy TEE reduction Steel, Chromium-6 Free Pre-assembled with nut and EO-PSR cutting ring 24° cone end 24° cone end 24° cone end na 20 25 20 na
TR20/25/20SCFX Heavy TEE reduction Steel, Chromium-6 Free na 24° cone end 24° cone end 24° cone end na 20 25 20 na
TR20/25/20ZS71 Heavy TEE reduction Stainless Steel Pre-assembled with EO-2 functional nut 24° cone end 24° cone end 24° cone end na 20 25 20 na
TR20/25/20ZSCF Heavy TEE reduction Steel, Chromium-6 Free Pre-assembled with EO-2 functional nut 24° cone end 24° cone end 24° cone end na 20 25 20 na
TR22/10/22L71 Light TEE reduction Stainless Steel Pre-assembled with nut and EO-DPR cutting ring 24° cone end 24° cone end 24° cone end na 22 10 22 na
TR22/10/22L71X Light TEE reduction Stainless Steel na 24° cone end 24° cone end 24° cone end na 22 10 22 na
TR22/10/22LCF Light TEE reduction Steel, Chromium-6 Free Pre-assembled with nut and EO-PSR cutting ring 24° cone end 24° cone end 24° cone end na 22 10 22 na
TR22/10/22LCFX Light TEE reduction Steel, Chromium-6 Free na 24° cone end 24° cone end 24° cone end na 22 10 22 na
TR22/10/22ZL71 Light TEE reduction Stainless Steel Pre-assembled with EO-2 functional nut 24° cone end 24° cone end 24° cone end na 22 10 22 na
TR22/10/22ZLCF Light TEE reduction Steel, Chromium-6 Free Pre-assembled with EO-2 functional nut 24° cone end 24° cone end 24° cone end na 22 10 22 na
TR22/12/22L71 Light TEE reduction Stainless Steel Pre-assembled with nut and EO-DPR cutting ring 24° cone end 24° cone end 24° cone end na 22 12 22 na
TR22/12/22L71X Light TEE reduction Stainless Steel na 24° cone end 24° cone end 24° cone end na 22 12 22 na
TR22/12/22LCF Light TEE reduction Steel, Chromium-6 Free Pre-assembled with nut and EO-PSR cutting ring 24° cone end 24° cone end 24° cone end na 22 12 22 na
TR22/12/22LCFX Light TEE reduction Steel, Chromium-6 Free na 24° cone end 24° cone end 24° cone end na 22 12 22 na
TR22/12/22ZL71 Light TEE reduction Stainless Steel Pre-assembled with EO-2 functional nut 24° cone end 24° cone end 24° cone end na 22 12 22 na
TR22/12/22ZLCF Light TEE reduction Steel, Chromium-6 Free Pre-assembled with EO-2 functional nut 24° cone end 24° cone end 24° cone end na 22 12 22 na
TR22/15/15L71 Light TEE reduction Stainless Steel Pre-assembled with nut and EO-DPR cutting ring 24° cone end 24° cone end 24° cone end na 22 15 15 na
TR22/15/15L71X Light TEE reduction Stainless Steel na 24° cone end 24° cone end 24° cone end na 22 15 15 na
TR22/15/15LCF Light TEE reduction Steel, Chromium-6 Free Pre-assembled with nut and EO-PSR cutting ring 24° cone end 24° cone end 24° cone end na 22 15 15 na
TR22/15/15LCFX Light TEE reduction Steel, Chromium-6 Free na 24° cone end 24° cone end 24° cone end na 22 15 15 na
TR22/15/15ZL71 Light TEE reduction Stainless Steel Pre-assembled with EO-2 functional nut 24° cone end 24° cone end 24° cone end na 22 15 15 na
TR22/15/15ZLCF Light TEE reduction Steel, Chromium-6 Free Pre-assembled with EO-2 functional nut 24° cone end 24° cone end 24° cone end na 22 15 15 na
TR22/15/22L71 Light TEE reduction Stainless Steel Pre-assembled with nut and EO-DPR cutting ring 24° cone end 24° cone end 24° cone end na 22 15 22 na
TR22/15/22L71X Light TEE reduction Stainless Steel na 24° cone end 24° cone end 24° cone end na 22 15 22 na
TR22/15/22LCF Light TEE reduction Steel, Chromium-6 Free Pre-assembled with nut and EO-PSR cutting ring 24° cone end 24° cone end 24° cone end na 22 15 22 na
TR22/15/22LCFX Light TEE reduction Steel, Chromium-6 Free na 24° cone end 24° cone end 24° cone end na 22 15 22 na
TR22/15/22ZL71 Light TEE reduction Stainless Steel Pre-assembled with EO-2 functional nut 24° cone end 24° cone end 24° cone end na 22 15 22 na
TR22/15/22ZLCF Light TEE reduction Steel, Chromium-6 Free Pre-assembled with EO-2 functional nut 24° cone end 24° cone end 24° cone end na 22 15 22 na
TR22/18/18L71 Light TEE reduction Stainless Steel Pre-assembled with nut and EO-DPR cutting ring 24° cone end 24° cone end 24° cone end na 22 18 18 na
TR22/18/18L71X Light TEE reduction Stainless Steel na 24° cone end 24° cone end 24° cone end na 22 18 18 na
TR22/18/18LCF Light TEE reduction Steel, Chromium-6 Free Pre-assembled with nut and EO-PSR cutting ring 24° cone end 24° cone end 24° cone end na 22 18 18 na
TR22/18/18LCFX Light TEE reduction Steel, Chromium-6 Free na 24° cone end 24° cone end 24° cone end na 22 18 18 na
TR22/18/18ZL71 Light TEE reduction Stainless Steel Pre-assembled with EO-2 functional nut 24° cone end 24° cone end 24° cone end na 22 18 18 na
TR22/18/18ZLCF Light TEE reduction Steel, Chromium-6 Free Pre-assembled with EO-2 functional nut 24° cone end 24° cone end 24° cone end na 22 18 18 na
TR22/18/22L71 Light TEE reduction Stainless Steel Pre-assembled with nut and EO-DPR cutting ring 24° cone end 24° cone end 24° cone end na 22 18 22 na
TR22/18/22L71X Light TEE reduction Stainless Steel na 24° cone end 24° cone end 24° cone end na 22 18 22 na
TR22/18/22LCF Light TEE reduction Steel, Chromium-6 Free Pre-assembled with nut and EO-PSR cutting ring 24° cone end 24° cone end 24° cone end na 22 18 22 na
TR22/18/22LCFX Light TEE reduction Steel, Chromium-6 Free na 24° cone end 24° cone end 24° cone end na 22 18 22 na
TR22/18/22ZL71 Light TEE reduction Stainless Steel Pre-assembled with EO-2 functional nut 24° cone end 24° cone end 24° cone end na 22 18 22 na
TR22/18/22ZLCF Light TEE reduction Steel, Chromium-6 Free Pre-assembled with EO-2 functional nut 24° cone end 24° cone end 24° cone end na 22 18 22 na
TR22/22/18L71 Light TEE reduction Stainless Steel Pre-assembled with nut and EO-DPR cutting ring 24° cone end 24° cone end 24° cone end na 22 22 18 na
TR22/22/18L71X Light TEE reduction Stainless Steel na 24° cone end 24° cone end 24° cone end na 22 22 18 na
TR22/22/18LCF Light TEE reduction Steel, Chromium-6 Free Pre-assembled with nut and EO-PSR cutting ring 24° cone end 24° cone end 24° cone end na 22 22 18 na
TR22/22/18LCFX Light TEE reduction Steel, Chromium-6 Free na 24° cone end 24° cone end 24° cone end na 22 22 18 na
TR22/22/18ZL71 Light TEE reduction Stainless Steel Pre-assembled with EO-2 functional nut 24° cone end 24° cone end 24° cone end na 22 22 18 na
TR22/22/18ZLCF Light TEE reduction Steel, Chromium-6 Free Pre-assembled with EO-2 functional nut 24° cone end 24° cone end 24° cone end na 22 22 18 na
TR25/16/25S71 Heavy TEE reduction Stainless Steel Pre-assembled with nut and EO-DPR cutting ring 24° cone end 24° cone end 24° cone end na 25 16 25 na
TR25/16/25S71X Heavy TEE reduction Stainless Steel na 24° cone end 24° cone end 24° cone end na 25 16 25 na
TR25/16/25SCF Heavy TEE reduction Steel, Chromium-6 Free Pre-assembled with nut and EO-PSR cutting ring 24° cone end 24° cone end 24° cone end na 25 16 25 na
TR25/16/25SCFX Heavy TEE reduction Steel, Chromium-6 Free na 24° cone end 24° cone end 24° cone end na 25 16 25 na
TR25/16/25ZS71 Heavy TEE reduction Stainless Steel Pre-assembled with EO-2 functional nut 24° cone end 24° cone end 24° cone end na 25 16 25 na
TR25/16/25ZSCF Heavy TEE reduction Steel, Chromium-6 Free Pre-assembled with EO-2 functional nut 24° cone end 24° cone end 24° cone end na 25 16 25 na
TR25/20/25S71 Heavy TEE reduction Stainless Steel Pre-assembled with nut and EO-DPR cutting ring 24° cone end 24° cone end 24° cone end na 25 20 25 na
TR25/20/25S71X Heavy TEE reduction Stainless Steel na 24° cone end 24° cone end 24° cone end na 25 20 25 na
TR25/20/25SCF Heavy TEE reduction Steel, Chromium-6 Free Pre-assembled with nut and EO-PSR cutting ring 24° cone end 24° cone end 24° cone end na 25 20 25 na
TR25/20/25SCFX Heavy TEE reduction Steel, Chromium-6 Free na 24° cone end 24° cone end 24° cone end na 25 20 25 na
TR25/20/25ZS71 Heavy TEE reduction Stainless Steel Pre-assembled with EO-2 functional nut 24° cone end 24° cone end 24° cone end na 25 20 25 na
TR25/20/25ZSCF Heavy TEE reduction Steel, Chromium-6 Free Pre-assembled with EO-2 functional nut 24° cone end 24° cone end 24° cone end na 25 20 25 na
TR25/30/25S71 Heavy TEE reduction Stainless Steel Pre-assembled with nut and EO-DPR cutting ring 24° cone end 24° cone end 24° cone end na 25 30 25 na
TR25/30/25S71X Heavy TEE reduction Stainless Steel na 24° cone end 24° cone end 24° cone end na 25 30 25 na
TR25/30/25SCF Heavy TEE reduction Steel, Chromium-6 Free Pre-assembled with nut and EO-PSR cutting ring 24° cone end 24° cone end 24° cone end na 25 30 25 na
TR25/30/25SCFX Heavy TEE reduction Steel, Chromium-6 Free na 24° cone end 24° cone end 24° cone end na 25 30 25 na
TR25/30/25ZS71 Heavy TEE reduction Stainless Steel Pre-assembled with EO-2 functional nut 24° cone end 24° cone end 24° cone end na 25 30 25 na
TR25/30/25ZSCF Heavy TEE reduction Steel, Chromium-6 Free Pre-assembled with EO-2 functional nut 24° cone end 24° cone end 24° cone end na 25 30 25 na
TR28/10/28L71 Light TEE reduction Stainless Steel Pre-assembled with nut and EO-DPR cutting ring 24° cone end 24° cone end 24° cone end na 28 10 28 na
TR28/10/28L71X Light TEE reduction Stainless Steel na 24° cone end 24° cone end 24° cone end na 28 10 28 na
TR28/10/28LCF Light TEE reduction Steel, Chromium-6 Free Pre-assembled with nut and EO-PSR cutting ring 24° cone end 24° cone end 24° cone end na 28 10 28 na
TR28/10/28LCFX Light TEE reduction Steel, Chromium-6 Free na 24° cone end 24° cone end 24° cone end na 28 10 28 na
TR28/10/28ZL71 Light TEE reduction Stainless Steel Pre-assembled with EO-2 functional nut 24° cone end 24° cone end 24° cone end na 28 10 28 na
TR28/10/28ZLCF Light TEE reduction Steel, Chromium-6 Free Pre-assembled with EO-2 functional nut 24° cone end 24° cone end 24° cone end na 28 10 28 na
TR28/12/28L71 Light TEE reduction Stainless Steel Pre-assembled with nut and EO-DPR cutting ring 24° cone end 24° cone end 24° cone end na 28 12 28 na
TR28/12/28L71X Light TEE reduction Stainless Steel na 24° cone end 24° cone end 24° cone end na 28 12 28 na
TR28/12/28LCF Light TEE reduction Steel, Chromium-6 Free Pre-assembled with nut and EO-PSR cutting ring 24° cone end 24° cone end 24° cone end na 28 12 28 na
TR28/12/28LCFX Light TEE reduction Steel, Chromium-6 Free na 24° cone end 24° cone end 24° cone end na 28 12 28 na
TR28/12/28ZL71 Light TEE reduction Stainless Steel Pre-assembled with EO-2 functional nut 24° cone end 24° cone end 24° cone end na 28 12 28 na
TR28/12/28ZLCF Light TEE reduction Steel, Chromium-6 Free Pre-assembled with EO-2 functional nut 24° cone end 24° cone end 24° cone end na 28 12 28 na
TR28/15/28L71 Light TEE reduction Stainless Steel Pre-assembled with nut and EO-DPR cutting ring 24° cone end 24° cone end 24° cone end na 28 15 28 na
TR28/15/28L71X Light TEE reduction Stainless Steel na 24° cone end 24° cone end 24° cone end na 28 15 28 na
TR28/15/28LCF Light TEE reduction Steel, Chromium-6 Free Pre-assembled with nut and EO-PSR cutting ring 24° cone end 24° cone end 24° cone end na 28 15 28 na
TR28/15/28LCFX Light TEE reduction Steel, Chromium-6 Free na 24° cone end 24° cone end 24° cone end na 28 15 28 na
TR28/15/28ZL71 Light TEE reduction Stainless Steel Pre-assembled with EO-2 functional nut 24° cone end 24° cone end 24° cone end na 28 15 28 na
TR28/15/28ZLCF Light TEE reduction Steel, Chromium-6 Free Pre-assembled with EO-2 functional nut 24° cone end 24° cone end 24° cone end na 28 15 28 na
TR28/18/28L71 Light TEE reduction Stainless Steel Pre-assembled with nut and EO-DPR cutting ring 24° cone end 24° cone end 24° cone end na 28 18 28 na
TR28/18/28L71X Light TEE reduction Stainless Steel na 24° cone end 24° cone end 24° cone end na 28 18 28 na
TR28/18/28LCF Light TEE reduction Steel, Chromium-6 Free Pre-assembled with nut and EO-PSR cutting ring 24° cone end 24° cone end 24° cone end na 28 18 28 na
TR28/18/28LCFX Light TEE reduction Steel, Chromium-6 Free na 24° cone end 24° cone end 24° cone end na 28 18 28 na
TR28/18/28ZL71 Light TEE reduction Stainless Steel Pre-assembled with EO-2 functional nut 24° cone end 24° cone end 24° cone end na 28 18 28 na
TR28/18/28ZLCF Light TEE reduction Steel, Chromium-6 Free Pre-assembled with EO-2 functional nut 24° cone end 24° cone end 24° cone end na 28 18 28 na
TR28/22/22L71 Light TEE reduction Stainless Steel Pre-assembled with nut and EO-DPR cutting ring 24° cone end 24° cone end 24° cone end na 28 22 22 na
TR28/22/22L71X Light TEE reduction Stainless Steel na 24° cone end 24° cone end 24° cone end na 28 22 22 na
TR28/22/22LCF Light TEE reduction Steel, Chromium-6 Free Pre-assembled with nut and EO-PSR cutting ring 24° cone end 24° cone end 24° cone end na 28 22 22 na
TR28/22/22LCFX Light TEE reduction Steel, Chromium-6 Free na 24° cone end 24° cone end 24° cone end na 28 22 22 na
TR28/22/22ZL71 Light TEE reduction Stainless Steel Pre-assembled with EO-2 functional nut 24° cone end 24° cone end 24° cone end na 28 22 22 na
TR28/22/22ZLCF Light TEE reduction Steel, Chromium-6 Free Pre-assembled with EO-2 functional nut 24° cone end 24° cone end 24° cone end na 28 22 22 na
TR28/22/28L71 Light TEE reduction Stainless Steel Pre-assembled with nut and EO-DPR cutting ring 24° cone end 24° cone end 24° cone end na 28 22 28 na
TR28/22/28L71X Light TEE reduction Stainless Steel na 24° cone end 24° cone end 24° cone end na 28 22 28 na
TR28/22/28LCF Light TEE reduction Steel, Chromium-6 Free Pre-assembled with nut and EO-PSR cutting ring 24° cone end 24° cone end 24° cone end na 28 22 28 na
TR28/22/28LCFX Light TEE reduction Steel, Chromium-6 Free na 24° cone end 24° cone end 24° cone end na 28 22 28 na
TR28/22/28ZL71 Light TEE reduction Stainless Steel Pre-assembled with EO-2 functional nut 24° cone end 24° cone end 24° cone end na 28 22 28 na
TR28/22/28ZLCF Light TEE reduction Steel, Chromium-6 Free Pre-assembled with EO-2 functional nut 24° cone end 24° cone end 24° cone end na 28 22 28 na
W04LL71 Very Light Elbow Stainless Steel Pre-assembled with nut and EO-DPR cutting ring 24° cone end 24° cone end na na 4 4 na na
W04LL71X Very Light Elbow Stainless Steel na 24° cone end 24° cone end na na 4 4 na na
W04LLCF Very Light Elbow Steel, Chromium-6 Free Pre-assembled with nut and EO-PSR cutting ring 24° cone end 24° cone end na na 4 4 na na
W04LLCFX Very Light Elbow Steel, Chromium-6 Free na 24° cone end 24° cone end na na 4 4 na na
W04ZLL71 Very Light Elbow Stainless Steel Pre-assembled with EO-2 functional nut 24° cone end 24° cone end na na 4 4 na na
W04ZLLCF Very Light Elbow Steel, Chromium-6 Free Pre-assembled with EO-2 functional nut 24° cone end 24° cone end na na 4 4 na na
W06L71 Light Elbow Stainless Steel Pre-assembled with nut and EO-DPR cutting ring 24° cone end 24° cone end na na 6 6 na na
W06L71X Light Elbow Stainless Steel na 24° cone end 24° cone end na na 6 6 na na
W06LCF Light Elbow Steel, Chromium-6 Free Pre-assembled with nut and EO-PSR cutting ring 24° cone end 24° cone end na na 6 6 na na
W06LCFX Light Elbow Steel, Chromium-6 Free na 24° cone end 24° cone end na na 6 6 na na
W06LL71 Very Light Elbow Stainless Steel Pre-assembled with nut and EO-DPR cutting ring 24° cone end 24° cone end na na 6 6 na na
W06LL71X Very Light Elbow Stainless Steel na 24° cone end 24° cone end na na 6 6 na na
W06LLCF Very Light Elbow Steel, Chromium-6 Free Pre-assembled with nut and EO-PSR cutting ring 24° cone end 24° cone end na na 6 6 na na
W06LLCFX Very Light Elbow Steel, Chromium-6 Free na 24° cone end 24° cone end na na 6 6 na na
W06S71 Heavy Elbow Stainless Steel Pre-assembled with nut and EO-DPR cutting ring 24° cone end 24° cone end na na 6 6 na na
W06S71X Heavy Elbow Stainless Steel na 24° cone end 24° cone end na na 6 6 na na
W06SCF Heavy Elbow Steel, Chromium-6 Free Pre-assembled with nut and EO-PSR cutting ring 24° cone end 24° cone end na na 6 6 na na
W06SCFX Heavy Elbow Steel, Chromium-6 Free na 24° cone end 24° cone end na na 6 6 na na
W06ZL71 Light Elbow Stainless Steel Pre-assembled with EO-2 functional nut 24° cone end 24° cone end na na 6 6 na na
W06ZLCF Light Elbow Steel, Chromium-6 Free Pre-assembled with EO-2 functional nut 24° cone end 24° cone end na na 6 6 na na
W06ZLL71 Very Light Elbow Stainless Steel Pre-assembled with EO-2 functional nut 24° cone end 24° cone end na na 6 6 na na
W06ZLLCF Very Light Elbow Steel, Chromium-6 Free Pre-assembled with EO-2 functional nut 24° cone end 24° cone end na na 6 6 na na
W06ZS71 Heavy Elbow Stainless Steel Pre-assembled with EO-2 functional nut 24° cone end 24° cone end na na 6 6 na na
W06ZSCF Heavy Elbow Steel, Chromium-6 Free Pre-assembled with EO-2 functional nut 24° cone end 24° cone end na na 6 6 na na
W08L71 Light Elbow Stainless Steel Pre-assembled with nut and EO-DPR cutting ring 24° cone end 24° cone end na na 8 8 na na
W08L71X Light Elbow Stainless Steel na 24° cone end 24° cone end na na 8 8 na na
W08LCF Light Elbow Steel, Chromium-6 Free Pre-assembled with nut and EO-PSR cutting ring 24° cone end 24° cone end na na 8 8 na na
W08LCFX Light Elbow Steel, Chromium-6 Free na 24° cone end 24° cone end na na 8 8 na na
W08LL71 Very Light Elbow Stainless Steel Pre-assembled with nut and EO-DPR cutting ring 24° cone end 24° cone end na na 8 8 na na
W08LL71X Very Light Elbow Stainless Steel na 24° cone end 24° cone end na na 8 8 na na
W08LLCF Very Light Elbow Steel, Chromium-6 Free Pre-assembled with nut and EO-PSR cutting ring 24° cone end 24° cone end na na 8 8 na na
W08LLCFX Very Light Elbow Steel, Chromium-6 Free na 24° cone end 24° cone end na na 8 8 na na
W08S71 Heavy Elbow Stainless Steel Pre-assembled with nut and EO-DPR cutting ring 24° cone end 24° cone end na na 8 8 na na
W08S71X Heavy Elbow Stainless Steel na 24° cone end 24° cone end na na 8 8 na na
W08SCF Heavy Elbow Steel, Chromium-6 Free Pre-assembled with nut and EO-PSR cutting ring 24° cone end 24° cone end na na 8 8 na na
W08SCFX Heavy Elbow Steel, Chromium-6 Free na 24° cone end 24° cone end na na 8 8 na na
W08ZL71 Light Elbow Stainless Steel Pre-assembled with EO-2 functional nut 24° cone end 24° cone end na na 8 8 na na
W08ZLCF Light Elbow Steel, Chromium-6 Free Pre-assembled with EO-2 functional nut 24° cone end 24° cone end na na 8 8 na na
W08ZLL71 Very Light Elbow Stainless Steel Pre-assembled with EO-2 functional nut 24° cone end 24° cone end na na 8 8 na na
W08ZLLCF Very Light Elbow Steel, Chromium-6 Free Pre-assembled with EO-2 functional nut 24° cone end 24° cone end na na 8 8 na na
W08ZS71 Heavy Elbow Stainless Steel Pre-assembled with EO-2 functional nut 24° cone end 24° cone end na na 8 8 na na
W08ZSCF Heavy Elbow Steel, Chromium-6 Free Pre-assembled with EO-2 functional nut 24° cone end 24° cone end na na 8 8 na na
W10L71 Light Elbow Stainless Steel Pre-assembled with nut and EO-DPR cutting ring 24° cone end 24° cone end na na 10 10 na na
W10L71X Light Elbow Stainless Steel na 24° cone end 24° cone end na na 10 10 na na
W10LCF Light Elbow Steel, Chromium-6 Free Pre-assembled with nut and EO-PSR cutting ring 24° cone end 24° cone end na na 10 10 na na
W10LCFX Light Elbow Steel, Chromium-6 Free na 24° cone end 24° cone end na na 10 10 na na
W10LL71 Very Light Elbow Stainless Steel Pre-assembled with nut and EO-DPR cutting ring 24° cone end 24° cone end na na 10 10 na na
W10LL71X Very Light Elbow Stainless Steel na 24° cone end 24° cone end na na 10 10 na na
W10LLCF Very Light Elbow Steel, Chromium-6 Free Pre-assembled with nut and EO-PSR cutting ring 24° cone end 24° cone end na na 10 10 na na
W10LLCFX Very Light Elbow Steel, Chromium-6 Free na 24° cone end 24° cone end na na 10 10 na na
W10S71 Heavy Elbow Stainless Steel Pre-assembled with nut and EO-DPR cutting ring 24° cone end 24° cone end na na 10 10 na na
W10S71X Heavy Elbow Stainless Steel na 24° cone end 24° cone end na na 10 10 na na
W10SCF Heavy Elbow Steel, Chromium-6 Free Pre-assembled with nut and EO-PSR cutting ring 24° cone end 24° cone end na na 10 10 na na
W10SCFX Heavy Elbow Steel, Chromium-6 Free na 24° cone end 24° cone end na na 10 10 na na
W10ZL71 Light Elbow Stainless Steel Pre-assembled with EO-2 functional nut 24° cone end 24° cone end na na 10 10 na na
W10ZLCF Light Elbow Steel, Chromium-6 Free Pre-assembled with EO-2 functional nut 24° cone end 24° cone end na na 10 10 na na
W10ZLL71 Very Light Elbow Stainless Steel Pre-assembled with EO-2 functional nut 24° cone end 24° cone end na na 10 10 na na
W10ZLLCF Very Light Elbow Steel, Chromium-6 Free Pre-assembled with EO-2 functional nut 24° cone end 24° cone end na na 10 10 na na
W10ZS71 Heavy Elbow Stainless Steel Pre-assembled with EO-2 functional nut 24° cone end 24° cone end na na 10 10 na na
W10ZSCF Heavy Elbow Steel, Chromium-6 Free Pre-assembled with EO-2 functional nut 24° cone end 24° cone end na na 10 10 na na
W12L71 Light Elbow Stainless Steel Pre-assembled with nut and EO-DPR cutting ring 24° cone end 24° cone end na na 12 12 na na
W12L71X Light Elbow Stainless Steel na 24° cone end 24° cone end na na 12 12 na na
W12LCF Light Elbow Steel, Chromium-6 Free Pre-assembled with nut and EO-PSR cutting ring 24° cone end 24° cone end na na 12 12 na na
W12LCFX Light Elbow Steel, Chromium-6 Free na 24° cone end 24° cone end na na 12 12 na na
W12LL71 Very Light Elbow Stainless Steel Pre-assembled with nut and EO-DPR cutting ring 24° cone end 24° cone end na na 12 12 na na
W12LL71X Very Light Elbow Stainless Steel na 24° cone end 24° cone end na na 12 12 na na
W12LLCF Very Light Elbow Steel, Chromium-6 Free Pre-assembled with nut and EO-PSR cutting ring 24° cone end 24° cone end na na 12 12 na na
W12LLCFX Very Light Elbow Steel, Chromium-6 Free na 24° cone end 24° cone end na na 12 12 na na
W12S71 Heavy Elbow Stainless Steel Pre-assembled with nut and EO-DPR cutting ring 24° cone end 24° cone end na na 12 12 na na
W12S71X Heavy Elbow Stainless Steel na 24° cone end 24° cone end na na 12 12 na na
W12SCF Heavy Elbow Steel, Chromium-6 Free Pre-assembled with nut and EO-PSR cutting ring 24° cone end 24° cone end na na 12 12 na na
W12SCFX Heavy Elbow Steel, Chromium-6 Free na 24° cone end 24° cone end na na 12 12 na na
W12ZL71 Light Elbow Stainless Steel Pre-assembled with EO-2 functional nut 24° cone end 24° cone end na na 12 12 na na
W12ZLCF Light Elbow Steel, Chromium-6 Free Pre-assembled with EO-2 functional nut 24° cone end 24° cone end na na 12 12 na na
W12ZLL71 Very Light Elbow Stainless Steel Pre-assembled with EO-2 functional nut 24° cone end 24° cone end na na 12 12 na na
W12ZLLCF Very Light Elbow Steel, Chromium-6 Free Pre-assembled with EO-2 functional nut 24° cone end 24° cone end na na 12 12 na na
W12ZS71 Heavy Elbow Stainless Steel Pre-assembled with EO-2 functional nut 24° cone end 24° cone end na na 12 12 na na
W12ZSCF Heavy Elbow Steel, Chromium-6 Free Pre-assembled with EO-2 functional nut 24° cone end 24° cone end na na 12 12 na na
W14S71 Heavy Elbow Stainless Steel Pre-assembled with nut and EO-DPR cutting ring 24° cone end 24° cone end na na 14 14 na na
W14S71X Heavy Elbow Stainless Steel na 24° cone end 24° cone end na na 14 14 na na
W14SCF Heavy Elbow Steel, Chromium-6 Free Pre-assembled with nut and EO-PSR cutting ring 24° cone end 24° cone end na na 14 14 na na
W14SCFX Heavy Elbow Steel, Chromium-6 Free na 24° cone end 24° cone end na na 14 14 na na
W14ZS71 Heavy Elbow Stainless Steel Pre-assembled with EO-2 functional nut 24° cone end 24° cone end na na 14 14 na na
W14ZSCF Heavy Elbow Steel, Chromium-6 Free Pre-assembled with EO-2 functional nut 24° cone end 24° cone end na na 14 14 na na
W15L71 Light Elbow Stainless Steel Pre-assembled with nut and EO-DPR cutting ring 24° cone end 24° cone end na na 15 15 na na
W15L71X Light Elbow Stainless Steel na 24° cone end 24° cone end na na 15 15 na na
W15LCF Light Elbow Steel, Chromium-6 Free Pre-assembled with nut and EO-PSR cutting ring 24° cone end 24° cone end na na 15 15 na na
W15LCFX Light Elbow Steel, Chromium-6 Free na 24° cone end 24° cone end na na 15 15 na na
W15ZL71 Light Elbow Stainless Steel Pre-assembled with EO-2 functional nut 24° cone end 24° cone end na na 15 15 na na
W15ZLCF Light Elbow Steel, Chromium-6 Free Pre-assembled with EO-2 functional nut 24° cone end 24° cone end na na 15 15 na na
W16S71 Heavy Elbow Stainless Steel Pre-assembled with nut and EO-DPR cutting ring 24° cone end 24° cone end na na 16 16 na na
W16S71X Heavy Elbow Stainless Steel na 24° cone end 24° cone end na na 16 16 na na
W16SCF Heavy Elbow Steel, Chromium-6 Free Pre-assembled with nut and EO-PSR cutting ring 24° cone end 24° cone end na na 16 16 na na
W16SCFX Heavy Elbow Steel, Chromium-6 Free na 24° cone end 24° cone end na na 16 16 na na
W16ZS71 Heavy Elbow Stainless Steel Pre-assembled with EO-2 functional nut 24° cone end 24° cone end na na 16 16 na na
W16ZSCF Heavy Elbow Steel, Chromium-6 Free Pre-assembled with EO-2 functional nut 24° cone end 24° cone end na na 16 16 na na
W18L71 Light Elbow Stainless Steel Pre-assembled with nut and EO-DPR cutting ring 24° cone end 24° cone end na na 18 18 na na
W18L71X Light Elbow Stainless Steel na 24° cone end 24° cone end na na 18 18 na na
W18LCF Light Elbow Steel, Chromium-6 Free Pre-assembled with nut and EO-PSR cutting ring 24° cone end 24° cone end na na 18 18 na na
W18LCFX Light Elbow Steel, Chromium-6 Free na 24° cone end 24° cone end na na 18 18 na na
W18ZL71 Light Elbow Stainless Steel Pre-assembled with EO-2 functional nut 24° cone end 24° cone end na na 18 18 na na
W18ZLCF Light Elbow Steel, Chromium-6 Free Pre-assembled with EO-2 functional nut 24° cone end 24° cone end na na 18 18 na na
W20S71 Heavy Elbow Stainless Steel Pre-assembled with nut and EO-DPR cutting ring 24° cone end 24° cone end na na 20 20 na na
W20S71X Heavy Elbow Stainless Steel na 24° cone end 24° cone end na na 20 20 na na
W20SCF Heavy Elbow Steel, Chromium-6 Free Pre-assembled with nut and EO-PSR cutting ring 24° cone end 24° cone end na na 20 20 na na
W20SCFX Heavy Elbow Steel, Chromium-6 Free na 24° cone end 24° cone end na na 20 20 na na
W20ZS71 Heavy Elbow Stainless Steel Pre-assembled with EO-2 functional nut 24° cone end 24° cone end na na 20 20 na na
W20ZSCF Heavy Elbow Steel, Chromium-6 Free Pre-assembled with EO-2 functional nut 24° cone end 24° cone end na na 20 20 na na
W22L71 Light Elbow Stainless Steel Pre-assembled with nut and EO-DPR cutting ring 24° cone end 24° cone end na na 22 22 na na
W22L71X Light Elbow Stainless Steel na 24° cone end 24° cone end na na 22 22 na na
W22LCF Light Elbow Steel, Chromium-6 Free Pre-assembled with nut and EO-PSR cutting ring 24° cone end 24° cone end na na 22 22 na na
W22LCFX Light Elbow Steel, Chromium-6 Free na 24° cone end 24° cone end na na 22 22 na na
W22ZL71 Light Elbow Stainless Steel Pre-assembled with EO-2 functional nut 24° cone end 24° cone end na na 22 22 na na
W22ZLCF Light Elbow Steel, Chromium-6 Free Pre-assembled with EO-2 functional nut 24° cone end 24° cone end na na 22 22 na na
W25S71 Heavy Elbow Stainless Steel Pre-assembled with nut and EO-DPR cutting ring 24° cone end 24° cone end na na 25 25 na na
W25S71X Heavy Elbow Stainless Steel na 24° cone end 24° cone end na na 25 25 na na
W25SCF Heavy Elbow Steel, Chromium-6 Free Pre-assembled with nut and EO-PSR cutting ring 24° cone end 24° cone end na na 25 25 na na
W25SCFX Heavy Elbow Steel, Chromium-6 Free na 24° cone end 24° cone end na na 25 25 na na
W25ZS71 Heavy Elbow Stainless Steel Pre-assembled with EO-2 functional nut 24° cone end 24° cone end na na 25 25 na na
W25ZSCF Heavy Elbow Steel, Chromium-6 Free Pre-assembled with EO-2 functional nut 24° cone end 24° cone end na na 25 25 na na
W28L71 Light Elbow Stainless Steel Pre-assembled with nut and EO-DPR cutting ring 24° cone end 24° cone end na na 28 28 na na
W28L71X Light Elbow Stainless Steel na 24° cone end 24° cone end na na 28 28 na na
W28LCF Light Elbow Steel, Chromium-6 Free Pre-assembled with nut and EO-PSR cutting ring 24° cone end 24° cone end na na 28 28 na na
W28LCFX Light Elbow Steel, Chromium-6 Free na 24° cone end 24° cone end na na 28 28 na na
W28ZL71 Light Elbow Stainless Steel Pre-assembled with EO-2 functional nut 24° cone end 24° cone end na na 28 28 na na
W28ZLCF Light Elbow Steel, Chromium-6 Free Pre-assembled with EO-2 functional nut 24° cone end 24° cone end na na 28 28 na na
W30S71 Heavy Elbow Stainless Steel Pre-assembled with nut and EO-DPR cutting ring 24° cone end 24° cone end na na 30 30 na na
W30S71X Heavy Elbow Stainless Steel na 24° cone end 24° cone end na na 30 30 na na
W30SCF Heavy Elbow Steel, Chromium-6 Free Pre-assembled with nut and EO-PSR cutting ring 24° cone end 24° cone end na na 30 30 na na
W30SCFX Heavy Elbow Steel, Chromium-6 Free na 24° cone end 24° cone end na na 30 30 na na
W30ZS71 Heavy Elbow Stainless Steel Pre-assembled with EO-2 functional nut 24° cone end 24° cone end na na 30 30 na na
W30ZSCF Heavy Elbow Steel, Chromium-6 Free Pre-assembled with EO-2 functional nut 24° cone end 24° cone end na na 30 30 na na
W35L71 Light Elbow Stainless Steel Pre-assembled with nut and EO-DPR cutting ring 24° cone end 24° cone end na na 35 35 na na
W35L71X Light Elbow Stainless Steel na 24° cone end 24° cone end na na 35 35 na na
W35LCF Light Elbow Steel, Chromium-6 Free Pre-assembled with nut and EO-PSR cutting ring 24° cone end 24° cone end na na 35 35 na na
W35LCFX Light Elbow Steel, Chromium-6 Free na 24° cone end 24° cone end na na 35 35 na na
W35ZL71 Light Elbow Stainless Steel Pre-assembled with EO-2 functional nut 24° cone end 24° cone end na na 35 35 na na
W35ZLCF Light Elbow Steel, Chromium-6 Free Pre-assembled with EO-2 functional nut 24° cone end 24° cone end na na 35 35 na na
W38S71 Heavy Elbow Stainless Steel Pre-assembled with nut and EO-DPR cutting ring 24° cone end 24° cone end na na 38 38 na na
W38S71X Heavy Elbow Stainless Steel na 24° cone end 24° cone end na na 38 38 na na
W38SCF Heavy Elbow Steel, Chromium-6 Free Pre-assembled with nut and EO-PSR cutting ring 24° cone end 24° cone end na na 38 38 na na
W38SCFX Heavy Elbow Steel, Chromium-6 Free na 24° cone end 24° cone end na na 38 38 na na
W38ZS71 Heavy Elbow Stainless Steel Pre-assembled with EO-2 functional nut 24° cone end 24° cone end na na 38 38 na na
W38ZSCF Heavy Elbow Steel, Chromium-6 Free Pre-assembled with EO-2 functional nut 24° cone end 24° cone end na na 38 38 na na
W42L71 Light Elbow Stainless Steel Pre-assembled with nut and EO-DPR cutting ring 24° cone end 24° cone end na na 42 42 na na
W42L71X Light Elbow Stainless Steel na 24° cone end 24° cone end na na 42 42 na na
W42LCF Light Elbow Steel, Chromium-6 Free Pre-assembled with nut and EO-PSR cutting ring 24° cone end 24° cone end na na 42 42 na na
W42LCFX Light Elbow Steel, Chromium-6 Free na 24° cone end 24° cone end na na 42 42 na na
W42ZL71 Light Elbow Stainless Steel Pre-assembled with EO-2 functional nut 24° cone end 24° cone end na na 42 42 na na
W42ZLCF Light Elbow Steel, Chromium-6 Free Pre-assembled with EO-2 functional nut 24° cone end 24° cone end na na 42 42 na na
WSV06L71 Light Bulkhead elbow Stainless Steel Pre-assembled with nut and EO-DPR cutting ring 24° cone end 24° cone end na na 6 6 na na
WSV06LCF Light Bulkhead elbow Steel, Chromium-6 Free Pre-assembled with nut and EO-PSR cutting ring 24° cone end 24° cone end na na 6 6 na na
WSV06LOMD71 Light Bulkhead elbow Stainless Steel na 24° cone end 24° cone end na na 6 6 na na
WSV06LOMDCF Light Bulkhead elbow Steel, Chromium-6 Free na 24° cone end 24° cone end na na 6 6 na na
WSV06S71 Heavy Bulkhead elbow Stainless Steel Pre-assembled with nut and EO-DPR cutting ring 24° cone end 24° cone end na na 6 6 na na
WSV06SCF Heavy Bulkhead elbow Steel, Chromium-6 Free Pre-assembled with nut and EO-PSR cutting ring 24° cone end 24° cone end na na 6 6 na na
WSV06SOMD71 Heavy Bulkhead elbow Stainless Steel na 24° cone end 24° cone end na na 6 6 na na
WSV06SOMDCF Heavy Bulkhead elbow Steel, Chromium-6 Free na 24° cone end 24° cone end na na 6 6 na na
WSV06ZL71 Light Bulkhead elbow Stainless Steel Pre-assembled with EO-2 functional nut 24° cone end 24° cone end na na 6 6 na na
WSV06ZLCF Light Bulkhead elbow Steel, Chromium-6 Free Pre-assembled with EO-2 functional nut 24° cone end 24° cone end na na 6 6 na na
WSV06ZS71 Heavy Bulkhead elbow Stainless Steel Pre-assembled with EO-2 functional nut 24° cone end 24° cone end na na 6 6 na na
WSV06ZSCF Heavy Bulkhead elbow Steel, Chromium-6 Free Pre-assembled with EO-2 functional nut 24° cone end 24° cone end na na 6 6 na na
WSV08L71 Light Bulkhead elbow Stainless Steel Pre-assembled with nut and EO-DPR cutting ring 24° cone end 24° cone end na na 8 8 na na
WSV08LCF Light Bulkhead elbow Steel, Chromium-6 Free Pre-assembled with nut and EO-PSR cutting ring 24° cone end 24° cone end na na 8 8 na na
WSV08LOMD71 Light Bulkhead elbow Stainless Steel na 24° cone end 24° cone end na na 8 8 na na
WSV08LOMDCF Light Bulkhead elbow Steel, Chromium-6 Free na 24° cone end 24° cone end na na 8 8 na na
WSV08S71 Heavy Bulkhead elbow Stainless Steel Pre-assembled with nut and EO-DPR cutting ring 24° cone end 24° cone end na na 8 8 na na
WSV08SCF Heavy Bulkhead elbow Steel, Chromium-6 Free Pre-assembled with nut and EO-PSR cutting ring 24° cone end 24° cone end na na 8 8 na na
WSV08SOMD71 Heavy Bulkhead elbow Stainless Steel na 24° cone end 24° cone end na na 8 8 na na
WSV08SOMDCF Heavy Bulkhead elbow Steel, Chromium-6 Free na 24° cone end 24° cone end na na 8 8 na na
WSV08ZL71 Light Bulkhead elbow Stainless Steel Pre-assembled with EO-2 functional nut 24° cone end 24° cone end na na 8 8 na na
WSV08ZLCF Light Bulkhead elbow Steel, Chromium-6 Free Pre-assembled with EO-2 functional nut 24° cone end 24° cone end na na 8 8 na na
WSV08ZS71 Heavy Bulkhead elbow Stainless Steel Pre-assembled with EO-2 functional nut 24° cone end 24° cone end na na 8 8 na na
WSV08ZSCF Heavy Bulkhead elbow Steel, Chromium-6 Free Pre-assembled with EO-2 functional nut 24° cone end 24° cone end na na 8 8 na na
WSV10L71 Light Bulkhead elbow Stainless Steel Pre-assembled with nut and EO-DPR cutting ring 24° cone end 24° cone end na na 10 10 na na
WSV10LCF Light Bulkhead elbow Steel, Chromium-6 Free Pre-assembled with nut and EO-PSR cutting ring 24° cone end 24° cone end na na 10 10 na na
WSV10LOMD71 Light Bulkhead elbow Stainless Steel na 24° cone end 24° cone end na na 10 10 na na
WSV10LOMDCF Light Bulkhead elbow Steel, Chromium-6 Free na 24° cone end 24° cone end na na 10 10 na na
WSV10S71 Heavy Bulkhead elbow Stainless Steel Pre-assembled with nut and EO-DPR cutting ring 24° cone end 24° cone end na na 10 10 na na
WSV10SCF Heavy Bulkhead elbow Steel, Chromium-6 Free Pre-assembled with nut and EO-PSR cutting ring 24° cone end 24° cone end na na 10 10 na na
WSV10SOMD71 Heavy Bulkhead elbow Stainless Steel na 24° cone end 24° cone end na na 10 10 na na
WSV10SOMDCF Heavy Bulkhead elbow Steel, Chromium-6 Free na 24° cone end 24° cone end na na 10 10 na na
WSV10ZL71 Light Bulkhead elbow Stainless Steel Pre-assembled with EO-2 functional nut 24° cone end 24° cone end na na 10 10 na na
WSV10ZLCF Light Bulkhead elbow Steel, Chromium-6 Free Pre-assembled with EO-2 functional nut 24° cone end 24° cone end na na 10 10 na na
WSV10ZS71 Heavy Bulkhead elbow Stainless Steel Pre-assembled with EO-2 functional nut 24° cone end 24° cone end na na 10 10 na na
WSV10ZSCF Heavy Bulkhead elbow Steel, Chromium-6 Free Pre-assembled with EO-2 functional nut 24° cone end 24° cone end na na 10 10 na na
WSV12L71 Light Bulkhead elbow Stainless Steel Pre-assembled with nut and EO-DPR cutting ring 24° cone end 24° cone end na na 12 12 na na
WSV12LCF Light Bulkhead elbow Steel, Chromium-6 Free Pre-assembled with nut and EO-PSR cutting ring 24° cone end 24° cone end na na 12 12 na na
WSV12LOMD71 Light Bulkhead elbow Stainless Steel na 24° cone end 24° cone end na na 12 12 na na
WSV12LOMDCF Light Bulkhead elbow Steel, Chromium-6 Free na 24° cone end 24° cone end na na 12 12 na na
WSV12S71 Heavy Bulkhead elbow Stainless Steel Pre-assembled with nut and EO-DPR cutting ring 24° cone end 24° cone end na na 12 12 na na
WSV12SCF Heavy Bulkhead elbow Steel, Chromium-6 Free Pre-assembled with nut and EO-PSR cutting ring 24° cone end 24° cone end na na 12 12 na na
WSV12SOMD71 Heavy Bulkhead elbow Stainless Steel na 24° cone end 24° cone end na na 12 12 na na
WSV12SOMDCF Heavy Bulkhead elbow Steel, Chromium-6 Free na 24° cone end 24° cone end na na 12 12 na na
WSV12ZL71 Light Bulkhead elbow Stainless Steel Pre-assembled with EO-2 functional nut 24° cone end 24° cone end na na 12 12 na na
WSV12ZLCF Light Bulkhead elbow Steel, Chromium-6 Free Pre-assembled with EO-2 functional nut 24° cone end 24° cone end na na 12 12 na na
WSV12ZS71 Heavy Bulkhead elbow Stainless Steel Pre-assembled with EO-2 functional nut 24° cone end 24° cone end na na 12 12 na na
WSV12ZSCF Heavy Bulkhead elbow Steel, Chromium-6 Free Pre-assembled with EO-2 functional nut 24° cone end 24° cone end na na 12 12 na na
WSV14S71 Heavy Bulkhead elbow Stainless Steel Pre-assembled with nut and EO-DPR cutting ring 24° cone end 24° cone end na na 14 14 na na
WSV14SCF Heavy Bulkhead elbow Steel, Chromium-6 Free Pre-assembled with nut and EO-PSR cutting ring 24° cone end 24° cone end na na 14 14 na na
WSV14SOMD71 Heavy Bulkhead elbow Stainless Steel na 24° cone end 24° cone end na na 14 14 na na
WSV14SOMDCF Heavy Bulkhead elbow Steel, Chromium-6 Free na 24° cone end 24° cone end na na 14 14 na na
WSV14ZS71 Heavy Bulkhead elbow Stainless Steel Pre-assembled with EO-2 functional nut 24° cone end 24° cone end na na 14 14 na na
WSV14ZSCF Heavy Bulkhead elbow Steel, Chromium-6 Free Pre-assembled with EO-2 functional nut 24° cone end 24° cone end na na 14 14 na na
WSV15L71 Light Bulkhead elbow Stainless Steel Pre-assembled with nut and EO-DPR cutting ring 24° cone end 24° cone end na na 15 15 na na
WSV15LCF Light Bulkhead elbow Steel, Chromium-6 Free Pre-assembled with nut and EO-PSR cutting ring 24° cone end 24° cone end na na 15 15 na na
WSV15LOMD71 Light Bulkhead elbow Stainless Steel na 24° cone end 24° cone end na na 15 15 na na
WSV15LOMDCF Light Bulkhead elbow Steel, Chromium-6 Free na 24° cone end 24° cone end na na 15 15 na na
WSV15ZL71 Light Bulkhead elbow Stainless Steel Pre-assembled with EO-2 functional nut 24° cone end 24° cone end na na 15 15 na na
WSV15ZLCF Light Bulkhead elbow Steel, Chromium-6 Free Pre-assembled with EO-2 functional nut 24° cone end 24° cone end na na 15 15 na na
WSV16S71 Heavy Bulkhead elbow Stainless Steel Pre-assembled with nut and EO-DPR cutting ring 24° cone end 24° cone end na na 16 16 na na
WSV16SCF Heavy Bulkhead elbow Steel, Chromium-6 Free Pre-assembled with nut and EO-PSR cutting ring 24° cone end 24° cone end na na 16 16 na na
WSV16SOMD71 Heavy Bulkhead elbow Stainless Steel na 24° cone end 24° cone end na na 16 16 na na
WSV16SOMDCF Heavy Bulkhead elbow Steel, Chromium-6 Free na 24° cone end 24° cone end na na 16 16 na na
WSV16ZS71 Heavy Bulkhead elbow Stainless Steel Pre-assembled with EO-2 functional nut 24° cone end 24° cone end na na 16 16 na na
WSV16ZSCF Heavy Bulkhead elbow Steel, Chromium-6 Free Pre-assembled with EO-2 functional nut 24° cone end 24° cone end na na 16 16 na na
WSV18L71 Light Bulkhead elbow Stainless Steel Pre-assembled with nut and EO-DPR cutting ring 24° cone end 24° cone end na na 18 18 na na
WSV18LCF Light Bulkhead elbow Steel, Chromium-6 Free Pre-assembled with nut and EO-PSR cutting ring 24° cone end 24° cone end na na 18 18 na na
WSV18LOMD71 Light Bulkhead elbow Stainless Steel na 24° cone end 24° cone end na na 18 18 na na
WSV18LOMDCF Light Bulkhead elbow Steel, Chromium-6 Free na 24° cone end 24° cone end na na 18 18 na na
WSV18ZL71 Light Bulkhead elbow Stainless Steel Pre-assembled with EO-2 functional nut 24° cone end 24° cone end na na 18 18 na na
WSV18ZLCF Light Bulkhead elbow Steel, Chromium-6 Free Pre-assembled with EO-2 functional nut 24° cone end 24° cone end na na 18 18 na na
WSV20S71 Heavy Bulkhead elbow Stainless Steel Pre-assembled with nut and EO-DPR cutting ring 24° cone end 24° cone end na na 20 20 na na
WSV20SCF Heavy Bulkhead elbow Steel, Chromium-6 Free Pre-assembled with nut and EO-PSR cutting ring 24° cone end 24° cone end na na 20 20 na na
WSV20SOMD71 Heavy Bulkhead elbow Stainless Steel na 24° cone end 24° cone end na na 20 20 na na
WSV20SOMDCF Heavy Bulkhead elbow Steel, Chromium-6 Free na 24° cone end 24° cone end na na 20 20 na na
WSV20ZS71 Heavy Bulkhead elbow Stainless Steel Pre-assembled with EO-2 functional nut 24° cone end 24° cone end na na 20 20 na na
WSV20ZSCF Heavy Bulkhead elbow Steel, Chromium-6 Free Pre-assembled with EO-2 functional nut 24° cone end 24° cone end na na 20 20 na na
WSV22L71 Light Bulkhead elbow Stainless Steel Pre-assembled with nut and EO-DPR cutting ring 24° cone end 24° cone end na na 22 22 na na
WSV22LCF Light Bulkhead elbow Steel, Chromium-6 Free Pre-assembled with nut and EO-PSR cutting ring 24° cone end 24° cone end na na 22 22 na na
WSV22LOMD71 Light Bulkhead elbow Stainless Steel na 24° cone end 24° cone end na na 22 22 na na
WSV22LOMDCF Light Bulkhead elbow Steel, Chromium-6 Free na 24° cone end 24° cone end na na 22 22 na na
WSV22ZL71 Light Bulkhead elbow Stainless Steel Pre-assembled with EO-2 functional nut 24° cone end 24° cone end na na 22 22 na na
WSV22ZLCF Light Bulkhead elbow Steel, Chromium-6 Free Pre-assembled with EO-2 functional nut 24° cone end 24° cone end na na 22 22 na na
WSV25S71 Heavy Bulkhead elbow Stainless Steel Pre-assembled with nut and EO-DPR cutting ring 24° cone end 24° cone end na na 25 25 na na
WSV25SCF Heavy Bulkhead elbow Steel, Chromium-6 Free Pre-assembled with nut and EO-PSR cutting ring 24° cone end 24° cone end na na 25 25 na na
WSV25SOMD71 Heavy Bulkhead elbow Stainless Steel na 24° cone end 24° cone end na na 25 25 na na
WSV25SOMDCF Heavy Bulkhead elbow Steel, Chromium-6 Free na 24° cone end 24° cone end na na 25 25 na na
WSV25ZS71 Heavy Bulkhead elbow Stainless Steel Pre-assembled with EO-2 functional nut 24° cone end 24° cone end na na 25 25 na na
WSV25ZSCF Heavy Bulkhead elbow Steel, Chromium-6 Free Pre-assembled with EO-2 functional nut 24° cone end 24° cone end na na 25 25 na na
WSV28L71 Light Bulkhead elbow Stainless Steel Pre-assembled with nut and EO-DPR cutting ring 24° cone end 24° cone end na na 28 28 na na
WSV28LCF Light Bulkhead elbow Steel, Chromium-6 Free Pre-assembled with nut and EO-PSR cutting ring 24° cone end 24° cone end na na 28 28 na na
WSV28LOMD71 Light Bulkhead elbow Stainless Steel na 24° cone end 24° cone end na na 28 28 na na
WSV28LOMDCF Light Bulkhead elbow Steel, Chromium-6 Free na 24° cone end 24° cone end na na 28 28 na na
WSV28ZL71 Light Bulkhead elbow Stainless Steel Pre-assembled with EO-2 functional nut 24° cone end 24° cone end na na 28 28 na na
WSV28ZLCF Light Bulkhead elbow Steel, Chromium-6 Free Pre-assembled with EO-2 functional nut 24° cone end 24° cone end na na 28 28 na na
WSV30S71 Heavy Bulkhead elbow Stainless Steel Pre-assembled with nut and EO-DPR cutting ring 24° cone end 24° cone end na na 30 30 na na
WSV30SCF Heavy Bulkhead elbow Steel, Chromium-6 Free Pre-assembled with nut and EO-PSR cutting ring 24° cone end 24° cone end na na 30 30 na na
WSV30SOMD71 Heavy Bulkhead elbow Stainless Steel na 24° cone end 24° cone end na na 30 30 na na
WSV30SOMDCF Heavy Bulkhead elbow Steel, Chromium-6 Free na 24° cone end 24° cone end na na 30 30 na na
WSV30ZS71 Heavy Bulkhead elbow Stainless Steel Pre-assembled with EO-2 functional nut 24° cone end 24° cone end na na 30 30 na na
WSV30ZSCF Heavy Bulkhead elbow Steel, Chromium-6 Free Pre-assembled with EO-2 functional nut 24° cone end 24° cone end na na 30 30 na na
WSV35L71 Light Bulkhead elbow Stainless Steel Pre-assembled with nut and EO-DPR cutting ring 24° cone end 24° cone end na na 35 35 na na
WSV35LCF Light Bulkhead elbow Steel, Chromium-6 Free Pre-assembled with nut and EO-PSR cutting ring 24° cone end 24° cone end na na 35 35 na na
WSV35LOMD71 Light Bulkhead elbow Stainless Steel na 24° cone end 24° cone end na na 35 35 na na
WSV35LOMDCF Light Bulkhead elbow Steel, Chromium-6 Free na 24° cone end 24° cone end na na 35 35 na na
WSV35ZL71 Light Bulkhead elbow Stainless Steel Pre-assembled with EO-2 functional nut 24° cone end 24° cone end na na 35 35 na na
WSV35ZLCF Light Bulkhead elbow Steel, Chromium-6 Free Pre-assembled with EO-2 functional nut 24° cone end 24° cone end na na 35 35 na na
WSV38S71 Heavy Bulkhead elbow Stainless Steel Pre-assembled with nut and EO-DPR cutting ring 24° cone end 24° cone end na na 38 38 na na
WSV38SCF Heavy Bulkhead elbow Steel, Chromium-6 Free Pre-assembled with nut and EO-PSR cutting ring 24° cone end 24° cone end na na 38 38 na na
WSV38SOMD71 Heavy Bulkhead elbow Stainless Steel na 24° cone end 24° cone end na na 38 38 na na
WSV38SOMDCF Heavy Bulkhead elbow Steel, Chromium-6 Free na 24° cone end 24° cone end na na 38 38 na na
WSV38ZS71 Heavy Bulkhead elbow Stainless Steel Pre-assembled with EO-2 functional nut 24° cone end 24° cone end na na 38 38 na na
WSV38ZSCF Heavy Bulkhead elbow Steel, Chromium-6 Free Pre-assembled with EO-2 functional nut 24° cone end 24° cone end na na 38 38 na na
WSV42L71 Light Bulkhead elbow Stainless Steel Pre-assembled with nut and EO-DPR cutting ring 24° cone end 24° cone end na na 42 42 na na
WSV42LCF Light Bulkhead elbow Steel, Chromium-6 Free Pre-assembled with nut and EO-PSR cutting ring 24° cone end 24° cone end na na 42 42 na na
WSV42LOMD71 Light Bulkhead elbow Stainless Steel na 24° cone end 24° cone end na na 42 42 na na
WSV42LOMDCF Light Bulkhead elbow Steel, Chromium-6 Free na 24° cone end 24° cone end na na 42 42 na na
WSV42ZL71 Light Bulkhead elbow Stainless Steel Pre-assembled with EO-2 functional nut 24° cone end 24° cone end na na 42 42 na na
WSV42ZLCF Light Bulkhead elbow Steel, Chromium-6 Free Pre-assembled with EO-2 functional nut 24° cone end 24° cone end na na 42 42 na na
|